电脑桌面
添加小米粒文库到电脑桌面
安装后可以在桌面快捷访问

变电站改造组织方案VIP专享VIP免费

变电站改造组织方案_第1页
1/20
变电站改造组织方案_第2页
2/20
变电站改造组织方案_第3页
3/20
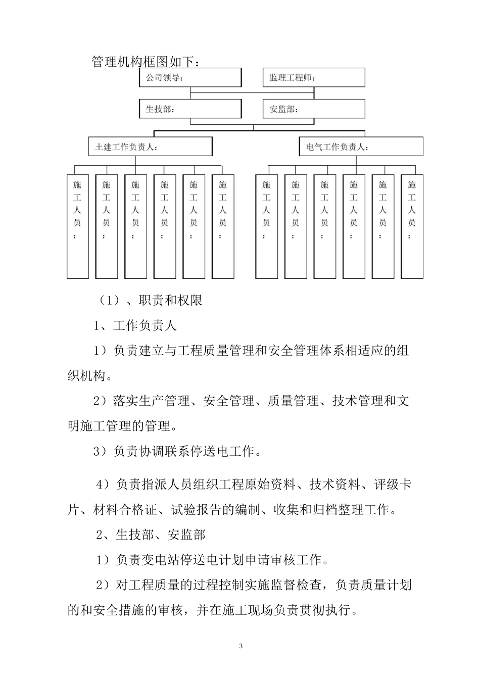
1***35KV变电站改造工程施工组织设计一、工程名称***35KV变电站改扩建工程二、组织单位1、建设单位:***电力有限责任公司2、施工单位:土建部分:***房地产开发公司;变电部分:输变电管理所3.设计单位:***电力设计有限责任公司4.监理单位:***电力工程建设有限责任公司三、工程概况1・施工条件:工程位于***镇原***35KV变电站原变电站站址,将现有35kV母线改为分段运行,新增I、II母联隔离开关及真空断路器,增加35kV母线架构,更换原有351、352油断路器为真空断路器,新增35kV进线电压互感器一台,对原主控部分进行综自改造;土建部分为35kV母线架构基础、隔离开关基础,母联断路器基础,电压互感器基础;场地较为狭小,且与运行中35KV母线及其相关设备较近,需采取严格的安全措施;施工用水、用电均可利用现有35KV变电站系统及设备。2.建设规模:21)土建部分:按照设计要求新增容的8000kVA主变基础、35kV电流互感器基础及电气部分已于2008年7月改造完毕;本次土建部分为35kV母线架构基础、隔离开关基础,母联断路器基础,电压互感器基础;2)电气安装:新增35kVI段母线间隔,35KV真空断路器3台,35kV隔离开关2台,35kV电压互感器1台;综合自动化系统1套;为保证该工程顺利完工,各施工单位均作了必要的准备。在公司领导及有关部门协助下,对工程情况进行了实地调查,对相关资料、图纸进行了了解,施工时按公司要求进行。因该工程为35KV改造,为保证进度和安全,减少停电时间,特制定本方案。工程开工后,土建基础按不停电施工,现场采取相应限高安全措施,设专人监护,并设置专用通道等,电气一次设备安装按停电计划申请执行,综自改造利用安装一次设备及母线分段时全站停电的时间,首先将直流屏、主变保护屏就位并进行二次保护接线;馈线及控制屏二次接线、保护整定试验、传动试验采取单条和相邻线路停电进行施工。2•变电站改造,35kV具备分段运行条件,原常规保护改为综自保护,35kV设备实现无油化,设备安全性、可靠性进一步提高。一、组织措施3管理机构框图如下:(1)、职责和权限1、工作负责人1)负责建立与工程质量管理和安全管理体系相适应的组织机构。2)落实生产管理、安全管理、质量管理、技术管理和文明施工管理的管理。3)负责协调联系停送电工作。4)负责指派人员组织工程原始资料、技术资料、评级卡片、材料合格证、试验报告的编制、收集和归档整理工作。2、生技部、安监部1)负责变电站停送电计划申请审核工作。2)对工程质量的过程控制实施监督检查,负责质量计划的和安全措施的审核,并在施工现场负责贯彻执行。43)坚持现场指导,解决施工中质量、安全问题。(2)、技术力量组织为实现本工程优质、安全、文明施工的目标,本工程设管理人员6人:公司领导、工程监理、安监部长、生技部长各1人、工作负责人2人。土建人员6人,电气人员6人,临时民工4人。施工机具安排根据工程情况,本工程施工机具采取自备和租赁两种形式,对于主要施工器具自备,特种机具采取租赁形式,具休配置见下表:土建施工机器具(图表3)序号名称单位数量配置方式1砼搅拌机台1自备2打夯机台1自备3砼振动器台1自备4振动棒台1自备5经纬仪台1自备6水准仪台1自备电气施工机器具(图表4)序号名称单位数量配置方式1吊车辆1租赁2继电保护测试仪台1自备3打号机台1自备4电焊机台1自备5车辆辆1自备设备材料供应该项目土建所需水泥、砂石、圆钢、模具等材料均由施工单位自备,电缆由输变电管理所清购。1、严格执行管理制度;严格控制材料消耗;严防假冒伪5劣产品(设备、元件、机具及消耗性材料)在现场流通。2、按工期要求督促供应部门及时供货,加强设备交接的衔接和验收,制定大型设备装卸及二次转运输方案,保证工程设备及材料供应畅通。3、该工程所有参战人员应文明施工,作到“工完材料尽场地清”,防止物资积压,历行节约,反对铺张浪费。4、现场设立专门库管人员,凡出入工地设备、机具、材料一律要妥善保管,严格控制,认真清点、登记,作到心里有数。同时库管员应随时对现场进行检查、整理。施工现场总平面布置5、临时设施布置:为加强施工现场的管理,文明施工,在施工现场电器材料...

1、当您付费下载文档后,您只拥有了使用权限,并不意味着购买了版权,文档只能用于自身使用,不得用于其他商业用途(如 [转卖]进行直接盈利或[编辑后售卖]进行间接盈利)。
2、本站所有内容均由合作方或网友上传,本站不对文档的完整性、权威性及其观点立场正确性做任何保证或承诺!文档内容仅供研究参考,付费前请自行鉴别。
3、如文档内容存在违规,或者侵犯商业秘密、侵犯著作权等,请点击“违规举报”。

碎片内容

变电站改造组织方案

确认删除?
VIP
微信客服
  • 扫码咨询
会员Q群
  • 会员专属群点击这里加入QQ群
客服邮箱
回到顶部