电脑桌面
添加小米粒文库到电脑桌面
安装后可以在桌面快捷访问

散水分项工程质量验收记录VIP免费

散水分项工程质量验收记录_第1页
1/10
散水分项工程质量验收记录_第2页
2/10
散水分项工程质量验收记录_第3页
3/10
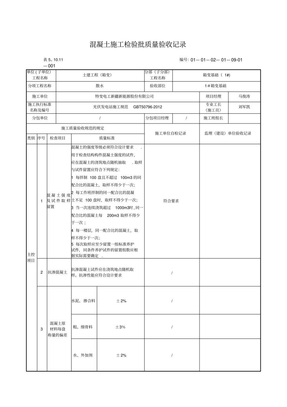
散水分项工程质量验收记录表3。0.18—3编号:01—01-02-01-09单位(子单位)工程名称土建工程(箱变)分部(子分部)工程名称箱变基础(1#)检验批数4施工单位特变电工新疆新能源股份有限公司项目经理马俊涛项目技术负责人刘军凯分包单位/分包单位负责人/分包项目经理/序号检验批及部位、区段施工单位检查结果监理(建设)单位验收结论1散水混凝土合格2混凝土原材料及配合比设计合格3混凝土施工合格4现浇结构尺寸偏差合格检验批验收记录完整性核查完整施工单位检查结果项目专业质量检查员:项目专业技术负责人:年月日监理(建设)单位验收结论专业监理工程师:(建设单位项目专业技术负责人)年月日混凝土施工检验批质量验收记录表5。10.11编号:01—01—02—01—09-01—001单位(子单位)工程名称土建工程(箱变)分部(子分部)工程名称箱变基础(1#)分项工程名称散水验收部位1#箱变基础施工单位特变电工新疆新能源股份有限公司项目经理马俊涛施工执行标准名称及编号光伏发电站施工规范GBT50796-2012专业工长(施工员)刘军凯分包单位/分包项目经理/施工班组长施工质量验收规范的规定施工单位自检记录监理(建设)单位验收记录类别序号检查项目质量标准主控项目1混凝土强度及试件取样留置混凝土的强度等级必须符合设计要求.用于检查结构构件混凝土强度的试件,应在混凝土的浇筑地点随机抽取.取样与试件留置应符合下列规定:1每拌制100盘且不超过100m3的同配合比的混凝土,取样不得少于一次;2每工作班拌制的同一配合比的混凝土不足100盘时,取样不得少于一次;3当一次连续浇筑超过1000m3时,同一配合比的混凝土每200m3取样不得少于一次;4每一楼层,同一配合比的混凝土,取样不得少于一次;5每次取样应至少留置一组标准养护试件,同条件养护试件的留置组数应根据实际需要确定.符合要求2抗渗混凝土抗渗混凝土试件应在浇筑地点随机取样。抗渗性能应符合设计要求/3混凝土原材料每盘称量的偏差水泥、掺合料±2%/粗、细骨料±3%/水、外加剂±2%/表5。10。11续表编号:01-01-02-01—09—01-001施工质量验收规范的规定施工单位自检记录监理(建设)单位验收记录类别序号检查项目质量标准4混凝土运输、浇筑及间歇全部时间不应超过混凝土的初凝时间,同一施工段的混凝土应连续浇筑,并应在底层混凝土初凝之前将上一层混凝土浇筑完毕。当底层混凝土初凝后浇筑上一层混凝土时,应按施工缝的要求进行处理符合要求5大体积混凝土控温措施必须符合设计要求和现行有关标准的规定/6清水混凝土施工必须符合JGJ169清水混凝土应用技术规程的规定符合要求一般项目1施工缝留置及处理应按设计要求和施工技术方案确定、执行/2后浇带留置位置应按设计要求和施工技术方案确定,混凝土浇筑应按施工技术方案进行/3养护应符合施工技术方案和现行有关标准的规定符合要求施工单位检查结果项目专业质量检查员:项目专业技术负责人:年月日监理(建设)单位验收结论专业监理工程师:(建设单位项目专业技术负责人)年月日混凝土原材料及配合比设计检验批质量验收记录表5。7.6编号:01-01-02-01—09-02-001单位(子单位)工程名称土建工程(箱变)分部(子分部)工程名称箱变基础(1#)分项工程名称散水验收部位1#箱变基础施工单位特变电工新疆新能源股份有限公司项目经理马俊涛施工执行标准名称及编号光伏发电站施工规范GBT50796—2012项目工长(施工员)刘军凯分包单位/分包项目经理/施工班组长类别序号检查项目质量标准单位施工单位自检记录监理(建设)单位验收记录主控项目1水泥检验☆必须符合设计要求和现行国家标准GB175等的规定。当在使用中对水泥质量有怀疑或水泥出厂超过三个月(快硬硅酸盐水泥超过一个月)时,应进行复验,并按复验结果使用。钢筋混凝土结构、预应力混凝土结构中,严禁使用含氯化物的水泥符合设计要求和现行国家标准规定2外加剂质量及应用技术☆应符合现行国家标准GB8076、GB50119等和有关环境保护的规定。预应力混凝土结构中,严禁使用含氯化物的外加剂;钢筋混凝土结构中,当使用含氯化物的外加剂时,其它含量应符合现行国家标准GB50164的规定符合现行国家标准GB8076、GB50119等和有关环境保护的规...

1、当您付费下载文档后,您只拥有了使用权限,并不意味着购买了版权,文档只能用于自身使用,不得用于其他商业用途(如 [转卖]进行直接盈利或[编辑后售卖]进行间接盈利)。
2、本站所有内容均由合作方或网友上传,本站不对文档的完整性、权威性及其观点立场正确性做任何保证或承诺!文档内容仅供研究参考,付费前请自行鉴别。
3、如文档内容存在违规,或者侵犯商业秘密、侵犯著作权等,请点击“违规举报”。

碎片内容

散水分项工程质量验收记录

确认删除?
VIP
微信客服
  • 扫码咨询
会员Q群
  • 会员专属群点击这里加入QQ群
客服邮箱
回到顶部