电脑桌面
添加小米粒文库到电脑桌面
安装后可以在桌面快捷访问

岩石硬度一览表12VIP免费

岩石硬度一览表12_第1页
1/7
岩石硬度一览表12_第2页
2/7
岩石硬度一览表12_第3页
3/7
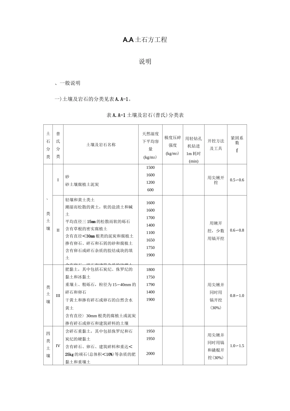
A.A土石方工程说明、一般说明一)土壤及岩石的分类见表A.A-1。表A.A-1土壤及岩石(普氏)分类表土石分类普氏分类土壤及岩石名称天然湿度下平均容量(kg/m3)极度压碎强度(kg/m3)用轻钻孔机钻进1m耗时(min)开挖方法及工具紧固系数f、类土壤I砂砂土壤腐植土泥炭150016001200600用尖锹开挖0.5〜0.6II轻壤和黄土类土潮湿而松散的黄土,软的盐渍土和碱土平均直径三15mm的松散而软的砾石含有草根的密实腐植土含有直径<30mm根类的泥炭和腐植土掺有卵石、碎石和石屑的砂和腐植土含有卵石或碎石杂质的胶结成块的填土含有卵石、碎石和建筑杂质的砂壤土16001600170014001100165017501900用锹开挖,少数用镐开挖0.6〜0.8类土壤III肥黏土,其中包括石炭纪、侏罗纪的黏土和冰黏土重壤土、粗砾石,粒径为15〜40mm的碎石和卵石干黄土和掺有碎石或卵石的自然含水黄土含有直径〉30mm根类的腐植土或泥炭掺有碎石或卵石和建筑碎料的土壤18001750179014001900用尖锹并同时用镐开挖(30%)0.8〜1.0四类土壤IV含碎石重黏土,其中包括侏罗纪和石炭纪的硬黏土含有碎石、卵石、建筑碎料和重达<25kg的顽石(总体积<10%)等杂质的肥黏土和重壤土195019502000用尖锹并同时用镐和撬棍开挖(30%)1.0〜1.5土石分类普氏分类土壤及岩石名称天然湿度下平均容量(kg/m3)极度压碎强度(kg/m3)用轻钻孔机钻进1m耗时(min)开挖方法及工具紧固系数f冰渍黏土,含有重量三50kg的巨砾其含量为总体积<10%泥板岩不含或含有重量达10kg的顽石20001950土石分类普氏分类土壤及岩石名称天然湿度下平均容量(kg/m3)极度压碎强度(kg/cm2)用轻钻孔机钻进1m耗时(min)开挖方法及工具紧固系数f含有重量<50kg的巨砾(占体积〉2100松10%)的冰渍石、矽藻岩和软白垩岩1800石V胶结力弱的砾石各种坚实的片岩石膏190026002200<200<3.5部分用手凿工具,部1.5〜2.0分用爆破开挖VI凝灰岩和浮石1100松软多孔和裂隙严重的石灰和介质石1200用风镐和灰岩2700200〜4003.5爆破开挖2〜4中等硬变的片岩2300次中等硬变的泥灰岩坚石灰石胶结的带有卵石和沉积岩的砾2200石石2000用爆破方VII风化的和有大裂缝的粘土质砂岩2800400〜6006.0法4〜6坚实的泥板岩坚实的泥灰岩2500开挖砾质花岗石2300泥灰质石灰岩2300用爆破方VIII粘土质砂岩2200600〜8008.5法6〜8砂质云母片岩2300开挖硬石膏2900土石分类普氏分类土壤及岩石名称天然湿度下平均容量(kg/m3)极度压碎强度(kg/cm2)用轻钻孔机钻进1m耗时(min)开挖方法及工具紧固系数f严重风化的软弱的花岗石、片麻岩和2500正长岩2400滑石化的蛇纹岩2500用爆破方致密的石灰岩2500IX含有卵石、沉积岩的碴质胶结的砾石2500800亠100011.5法8〜102500开挖砂岩砂质石灰片岩菱镁矿3000特白云石2700坚固的石灰岩2700用爆破方坚2700大理石法石X石灰胶结的致密砾石26001000--20015.010〜12开挖坚固的砂质片岩2600粗花岗岩2800非常坚硬的白云岩2900蛇纹岩2600用爆破方石灰质胶结的含有火成岩之卵石的砾2800XILU岩27001200--140018.5法开挖12〜14石英胶结的坚固砂岩粗粒正长岩2700具有风化痕迹的安山岩和玄武岩2700片麻岩2600用爆破方XII非常坚固的石灰岩29001400--16022.0法14〜16硅质胶结的含有火成岩之卵石的砾岩2900开挖粗石岩2600特中粒花岗石3100坚固的片麻岩2800用爆破方坚辉绿岩2700法XIII玢岩25001600--180027.516〜18开挖石坚固的粗面岩2800中粒正长岩2800非常坚硬的细粒花岗岩3300花岗岩、麻岩2900用爆破方XIV闪长岩29001800--20032.5法18〜20高硬度的石灰岩3100开挖坚固的玢岩2700土石分类普氏分类土壤及岩石名称天然湿度下平均容量(kg/m3)极度压碎强度(kg/cm2)用轻钻孔机钻进1m耗时开挖方法及工具紧固系数f特坚石XV安山岩、玄武岩、坚固的角页岩高硬度的辉绿岩和闪长岩坚固的辉长岩和石英岩3100290028002000〜250046.0用爆破方法开挖20〜25XVI拉长玄武岩和橄榄玄武岩特别坚固的辉长岩、辉绿岩、石英岩和玢岩33003000>2500>60用爆破方法开挖>25(二)土石方体积应按挖掘前的天然密实体积计算。如需按天然密实体积折算时,应按表A.A-2系数计算。表A.A-2土石方体积折算系数表天然密实度体积虚方体积夯实后体积松填体积1.001.300.871.080...

1、当您付费下载文档后,您只拥有了使用权限,并不意味着购买了版权,文档只能用于自身使用,不得用于其他商业用途(如 [转卖]进行直接盈利或[编辑后售卖]进行间接盈利)。
2、本站所有内容均由合作方或网友上传,本站不对文档的完整性、权威性及其观点立场正确性做任何保证或承诺!文档内容仅供研究参考,付费前请自行鉴别。
3、如文档内容存在违规,或者侵犯商业秘密、侵犯著作权等,请点击“违规举报”。

碎片内容

岩石硬度一览表12

您可能关注的文档

wxg+ 关注
实名认证
内容提供者

该用户很懒,什么也没介绍

确认删除?
VIP
微信客服
  • 扫码咨询
会员Q群
  • 会员专属群点击这里加入QQ群
客服邮箱
回到顶部