电脑桌面
添加小米粒文库到电脑桌面
安装后可以在桌面快捷访问

数控车床编程实例大全VIP免费

数控车床编程实例大全_第1页
1/16
数控车床编程实例大全_第2页
2/16
数控车床编程实例大全_第3页
3/16
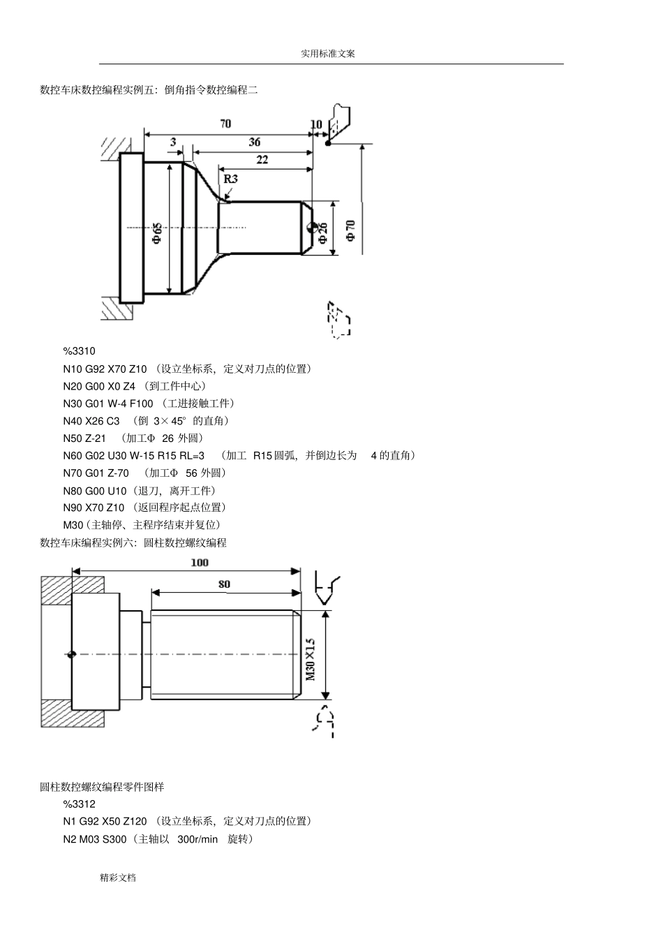
实用标准文案精彩文档数控车床编程实例二:直线插补指令G01数控编程直线插补指令G01数控编程零件图样%3305N1G92X100Z10M03S500T010(设立加工工件坐标系,定义对刀点的位置)N2G00X16Z2(移到倒角延长线,Z轴2mm处)N3G01U10W-5F300(倒3×45°角)N4Z-48(加工Φ26外圆)N5U34W-10(切第一段锥)N6U20Z-73(切第二段锥)N7X90(退刀)N8G00X100Z10(回对刀点)N9M05(主轴停)N10M30(主程序结束并复位)数控车床编程实例三:圆弧插补G02/G03指令数控编程圆弧插补指令编程零件图样%3308N1G92X40Z5(设立工件坐标系,定义对刀点的位置)N2M03S400(主轴以400r/min旋转)实用标准文案精彩文档N3G00X0(到达工件中心)N4G01Z0F60(工进接触工件毛坯)N5G03U24W-24R15(加工R15圆弧段)N6G02X26Z-31R5(加工R5圆弧段)N7G01Z-40(加工Φ26外圆)N8X40Z5(回对刀点)N9M30(主轴停、主程序结束并复位)数控车床编程实例四:倒角指令数控编程%3310N10G92X70Z10(设立坐标系,定义对刀点的位置)N20G00U-70W-10(从编程规划起点,移到工件前端面中心处)N30G01U26C3F100(倒3×45°直角)N40W-22R3(倒R3圆角)N50U39W-14C3(倒边长为3等腰直角)N60W-34(加工Φ65外圆)N70G00U5W80(回到编程规划起点)N80M30(主轴停、主程序结束并复位)实用标准文案精彩文档数控车床数控编程实例五:倒角指令数控编程二%3310N10G92X70Z10(设立坐标系,定义对刀点的位置)N20G00X0Z4(到工件中心)N30G01W-4F100(工进接触工件)N40X26C3(倒3×45°的直角)N50Z-21(加工Φ26外圆)N60G02U30W-15R15RL=3(加工R15圆弧,并倒边长为4的直角)N70G01Z-70(加工Φ56外圆)N80G00U10(退刀,离开工件)N90X70Z10(返回程序起点位置)M30(主轴停、主程序结束并复位)数控车床编程实例六:圆柱数控螺纹编程圆柱数控螺纹编程零件图样%3312N1G92X50Z120(设立坐标系,定义对刀点的位置)N2M03S300(主轴以300r/min旋转)实用标准文案精彩文档N3G00X29.2Z101.5(到螺纹起点,升速段1.5mm,吃刀深0.8mm)N4G32Z19F1.5(切削螺纹到螺纹切削终点,降速段1mm)N5G00X40(X轴方向快退)N6Z101.5(Z轴方向快退到螺纹起点处)N7X28.6(X轴方向快进到螺纹起点处,吃刀深0.6mm)N8G32Z19F1.5(切削螺纹到螺纹切削终点)N9G00X40(X轴方向快退)N10Z101.5(Z轴方向快退到螺纹起点处)N11X28.2(X轴方向快进到螺纹起点处,吃刀深0.4mm)N12G32Z19F1.5(切削螺纹到螺纹切削终点)N13G00X40(X轴方向快退)N14Z101.5(Z轴方向快退到螺纹起点处)N15U-11.96(X轴方向快进到螺纹起点处,吃刀深0.16mm)N16G32W-82.5F1.5(切削螺纹到螺纹切削终点)N17G00X40(X轴方向快退)N18X50Z120(回对刀点)N19M05(主轴停)N20M30(主程序结束并复位)数控车床编程实例七:恒线速度功能数控编程恒线速度功能编程零件图样%3314N1G92X40Z5(设立坐标系,定义对刀点的位置)N2M03S400(主轴以400r/min旋转)N3G96S80(恒线速度有效,线速度为80m/min)N4G00X0(刀到中心,转速升高,直到主轴到最大限速)N5G01Z0F60(工进接触工件)N6G03U24W-24R15(加工R15圆弧段)N7G02X26Z-31R5(加工R5圆弧段)N8G01Z-40(加工Φ26外圆)N9X40Z5(回对刀点)N10G97S300(取消恒线速度功能,设定主轴按300r/min旋转)实用标准文案精彩文档N11M30(主轴停、主程序结束并复位)数控车床编程实例八:G80指令数控编程G80指令数控编程零件图样%3317M03S400(主轴以400r/min旋转)G91G80X-10Z-33I-5.5F100(加工第一次循环,吃刀深3mm)X-13Z-33I-5.5(加工第二次循环,吃刀深3mm)X-16Z-33I-5.5(加工第三次循环,吃刀深3mm)M30(主轴停、主程序结束并复位)数控车床编程实例九:G81指令编程,点画线代表毛坯。G81切削循环数控编程实例零件图样%3320N1G54G90G00X60Z45M03(选定坐标系,主轴正转,到循环起点)N2G81X25Z31.5K-3.5F100(加工第一次循环,吃刀深2mm)N3X25Z29.5K-3.5(每次吃刀均为2mm,)N4X25Z27.5K-3.5(每次切削起点位,距工件外圆面5mm,故K值为-3.5)N5X25Z25.5K-3.5(加工第四次循环,吃刀深2mm)N6M05(主轴停)N7M30(主程序结束并...

1、当您付费下载文档后,您只拥有了使用权限,并不意味着购买了版权,文档只能用于自身使用,不得用于其他商业用途(如 [转卖]进行直接盈利或[编辑后售卖]进行间接盈利)。
2、本站所有内容均由合作方或网友上传,本站不对文档的完整性、权威性及其观点立场正确性做任何保证或承诺!文档内容仅供研究参考,付费前请自行鉴别。
3、如文档内容存在违规,或者侵犯商业秘密、侵犯著作权等,请点击“违规举报”。

碎片内容

数控车床编程实例大全

您可能关注的文档

确认删除?
VIP
微信客服
  • 扫码咨询
会员Q群
  • 会员专属群点击这里加入QQ群
客服邮箱
回到顶部