电脑桌面
添加小米粒文库到电脑桌面
安装后可以在桌面快捷访问

激光脉冲测距实验报告讲解VIP免费

激光脉冲测距实验报告讲解_第1页
1/7
激光脉冲测距实验报告讲解_第2页
2/7
激光脉冲测距实验报告讲解_第3页
3/7
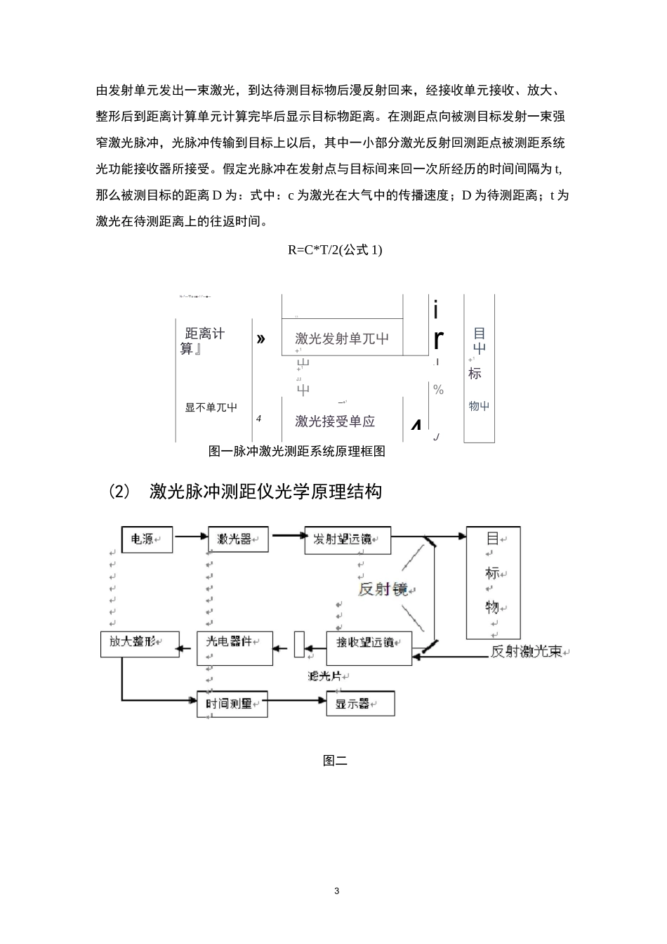
1激光脉冲测距2一工作原理3...(1)测距仪工作原理3...(2)激光脉冲测距仪光学原理结构3..(3)测距仪的大致结构组成4..(4)主要的工作过程4..(5)激光脉冲发射、接收电路板组成及工作原理5.二激光脉冲测距的应用领域5..三关键问题及解决方法6...(1)优点6...(2)问题及解决方案7...工作原理(1)测距仪工作原理现在就脉测距仪冲激光测距简要叙述其工作原理。简单地讲,脉冲法测距的过程是这样的:测距仪发射出的激光经被测量物体的反射后又被测距仪接收,测距仪同时记录激光往返的时间t,光速c和往返时间t的乘积的一半,就是测距仪和被测量物体之间的距离。一般一个典型的激光测距系统应具备以下四个模块:激光发射模块;激光接收模块;距离计算与显示模块;激光准直与聚焦模块,如图2-1所示。系统工作时,3由发射单元发出一束激光,到达待测目标物后漫反射回来,经接收单元接收、放大、整形后到距离计算单元计算完毕后显示目标物距离。在测距点向被测目标发射一束强窄激光脉冲,光脉冲传输到目标上以后,其中一小部分激光反射回测距点被测距系统光功能接收器所接受。假定光脉冲在发射点与目标间来回一次所经历的时间间隔为t,那么被测目标的距离D为:式中:c为激光在大气中的传播速度;D为待测距离;t为激光在待测距离上的往返时间。R=C*T/2(公式1)N-r*—〒■-■■-11"—■—11i距离计算』»激光发射单兀屮+1r目屮屮J+1+1J.I标屮屮%显不单兀屮―+1物屮4激光接受单应4J图一脉冲激光测距系统原理框图(2)激光脉冲测距仪光学原理结构图二4(3)测距仪的大致结构组成脉冲激光测距仪主要由脉冲激光发射系统、光电接收系统、门控电路、时钟脉冲振荡器以及计数显示电路组成(4)主要的工作过程其工作过程大致如下:首先接通电源,复原电路给出复原信号,使整机复原,准备进行测量;同时触发脉冲激光发生器,产生激光脉冲。该激光脉冲有一小部分能量由参考信号取样器直接送到接收系统,作为计时的起始点。大部分光脉冲能量射向待测目标,由目标反射回测距仪的光脉冲能量被接收系统接收,这就是回波信号。参考信号和回波信号先后由光电探测器转换成为电脉冲,并加以放大和整形。整形后的参考信号能触发器翻转,控制计数器开始对晶格振荡器发出的时钟脉冲进行计数。整形后的回波信号使触发器的输出翻转无效,从而使计数器停止工作。这样,根据计数器的输出即可计算出待测目标的距离。三实验装置实验装置包括“激光脉冲发射、接收电路”和“单片机开放板”。5)激光脉冲发射、接收电路板组成及工作原理激光脉冲发射/接收电路板原理框图如图2.3所示。图中EPM3032为CPLD;MAX3656为激光驱动器;MAX3747为限幅放大器;T22为单端信号到差分信号转换芯片;T23为差分信号到单端信号转换芯片;LD为半导体激光器;PD为光电探测器。板子上端的EPM3032被编程为脉冲发生器,输出重复频率为lKHz,脉冲宽度为48ns的电脉冲信号。此信号经MAX3656放大后驱动LD发光。板子下端的EPM3032被编程为计数器,对125MHz晶振进行计数。其计数的开门信号来自上端的TX信号,关门信号来自PD的输出。计数器的计数结果采用12位二进制数据输出,对应的时间范围为0〜32.7询。5二激光脉冲测距的应用领域激光测距仪一般采用两种方式来测量距离:脉冲法和相位法.脉冲法测距的过程是这样的:测距仪发射出的激光经被测量物体的反射后又被测距仪接收.测距仪同时记录激光往返的时间.光速和往返时间的乘积的一半.就是测距仪和被测量物体之间的距离.脉冲法测量距离的精度是一般是在+/-1米左右.另外.此类测距仪的测量盲区一般是15米左右。激光测距仪已经被广泛应用于以下领域:电力.水利.通讯.环境.建筑.地质.警务.消防.爆破.航海.铁路.反恐/军事.农业.林业.房地产.休闲/户外运动等。由于激光在亮度、方向性、单色性以及相干性等方面都有不俗的特点,它一出现就吸引了众多科学工作者的目光,并被迅速地被应用在工业生产方面、国防军工方面、房地产业、各级科研机构、工程、防盗安全等各个行业各个领域:激光焊接、激光切割、激光打孔(包括斜孔、异孔、膏药打孔、水松纸打孔、钢板打孔、包装印刷打孔等)、激光淬火、激光热处理、激光打标、玻璃...

1、当您付费下载文档后,您只拥有了使用权限,并不意味着购买了版权,文档只能用于自身使用,不得用于其他商业用途(如 [转卖]进行直接盈利或[编辑后售卖]进行间接盈利)。
2、本站所有内容均由合作方或网友上传,本站不对文档的完整性、权威性及其观点立场正确性做任何保证或承诺!文档内容仅供研究参考,付费前请自行鉴别。
3、如文档内容存在违规,或者侵犯商业秘密、侵犯著作权等,请点击“违规举报”。

碎片内容

激光脉冲测距实验报告讲解

您可能关注的文档

确认删除?
VIP
微信客服
  • 扫码咨询
会员Q群
  • 会员专属群点击这里加入QQ群
客服邮箱
回到顶部