电脑桌面
添加小米粒文库到电脑桌面
安装后可以在桌面快捷访问

奥林匹克体育中心桥架供货合同VIP免费

奥林匹克体育中心桥架供货合同_第1页
1/14
奥林匹克体育中心桥架供货合同_第2页
2/14
奥林匹克体育中心桥架供货合同_第3页
3/14
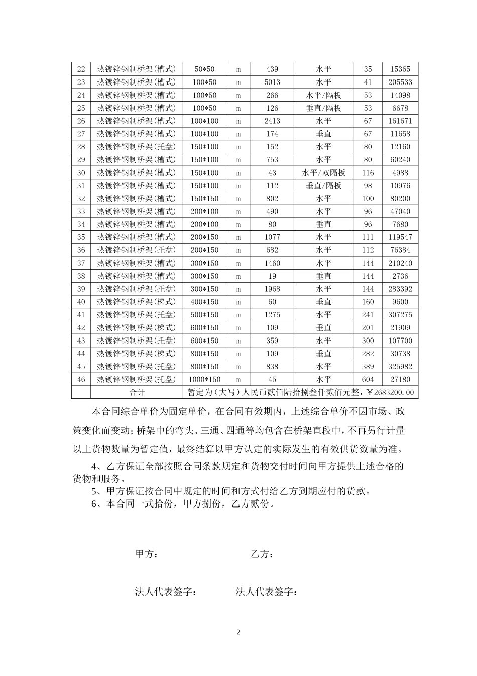
XX奥林匹克体育中心桥架供应合同甲方(建设单位):XX市城市建设投资有限公司乙方(供货单位):江苏XX电气集团有限公司XXXX年10月一、合同书甲方(建设单位):XX市城市建设投资有限公司乙方(供货单位):江苏XX电气集团有限公司本合同于XXXX年09月日由甲乙双方共同签订,乙方愿以总价格(大写)人民币贰佰陆拾捌叁仟贰佰元整(小写:¥2683200.00元),向甲方提供桥架货物供应并提供服务,甲方对乙方的供货过程进行管理,并负责计划、进场、验收及协调等工作。经双方协商同意达成以下协议:1、本合同各方必须遵守《中华人民共和国合同法》及有关规定,并履行各自应负的全部责任。2、合同文件及解释顺序:(1)合同协议书(2)中标通知书(3)合同条款(4)乙方成交的竞争性谈判投标书及相关承诺(5)竞争性谈判文件(6)标准、规范及有关技术文件双方有关本合同的洽商、变更等书面协议或文件视为本合同协议书的组成部分。3、合同货物及合同价格凡乙方供应的货物应是全新的、技术先进的、符合国家相关技术标准和本合同规定技术标准的货物。乙方提供合同货物的供货范围如下:(1)供货部位:XX奥林匹克体育中心体育场(2)供货数量及价格:序号名称型号单位数量安装方式报价体育场综合单价总价1防火钢制桥架(槽式)50*50m422水平24101282防火钢制桥架(槽式)50*50m212垂直2450883防火钢制桥架(槽式)100*50m624水平35218404防火钢制桥架(槽式)100*50m113垂直3539555防火钢制桥架(槽式)100*100m1114水平45501306防火钢制桥架(槽式)100*100m103垂直4546357防火钢制桥架(槽式)100*150m94水平5652648防火钢制桥架(槽式)150*100m824水平56461449防火钢制桥架(梯式)150*100m44垂直56246410防火钢制桥架(槽式)200*100m20垂直67134011防火钢制桥架(槽式)200*150m1373水平7610434812防火钢制桥架(槽式)200*150m60垂直77462013防火钢制桥架(槽式)300*100m73水平88642414防火钢制桥架(槽式)300*150m383水平973715115防火钢制桥架(槽式)300*150m30垂直97291016防火钢制桥架(槽式)400*150m392水平1505880017防火钢制桥架(槽式)400*150m150垂直1512265018防火钢制桥架(槽式)500*150m18水平180324019防火钢制桥架(槽式)600*150m439水平2109219020防火钢制桥架(槽式)800*150m33水平3121029621防火钢制桥架(槽式)1200*150m56水平51128616122热镀锌钢制桥架(槽式)50*50m439水平351536523热镀锌钢制桥架(槽式)100*50m5013水平4120553324热镀锌钢制桥架(槽式)100*50m266水平/隔板531409825热镀锌钢制桥架(槽式)100*50m126垂直/隔板53667826热镀锌钢制桥架(槽式)100*100m2413水平6716167127热镀锌钢制桥架(槽式)100*100m174垂直671165828热镀锌钢制桥架(托盘)150*100m152水平801216029热镀锌钢制桥架(槽式)150*100m753水平806024030热镀锌钢制桥架(槽式)150*100m43水平/双隔板116498831热镀锌钢制桥架(槽式)150*100m112垂直/隔板981097632热镀锌钢制桥架(槽式)150*150m802水平1008020033热镀锌钢制桥架(槽式)200*100m490水平964704034热镀锌钢制桥架(槽式)200*100m80垂直96768035热镀锌钢制桥架(槽式)200*150m1077水平11111954736热镀锌钢制桥架(托盘)200*150m682水平1127638437热镀锌钢制桥架(槽式)300*150m1460水平14421024038热镀锌钢制桥架(槽式)300*150m19垂直144273639热镀锌钢制桥架(托盘)300*150m1968水平14428339240热镀锌钢制桥架(梯式)400*150m60垂直160960041热镀锌钢制桥架(托盘)500*150m1275水平24130727542热镀锌钢制桥架(梯式)600*150m109垂直2012190943热镀锌钢制桥架(托盘)600*150m359水平30010770044热镀锌钢制桥架(梯式)800*150m109垂直2823073845热镀锌钢制桥架(托盘)800*150m838水平38932598246热镀锌钢制桥架(托盘)1000*150m45水平60427180合计暂定为(大写)人民币贰佰陆拾捌叁仟贰佰元整,¥2683200.00本合同综合单价为固定单价,在合同有效期内,上述综合单价不因市场、政策变化而变动;桥架中的弯头、三通、四通等均包含在桥架直段中,不再另行计量以上货物数量为暂定值,最终结算以甲方认定的实际发生的有效供货数量为准。4、乙方保证全部按照合同条款规定和货物交付时间向甲...

1、当您付费下载文档后,您只拥有了使用权限,并不意味着购买了版权,文档只能用于自身使用,不得用于其他商业用途(如 [转卖]进行直接盈利或[编辑后售卖]进行间接盈利)。
2、本站所有内容均由合作方或网友上传,本站不对文档的完整性、权威性及其观点立场正确性做任何保证或承诺!文档内容仅供研究参考,付费前请自行鉴别。
3、如文档内容存在违规,或者侵犯商业秘密、侵犯著作权等,请点击“违规举报”。

碎片内容

奥林匹克体育中心桥架供货合同

您可能关注的文档

确认删除?
VIP
微信客服
  • 扫码咨询
会员Q群
  • 会员专属群点击这里加入QQ群
客服邮箱
回到顶部