电脑桌面
添加小米粒文库到电脑桌面
安装后可以在桌面快捷访问

机械功与机械能试卷测试题附答案VIP免费

机械功与机械能试卷测试题附答案_第1页
1/9
机械功与机械能试卷测试题附答案_第2页
2/9
机械功与机械能试卷测试题附答案_第3页
3/9
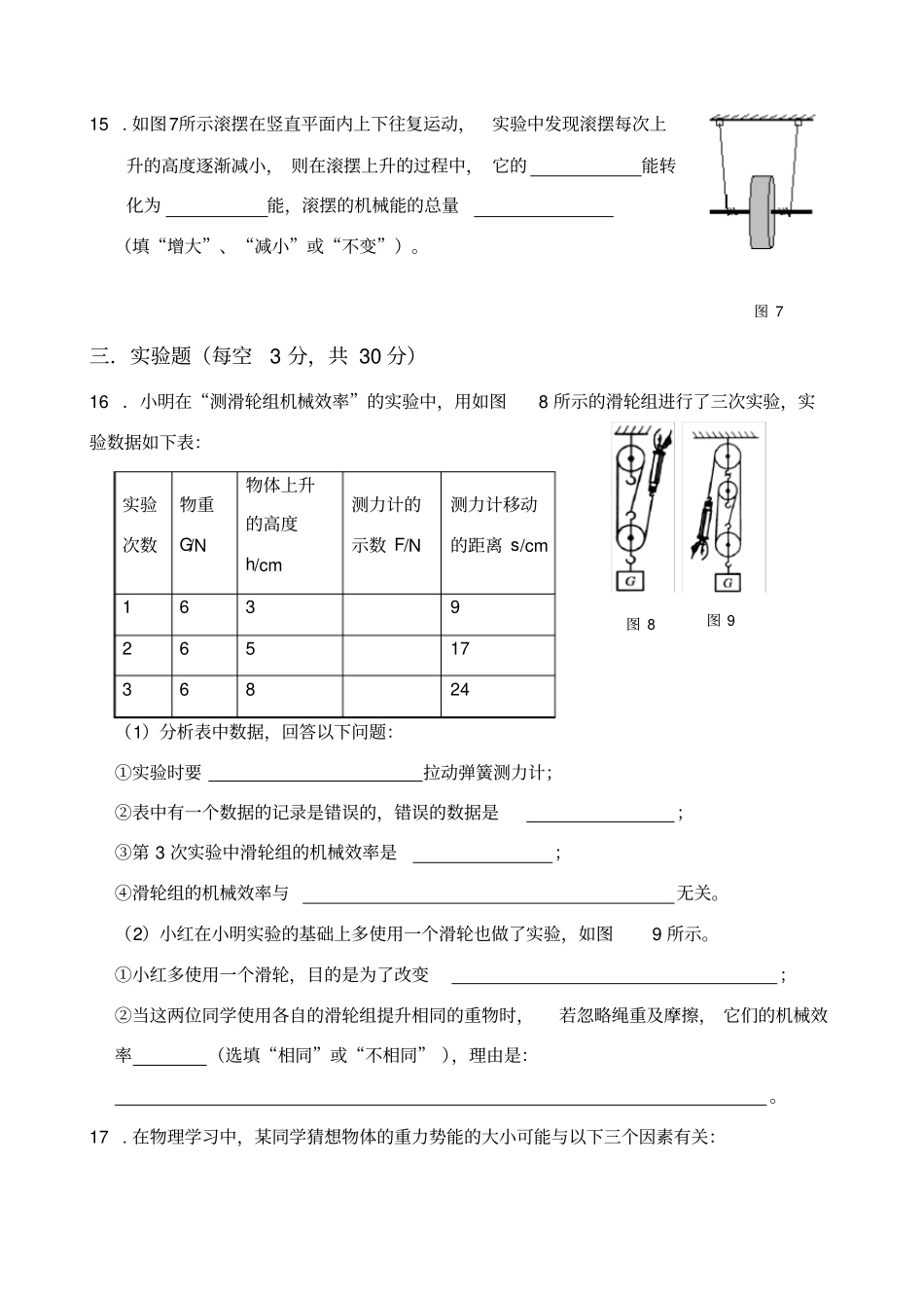
第十一章机械功与机械能试题班级姓名座号分数一、单项选择题(每题3分,共21分)1.林雨将掉在地上的物理课本捡回桌面,所做的功最接近于()A.B.C.2JD.20J2.图1所示四种情景中,人对物体做了功的是()3.水桶掉进水里,打捞时桶里带些水,下列所述中属于有用功的是()A.把桶中水提高做的功B.手对绳子拉力做的功C.提整个桶做的功D.把桶提高做的功4.如图2用同样的滑轮组分别提起质量相等的一个物体和两个物体,比较甲、乙两图,正确表示机械效率关系的是:()A.η甲=η乙B.η甲<η乙C.η甲>η乙D.无法比较5.当两台机器正常工作时,功率大的机器一定比功率小的机器()A做功多B做相同的功所用的时间多C做功快D相同的时间内做功少6.小文同学采用如图3所示的两种不同的方式将同一货物搬运到同一辆汽车上,其中说法正确的是()A.甲种方法克服重力做功多B.乙种方法更省力C.两种方法机械效率相等甲乙F乙F甲图1图2图3GGGD.两种情况下,货物机械能都增加7.今年入春以来,某市部分林区发生虫灾。为了灭虫,市政府多次调动直升飞机在重灾区上空喷洒农药。当飞机在某一高度水平匀速飞行喷洒农药的过程中,飞机的()A.动能减小,重力势能减小B.动能不变,重力势能不变C.动能减小,重力势能增大D.动能增大,重力势能减小二.填空题:(每空2分,共30分)(g=10N/kg)8.使用机械所做的功_______不用机械而直接用手所做的功,也就是使用任何机械__________,这个结论叫做功的原理。9.图4是2008年北京奥运会射击运动员射击比赛的图标,如果枪膛长30cm,火药在枪膛内对子弹的推力是100N,子弹离开枪膛后前进了50m,则火药对子弹所做的功是J。10.一个质量为50kg的人,在10s内连续向上跳12个台阶,已知每个台阶的高度为,则这个人在这段时间内的功率是。11.如图5两个体重相同的人甲和乙一起从一楼上到三楼,甲是跑步上楼,乙是慢步上楼.甲、乙两人所做的功W甲W乙,他们的功率P甲P乙。(填“大于”“小于”或“等于”)12.将一木箱推上长4m,高1m的斜面,所用的推力是300N,若斜面的机械效率为75%,则木箱重力为_________N。13.重50牛的的物体在水平支持面上做匀速直线运动,所受的阻力是20牛,则它受到的水平拉力是______N,若物体在水平方向上移动30米,则拉力对物体做了_________J的功,重力对物体做了__________J的功。14.如图6所示,在50N的水平拉力F作用下,重800N的物体沿水平地面做匀速直线运动,物体与地面间滑动摩擦力为120N.则滑轮组的机械效率为;若物体的速度为s,则5s内拉力做的功为J。图4图5图615.如图7所示滚摆在竖直平面内上下往复运动,实验中发现滚摆每次上升的高度逐渐减小,则在滚摆上升的过程中,它的能转化为能,滚摆的机械能的总量(填“增大”、“减小”或“不变”)。三.实验题(每空3分,共30分)16.小明在“测滑轮组机械效率”的实验中,用如图8所示的滑轮组进行了三次实验,实验数据如下表:实验次数物重G/N物体上升的高度h/cm测力计的示数F/N测力计移动的距离s/cm16392651736824(1)分析表中数据,回答以下问题:①实验时要拉动弹簧测力计;②表中有一个数据的记录是错误的,错误的数据是;③第3次实验中滑轮组的机械效率是;④滑轮组的机械效率与无关。(2)小红在小明实验的基础上多使用一个滑轮也做了实验,如图9所示。①小红多使用一个滑轮,目的是为了改变;②当这两位同学使用各自的滑轮组提升相同的重物时,若忽略绳重及摩擦,它们的机械效率(选填“相同”或“不相同”),理由是:。17.在物理学习中,某同学猜想物体的重力势能的大小可能与以下三个因素有关:图8图9图7①物体高度,②物体质量大小,③物体所处地理位置。为了证明自己的猜想,首先决定对因素①进行验证.他把橡皮泥平铺在水平面上,让1个小球从不同高度自由下落,记录结果如表所示(1)该同学判断重力势能大小的依据;(2)本实验的结论是;(3)若想对因素②进行验证,你认为应怎样做。四.计算题(本大题2小题,第一题10分,第二题9分,共19分)18.如图11所示,物体重180N,动滑轮重20N,绳重和摩擦不计.在拉力F的作用下,物体正以s的速度匀速上升.求:(1)拉力F;(2)拉力做功的功率;(3...

1、当您付费下载文档后,您只拥有了使用权限,并不意味着购买了版权,文档只能用于自身使用,不得用于其他商业用途(如 [转卖]进行直接盈利或[编辑后售卖]进行间接盈利)。
2、本站所有内容均由合作方或网友上传,本站不对文档的完整性、权威性及其观点立场正确性做任何保证或承诺!文档内容仅供研究参考,付费前请自行鉴别。
3、如文档内容存在违规,或者侵犯商业秘密、侵犯著作权等,请点击“违规举报”。

碎片内容

机械功与机械能试卷测试题附答案

确认删除?
VIP
微信客服
  • 扫码咨询
会员Q群
  • 会员专属群点击这里加入QQ群
客服邮箱
回到顶部