电脑桌面
添加小米粒文库到电脑桌面
安装后可以在桌面快捷访问

机械类CAD测试试卷VIP免费

机械类CAD测试试卷_第1页
1/4
机械类CAD测试试卷_第2页
2/4
机械类CAD测试试卷_第3页
3/4
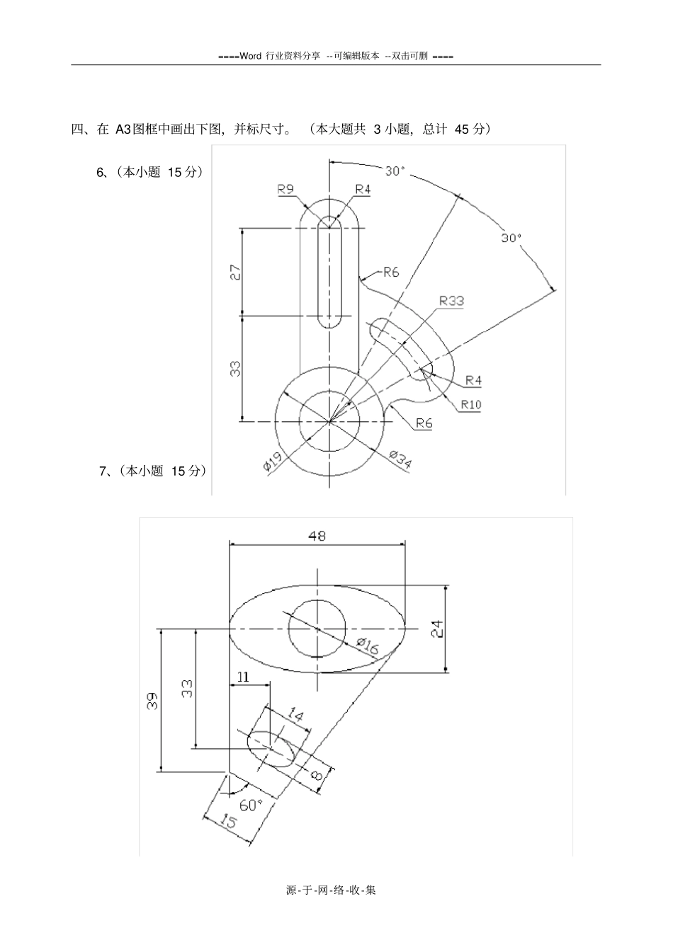
====Word行业资料分享--可编辑版本--双击可删====源-于-网-络-收-集机械cad基础测试试题一、作图环境设置(本大题共2小题,总计10分)1、按下表设置图层,作图时各图元按不同用途置于相应图层中。(5分)图层颜色线型应用产品层whiteContinuous画粗实线中心线RedCenter画中心线尺寸BlueContinuous画文本、尺寸标注虚线层BlueDashed画虚线其他GreenContinuous其他2、设置两种文字样式(5分)(1)WZ(仿宋体,用于汉字输入)。(2)CB(TXT.SHX字体,用于尺寸标注).二、利用以下信息绘制标准A2图框,保存文件名学号姓名(如:35张三)存盘。(本大题共1小题,总计10分)3、255101020210X297420X594297X420594X841841X1189A4A2A3A1A0aceBXL幅面代号====Word行业资料分享--可编辑版本--双击可删====源-于-网-络-收-集三、用A3图框中画出下图(不标尺寸)。(本大题共2小题,总计20分)4、(本小题10分)5、(本小题10分)====Word行业资料分享--可编辑版本--双击可删====源-于-网-络-收-集四、在A3图框中画出下图,并标尺寸。(本大题共3小题,总计45分)6、(本小题15分)7、(本小题15分)====Word行业资料分享--可编辑版本--双击可删====源-于-网-络-收-集8、(本小题15分)五、在A3图框中画轴零件并标尺寸。(本大题共1小题,总计15分)9、(本小题15分)

1、当您付费下载文档后,您只拥有了使用权限,并不意味着购买了版权,文档只能用于自身使用,不得用于其他商业用途(如 [转卖]进行直接盈利或[编辑后售卖]进行间接盈利)。
2、本站所有内容均由合作方或网友上传,本站不对文档的完整性、权威性及其观点立场正确性做任何保证或承诺!文档内容仅供研究参考,付费前请自行鉴别。
3、如文档内容存在违规,或者侵犯商业秘密、侵犯著作权等,请点击“违规举报”。

碎片内容

机械类CAD测试试卷

文库响当当+ 关注
实名认证
内容提供者

该用户很懒,什么也没介绍

确认删除?
VIP
微信客服
  • 扫码咨询
会员Q群
  • 会员专属群点击这里加入QQ群
客服邮箱
回到顶部