电脑桌面
添加小米粒文库到电脑桌面
安装后可以在桌面快捷访问

桩基桩长的计算VIP免费

桩基桩长的计算_第1页
1/6
桩基桩长的计算_第2页
2/6
桩基桩长的计算_第3页
3/6
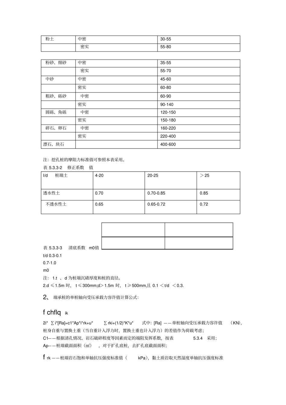
一、桩基的类别针对界溪段桥梁下部构造施工图中存在两类桩:端承桩和摩擦桩。端承桩:桩基自身重及桩顶以上荷载由桩端持力层承受。摩擦桩:桩基自身重及及桩顶以上荷载由桩基周身与岩土摩擦阻力承受。二、单桩基桩长理论计算公式及相关参数表1、摩擦桩单桩承载力容许值计算公式:l+Ap*Qr∑Qik*i[Ra]=(1/2)*u*mfao]+k2*R*(h-3)Qr=0*K*[式中:[Ra]——单桩轴向受压承载力容许值(KN),桩身自重与置换土重(当自重计入浮力时置换土重也计入浮力)的差值作为荷载考虑;u——桩身周长(m)Ap——桩端截面面积(㎡)n——土的层数(注:公式中未写出)Li——承台底面或局部冲刷线以下各土层的厚度(m),扩孔部分不计;Qik——与Li对应的各土层与桩侧的摩阻力标准值(kPa),宜采用单桩摩阻力实验确定,当无实验条件时按表5.3.3-1选用;Qr——桩端处土的承载力基本容许值(kPa),当持力层为砂石、碎石土时,若计算值超过下列值,宜采用:粉砂1000kP;细砂1150kP;中砂、粗砂、砾砂1450kP;碎石土2750kP;fao]——桩端处土的承载力基本容许值(kPa),[按《公路桥涵地基及基础设计规范》第3.3.3条确定;h——桩端的埋置深度(m),对于有冲刷的桩基,埋深由一般冲刷线起算;对无冲刷的桩基,埋深由天然地面线或实际开挖后的地面线算起;h的计算值不大于40m,当大于40m时,按40m计算;k2——容许承载力随深度的修正系数,根据桩端处持力层土类按《公路桥涵地基及基础设计规范》3.3.4选用;K——桩端以上各土层的加权平均重度(kN/m3),若持力层在水位以下且不透水时,不论桩端以上土层的透水性如何,一律取饱和重度;当持力层透水时,则水中部分土层取浮重度;R——修正系数,按表5.3.3-2选用;m0——清底系数,按表5.3.3-3选用。表5.3.3-1钻孔桩桩侧土的摩阻力标准值Qik土类Qik(kPa)中密炉渣、粉煤灰40-60黏性土Il>I流塑20-300.75软塑<Il≤I30-50Il<≤o.750可塑、硬塑50-80Il坚硬≤080-120粉土中密30-55密实55-80粉砂、细砂中密35-55密实55-70中砂中密45-60密实60-80粗砂、砾砂中密60-90密实90-140圆砾、角砾中密120-150密实150-180碎石、卵石中密160-220密实220-400漂石、块石400-600注:挖孔桩的摩阻力标准值可参照本表采用。表5.3.3-2修正系数值I/d桩端土4-2020-25>25透水性土0.700.70-0.850.85不透水性土0.650.65-0.720.72表5.3.3-3清底系数m0值t/d0.3-0.10.7-1.0m0注:1.t、d为桩端沉碴厚度和桩的直径。2.d≤1.5m时,t≤300mm;d>1.5m时,t≥500mm,且0.1<t/d<0.3.2、端承桩的单桩轴向受压承载力容许值计算公式:fchflqik2i*∑i*[Ra]=c1*Ap*i*rk+u*∑rki+(1/2)*K*u*式中:[Ra]——单桩轴向受压承载力容许值(KN),桩身自重与置换土重(当自重计入浮力时,置换土重也计入浮力)的差值作为荷载考虑;C1——根据清孔情况、岩石破碎程度等因素而定的端阻发挥系数,按表5.3.4采用;Ap——桩端截面面积(㎡),对于扩孔底桩,去扩孔底截面面积;frk——桩端岩石饱和单轴抗压强度标准值(kPa),黏土质岩取天然湿度单轴抗压强度标准fffrk值);为第i层的值,2MPark小于时按摩擦桩计算(rkic2i——根据清孔情况、岩石破碎程度等因素而定的第i层岩层的侧阻力发挥系数,按表5.3.4采用;u——各土层或各岩层部分的桩身周长(m);hi——桩嵌入各岩层部分的厚度(m),不包括强风化层和全风化层;——岩层的层数,不包括强风化层和全风化层;mffrk<15MPa2MPa≤时,K——覆盖层土的侧阻力发挥系数,根据桩端Krk确定:当ffrk>30MPa时,K=0.2;rk<30MPa时,K=0.5;当15MPa=0.8;当≤li——各土层的厚度(m);qik——桩侧第i层土的侧阻力标准值(kPa),宜采用单桩摩阻力实验值,当无实验条件时,对于钻(挖)孔桩按本规范表5.3.3-1选用,对于沉桩按本规范表5.3.3-4选用;n——土层的层数,强风化和全风化岩层按土层考虑。表5.3.4系数C1、C2值岩石层情况C1C2完整、较完整0.60.05较破碎0.50.04破碎、极破碎0.40.03注:1.当入岩深度小于或等于0.5m时,C1乘以0.75的折减系数,C2=0.2.对于钻孔桩,系数C1,C2值应降低20℅采用;桩端沉碴厚度t应满足以下要求:d≤1.5m时,t≤50mm;d>1.5m时,...

1、当您付费下载文档后,您只拥有了使用权限,并不意味着购买了版权,文档只能用于自身使用,不得用于其他商业用途(如 [转卖]进行直接盈利或[编辑后售卖]进行间接盈利)。
2、本站所有内容均由合作方或网友上传,本站不对文档的完整性、权威性及其观点立场正确性做任何保证或承诺!文档内容仅供研究参考,付费前请自行鉴别。
3、如文档内容存在违规,或者侵犯商业秘密、侵犯著作权等,请点击“违规举报”。

碎片内容

桩基桩长的计算

文库当当响+ 关注
实名认证
内容提供者

该用户很懒,什么也没介绍

确认删除?
VIP
微信客服
  • 扫码咨询
会员Q群
  • 会员专属群点击这里加入QQ群
客服邮箱
回到顶部