电脑桌面
添加小米粒文库到电脑桌面
安装后可以在桌面快捷访问

检验科UPS电源方案及参数VIP免费

检验科UPS电源方案及参数_第1页
1/3
检验科UPS电源方案及参数_第2页
2/3
检验科UPS电源方案及参数_第3页
3/3
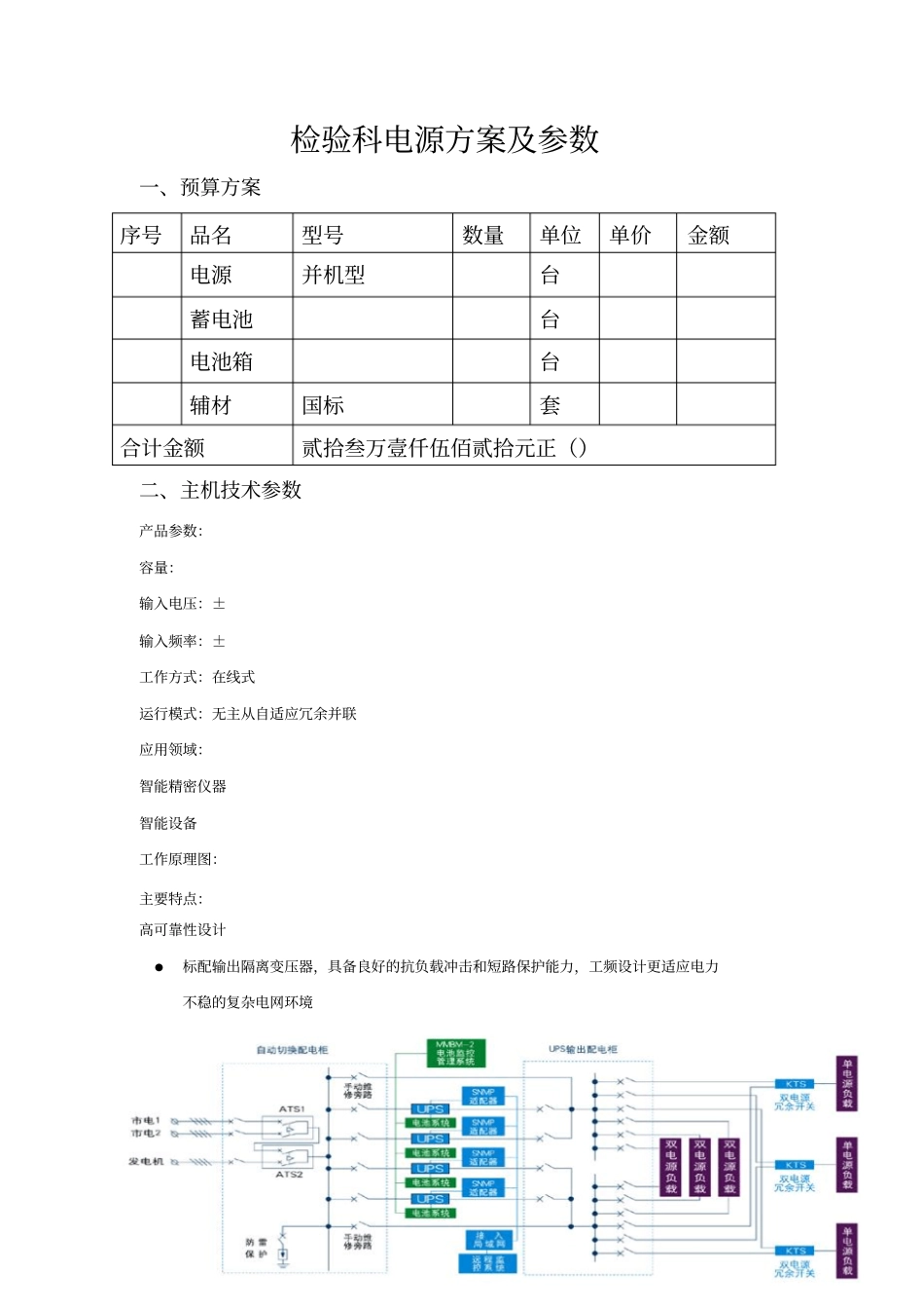
检验科电源方案及参数一、预算方案序号品名型号数量单位单价金额电源并机型台蓄电池台电池箱台辅材国标套合计金额贰拾叁万壹仟伍佰贰拾元正()二、主机技术参数产品参数:容量:输入电压:±输入频率:±工作方式:在线式运行模式:无主从自适应冗余并联应用领域:智能精密仪器智能设备工作原理图:主要特点:高可靠性设计●标配输出隔离变压器,具备良好的抗负载冲击和短路保护能力,工频设计更适应电力不稳的复杂电网环境2/5●采用自主专利的无主从自适应并机技术,根据业务发展任意进行在线升级或扩容,满足“边成长、边建设”需求:各并联设备无主从之分,避免单一故障点不同功率不同型号可任意并联无需任何附件可实现并联理论上无并机数量限制高性能设计●双全数字化控制,整机精度高,运算速度更快;●宽范围电压输入设计,市电输入范围可达±,允许的市电频率可达~,特点适用于中国电网环境标配灵活的组网监控管理功能通过数据通讯接口、网络适配器,配合智能监控软件,让用户对的运行情况了如指掌人性管理维护简便中英文液晶显示,可实时记录工作状态、参数信息等,方便用户对的管理:、停电来电时刻记录、深度放电(达到以上)次数、旁路时刻记录、各种告警记录、参数异常记录、条保护动作历史记录等绿色环保●符合国家标准电磁兼容特性(),降低、避免各类辐射、传导干扰,构建纯净电网环境完善的整机保护功能●逆变输出短路保护●市电输入高压保护●输出高低压保护●电池极性反接保护●过温保护(整流器、逆变器、静态旁路)●过载保护3/5●电池过充保护●手动维护开关误操作保护自主专利智能电池管理功能●无风险双模式电池在线测试功能●充电电压温度补偿功能●电池放电终止电压智能调节功能●电池极性反接保护和告警●电池定期自动放电激活●自动设定充电电池功能●重要操作密码锁定●自主专利智能化电池监控管理系统·实时监测电压、电流、电池温度等·智能分析电池工作状态·系统异常声光告警·实时状态记录保存功能·、接口远程监控功能·休眠唤醒功能·管理方便,安装简便●输入隔离变压器●旁路隔离变压器●无源量身定制端到端电源解决方案每个用户的网络特点、电力环境都不相同,电力保护要求也随之变化,通过科华的定制化端到端综合解决方案,专业化方案实施能力和主动式三级服务体系,让您的供电系统更安全、更可靠。端到端电源解决方案配置:·配电系统:发电机(市电)、双电源自动切换()、自动切换配电柜、配电改造·不间断电源系统:()单机与并机系统方案、蓄电池系统、-电池监控管理系统·监控系统:远程集中监控系统·防雷系统:按照防护等级,实施防雷工程

1、当您付费下载文档后,您只拥有了使用权限,并不意味着购买了版权,文档只能用于自身使用,不得用于其他商业用途(如 [转卖]进行直接盈利或[编辑后售卖]进行间接盈利)。
2、本站所有内容均由合作方或网友上传,本站不对文档的完整性、权威性及其观点立场正确性做任何保证或承诺!文档内容仅供研究参考,付费前请自行鉴别。
3、如文档内容存在违规,或者侵犯商业秘密、侵犯著作权等,请点击“违规举报”。

碎片内容

检验科UPS电源方案及参数

爱的疯狂+ 关注
实名认证
内容提供者

该用户很懒,什么也没介绍

确认删除?
VIP
微信客服
  • 扫码咨询
会员Q群
  • 会员专属群点击这里加入QQ群
客服邮箱
回到顶部