电脑桌面
添加小米粒文库到电脑桌面
安装后可以在桌面快捷访问

江苏淮安高二物理上学期期末考试VIP免费

江苏淮安高二物理上学期期末考试_第1页
1/6
江苏淮安高二物理上学期期末考试_第2页
2/6
江苏淮安高二物理上学期期末考试_第3页
3/6
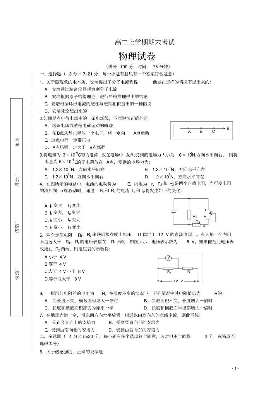
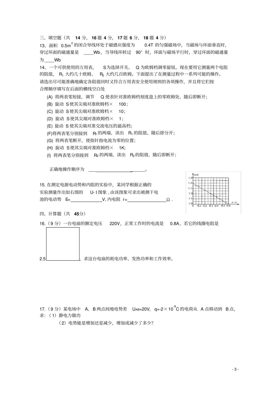
-1-高二上学期期末考试物理试卷(满分100分,时间:75分钟)一、选择题(3分×7=21分,每一小题有且只有一个答案符合题意)1、关于磁现象的电本质,安培提出了分子电流假说.他是在怎样的情况下提出来的:A.安培通过精密仪器观察到分子电流B.安培根据原子结构理论,进行严格推理得出的结论C.安培根据环形电流的磁性与磁铁相似提出的一种假说D.安培凭空想出来的2.如图是点电荷电场中的一条电场线,下面说法正确的是:A.这条电场线就是电荷运动的轨迹B.在B点从静止释放一个电子,将一定向A点运动C.这点电荷一定带正电D.A点场强一定大于B点场强3.将电量为3×10-6C的负电荷,放在电场中A点,受到的电场力大小为6×10-3N,方向水平向右,则将电量为6×10-6C的正电荷放在A点,受到的电场力为:A.1.2×10-2N,方向水平向右B.1.2×10-2N,方向水平向左C.1.2×102N,方向水平向右D.1.2×102N,方向水平向左4、在图所示的电路中,电池的电动势为E,内阻为r,R1和R2是两个定值电阻,当可变电阻的滑片向a端移动时,通过R1和R2的电流I1和I2将发生如下的变化:A.I1变大,I2变小B.I1变大,I2变大C.I1变小,I2变大D.I1变小,I2变小5、两个定值电阻R1、R2串联后接在输出电压U稳定于12V的直流电源上。有人把一个内阻不是远大于R1、R2的电压表接在R1两端,如图所示,电压表示数为8V。如果他把此电压表改接在R2两端,则电压表的示数将:A.小于4VB.等于4VC.大于4V小于8VD.等于或大于8V6、一根均匀电阻丝的电阻为R,在温度不变的情况下,下列情况中其电阻值仍为R的:A.当长度不变,横截面积增大一倍时B.当截面积不变,长度增大一倍时C.长度和横截面积都变为原来一半D.长度和横截面半径都增大一倍时7、在地球赤道上空,沿东西方向水平放置一根通以由西向东的直线电流,则此导线:A.受到竖直向上的安培力B.受到竖直向下的安培力C.受到由南向北的安培力D.受到由西向东的安培力二、多选题(4分×5=20分,每小题有多个选项符合题意,选对但不全的得2分,选错或不选得零分)8、关于磁感强度,正确的说法是:R2R1Rab12VRR12V学校:班级:姓名:考号-2-A.根据定义式ILFB,磁场中某点的磁感强度B与F成正比,与IL成反比;B.磁感强度B是矢量,方向与F的方向相同;C.B是矢量,方向与通过该点的磁感线的切线方向相同;D.在确定的磁场中,同一点的B是确定的,不同点的B可能不同,磁感线密的地方B大些,磁感线疏的地方B小些.9、如图所示是一个三输入端复合门电路,当C端输入1,输出端Y输出1时,A、B端的输入分别可能是:A、0、0B、0、1C、1、0D、1、110、图中为一“速度选择器”原理示意图。a、b为水平放置的平行金属板,一束具有各种不同速率的电子沿水平方向经小孔O进入a、b两板之间。为了选取具有某种特定速率的电子,可在a、b间加上电压,并沿垂直于纸面的方向加一匀强磁场,使所选电子仍能够沿水平直线OO'运动,由O'射出。不计重力作用。可能达到上述目的的办法是:A.使a板电势高于b板,磁场方向垂直纸面向里B.使a板电势低于b板,磁场方向垂直纸面向里C.使a板电势高于b板,磁场方向垂直纸面向外D.使a板电势低于b板,磁场方向垂直纸面向外11、如图所示为两电阻R1和R2的伏安特性曲线。若在两电阻两端加相同的电压,关于它们的电阻值及发热功率比较正确的是:A.电阻R1的阻值较大B.电阻R2的阻值较大C.电阻R1的发热功率较大D.电阻R2的发热功率较大12、如图所示,回旋加速器D形盒的半径为R,用来加速质量为m,电量为q的质子,质子每次经过电场区时,都恰好在电压为U时并被加速,且电场可视为匀强电场,使质子由静止加速到能量为E后,由A孔射出。下列说法正确的是:A.D形盒半径R、磁感应强度B不变,若加速电压U越高,质子的能量E将越大B.磁感应强度B不变,若加速电压U不变,D形盒半径R越大、质子的能量E将越大C.D形盒半径R、磁感应强度B不变,若加速电压U越高,质子的在加速器中的运动时间将越长D.D形盒半径R、磁感应强度B不变,若加速电压U越高,质子的在加速器中的运动时间将越短选择题答题纸:(请将选择题的正确答案填到下表对应方格中)题号123456789101112答案-3-三、填空题(共14分,16题4分,17题6...

1、当您付费下载文档后,您只拥有了使用权限,并不意味着购买了版权,文档只能用于自身使用,不得用于其他商业用途(如 [转卖]进行直接盈利或[编辑后售卖]进行间接盈利)。
2、本站所有内容均由合作方或网友上传,本站不对文档的完整性、权威性及其观点立场正确性做任何保证或承诺!文档内容仅供研究参考,付费前请自行鉴别。
3、如文档内容存在违规,或者侵犯商业秘密、侵犯著作权等,请点击“违规举报”。

碎片内容

江苏淮安高二物理上学期期末考试

确认删除?
VIP
微信客服
  • 扫码咨询
会员Q群
  • 会员专属群点击这里加入QQ群
客服邮箱
回到顶部