电脑桌面
添加小米粒文库到电脑桌面
安装后可以在桌面快捷访问

海上现浇混凝土施工技术总结31VIP免费

海上现浇混凝土施工技术总结31_第1页
1/25
海上现浇混凝土施工技术总结31_第2页
2/25
海上现浇混凝土施工技术总结31_第3页
3/25
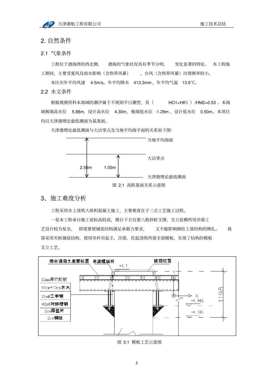
天津港航工程有限公司施工技术总结1海上现浇承台施工技术总结赵晶伟王烁(天津港航工程有限公司第三项目经理部)摘要:本项工程的水上混凝土的浇筑工艺非常具有代表性,即展示了此类工程的施工工艺,又对一些常见的问题进行了解决,本工程于2015年8月12日完成全部施工任务,质量满足规范和设计要求。关键词:墩台海上现浇吊机组搅拌船1.工程概况在天津大神堂浅海活牡蛎礁独特生态系统保护与修复项目(核心区警示灯塔及监控系统)施工中,桩基上部墩台部分,作为海上大体积混凝土施工工艺,混凝土内外温度控制较难,容易造成开裂等质量问题。且劳动力需求量较大,涉及到专业较多,钢筋加工制作需在水上方驳上完成,底模板安装和拆除难度大,整体质量控制难度较大。混凝土承台为钢筋混凝土结构,长10m,宽10m,厚度为1.5m,面积为100㎡,混凝土浇筑方量为213㎡。施工内容主要包括墩台模板底板的支立,钢筋的绑扎与安装,侧模的支立,混凝土浇筑。上部护轮坎结构也作为栏杆基础,25cm高,长35.3m,共包含2.4m3混凝土。整个承台结构混凝土分两次进行浇筑,第一次浇筑50cm,第二次浇筑剩余1m承台、护轮坎及上部结构立柱。图1.1工程位置平面图天津港航工程有限公司施工技术总结22.自然条件2.1气象条件工程位于渤海湾的西北侧,渤海的气象状况具有季节分明、变化显著的特征。本工程施工期间,主要受夏风及雨水影响(含热带风暴),台风(含热带风暴)出现频率较小。本区历年平均风速4.5m/s。年平均降水413.3mm,年平均气温13.6℃。2.2水文条件根据观测资料本海域的潮汐属于不规则半日潮型,其(HO1+HK1)/HM2=0.53。本海域极端高水位5.88m,设计高水位4.30m,极端低水位-1.29m,设计低水位0.50m。本项目均以天津港理论最低潮面为基准面。天津港理论最低潮面与大沽零点及当地平均海平面的关系如下图:当地平均海面大沽零点2.56m1.00m天津港理论最低潮面图2.1高程基面关系示意图3、施工难度分析工程采用水上浇筑大体积混凝土施工,主要难度在于三点工艺施工过程。一是本工程承台施工底标高较高,墩台下方仅靠八根斜桩支撑,支立底模所用吊梁工艺设计较为复杂,即需要使铺底结构满足承载力要求,又不能影响钢柱上部结构的绑扎。我部采用夹桩铺底结构,使用吊杆吊起主、次梁,托起浇筑所需全部模板,实现了结构的模板支立工艺。图3.1模板工艺示意图天津港航工程有限公司施工技术总结3二是本工程混凝土浇筑需要在海上进行,且墩台结构体积较大,海上浇筑存在一定难度,首先是浇筑方式,既采用何种方式进行混凝土的材料运输及浇筑,还必须需要考虑较大体积混凝土内部散热问题,避免混凝土开裂。为解决此点,我部多次讨论后决定,浇筑方式采用海上拌合船现场拌合,砂石等材料由拌合船所配方驳运输至施工现场,混凝土采取两次浇筑的方式,一是为上文“吊底”结构减轻压力,二是解决了混凝土浇筑厚度太大不利于散热的问题。图3.2搅拌船实物图4、设备选择⑴方驳吊机组本工程承台结构考虑使用方驳吊机组进行施工,另承台结构所用钢筋及材料均采用此方驳吊机组进行运输。由于承台施工主要起吊零星材料,故选择吊机主要考虑承台施工所需吊高及长度,经多方选择,选用中联QUY80t履带吊机,与1500t方驳“冀盈海087”后组装成方驳吊机组。履带吊臂长46m。在方驳前部中间部位,按照履带吊履带位置,在甲板上焊接20mm厚钢板(长9m、宽2.84m),履带吊爬作为斜支撑加到钢板上后进行加固,履带底部满铺3cm厚木板用于防滑。在履带前后立焊25#槽钢,并焊接20#槽钢以固定;两条履带两侧分别立焊25#槽钢各4根(高度以不影响吊机旋转作业为准),并以14#槽钢进行连接压焊在吊机履带下,立焊槽钢两侧焊20#槽钢作为斜支撑。天津港航工程有限公司施工技术总结4图4.1履带吊吊重曲线图4.2方驳吊机组实物图⑵拌合船墩台部分混凝土浇筑共约213m3,其中包括桩芯浇筑约50m3,墩台主体部分混凝土150m3,护轮坎约3m3。现浇墩台厚度为1.5m,由于混凝土体积较大,且按照设计中基桩深入墩台中10cm,所以墩台混凝土必须在海上进行浇筑,为保证浇筑效果,计划采用分步浇注工艺,浇注砼考虑采用水上拌合船现场拌合并泵送砼。水上浇筑混...

1、当您付费下载文档后,您只拥有了使用权限,并不意味着购买了版权,文档只能用于自身使用,不得用于其他商业用途(如 [转卖]进行直接盈利或[编辑后售卖]进行间接盈利)。
2、本站所有内容均由合作方或网友上传,本站不对文档的完整性、权威性及其观点立场正确性做任何保证或承诺!文档内容仅供研究参考,付费前请自行鉴别。
3、如文档内容存在违规,或者侵犯商业秘密、侵犯著作权等,请点击“违规举报”。

碎片内容

海上现浇混凝土施工技术总结31

您可能关注的文档

确认删除?
VIP
微信客服
  • 扫码咨询
会员Q群
  • 会员专属群点击这里加入QQ群
客服邮箱
回到顶部