电脑桌面
添加小米粒文库到电脑桌面
安装后可以在桌面快捷访问

混凝土试块留置方案VIP免费

混凝土试块留置方案_第1页
1/13
混凝土试块留置方案_第2页
2/13
混凝土试块留置方案_第3页
3/13
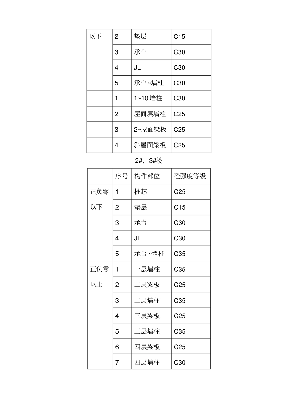
目录第一章编制依据..................................................第二章工程概况..................................................一、工程设计情况.............................................二、各部位砼结构强度.........................................第三章混凝土结构工程试块取样与留置..............................一、试块的取样留置...........................................二、留置部位.................................................三、试块制作.................................................四、试块养护.................................................五、试件送检.................................................六、质量保证措施.............................................第一章编制依据1、混凝土结构工程施工质量验收规范《GB50204-2002》2、施工图纸3、混凝土强度检验评定标准第二章工程概况工程名称:田林县水利电业有限公司职工限价商品房工程地点:田林县乐里镇百花寨囊马坡建设单位:田林县水利电业有限公司勘察单位:百色市综合规划设计院设计单位:中物联规划设计研究院有限公司监理单位:广西宇成工程管理有限公司施工单位:广西华宇建工有限责任公司一、工程设计情况田林县水利电业有限公司职工限价商品房,共三栋单体建筑,总建筑面积。1#楼10层,建筑高度米;2#、3#楼各13层,建筑高度米。采用人工挖孔桩基础、剪力墙结构,抗震等级四级,设计使用年限五十年。二、各部位砼结构强度1#楼序号构件部位砼强度等级正负零1桩芯C25以下2垫层C153承台C304JLC305承台~墙柱C3011~10墙柱C302屋面层墙柱C2532~屋面梁板C254斜屋面梁板C252#、3#楼序号构件部位砼强度等级正负零以下1桩芯C252垫层C153承台C304JLC305承台~墙柱C35正负零以上1一层墙柱C352二层梁板C253二层墙柱C354三层梁板C255三层墙柱C356四层梁板C257四层墙柱C308五层梁板C259五层墙柱C3010六层梁板C2511六层墙柱C3012七层梁板C2513七层墙柱C2514八层梁板C2515八层墙柱C2516九层梁板C2517九层墙柱C2518十层梁板C2519十层墙柱C252011层梁板C252111层墙柱C252212层梁板C252312层墙柱C252413层梁板C252513层墙柱C2526屋面层梁板C2527屋面层墙柱C2528斜屋面梁板C25第三章混凝土结构工程试块取样与留置一、试块的取样留置本工程采用自拌混凝土,根据混凝土结构工程施工质量验收规范《GB20204-2002》规定:混凝土的强度等级必须符合设计要求,结构构件混凝土强度的试件,应在混凝土的浇筑地点随机抽取。1、标准养护试件留置应符合下列规定:(1)每拌制100盘且不超过100m(2)同配合比的混凝土,取样不得少于一次。(3)每工作班拌制的同一配合比的混凝土不足100盘时,取样不得少于一次。?(4)当一次连续浇筑超过1000?m3时,同一配合比的混凝土每200?m3取样不得少于一次。?(5)每一楼层、同一配合比的混凝土,取样不得少于一次。2、同条件养护试件留置应符合下列规定:(1)对混凝土结构工程中的各混凝土强度等级,均应留置同条件养护试件。(2)同一强度等级的同条件养护试件,其留置的数量应根据混凝土工程量和重要性确定,不宜少于10组,且不少于3组。?(3)同条件养护试件拆模后,应放置在靠近相应结构构件或结构部位的适当位置,并应采取相同的养护方法。二、留置部位1#楼序构件砼标号具体部位标养同养拆模号1桩芯C25每根桩各一组22组2承台、基础梁C301*G、6*E2组2组3基础至正负零墙柱C301*G1组1组4一层柱C302*G1组1组5一层梁柱节点C302*G1组1组6二层梁板C251-2*G-F1组1组1组7二层柱C302*E轴1组1组8二层梁柱节点C302*E轴1组1组9三层梁板C252-4*B-E1组1组1组10三层柱C304*E1组1组11三层梁柱节点C304*E1组1组12四层梁板C254-6*C-E1组1组1组13四层柱C306*E1组1组14四层梁柱节点C306*E1组1组15五层梁板C256-7*A-E1组1组1组16五层柱C309*E1组1组17五层梁柱节点C309*E1组1组18六层梁板C259-11*C-E1组1组1组19六层柱C306*B1组1组20六层梁柱节点C306*B1组1组21七层梁板C252-6*A-B1组1组1组22七层柱C309*B1组1组23七层梁柱节点C309*B1组1组24八层梁板C259-10*H...

1、当您付费下载文档后,您只拥有了使用权限,并不意味着购买了版权,文档只能用于自身使用,不得用于其他商业用途(如 [转卖]进行直接盈利或[编辑后售卖]进行间接盈利)。
2、本站所有内容均由合作方或网友上传,本站不对文档的完整性、权威性及其观点立场正确性做任何保证或承诺!文档内容仅供研究参考,付费前请自行鉴别。
3、如文档内容存在违规,或者侵犯商业秘密、侵犯著作权等,请点击“违规举报”。

碎片内容

混凝土试块留置方案

您可能关注的文档

确认删除?
VIP
微信客服
  • 扫码咨询
会员Q群
  • 会员专属群点击这里加入QQ群
客服邮箱
回到顶部