电脑桌面
添加小米粒文库到电脑桌面
安装后可以在桌面快捷访问

清洁验证方案VIP免费

清洁验证方案_第1页
1/14
清洁验证方案_第2页
2/14
清洁验证方案_第3页
3/14
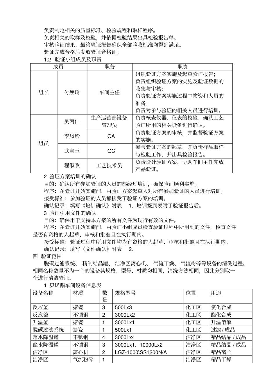
一引言1概述贝诺酯合成车间生产设备均为专用型设备,专门用于单一品种、同一规格原料药的生产,各类型设备均制定有详细、完善的设备清洁规程和清洁记录,在生产工艺过程中与成品质量关系密切的清洗过程包括:氯化反应罐、酯化反应罐、离心机、板框压滤机、脱碳过滤系统、精制结晶罐、洁净区离心机、干燥箱、粉碎机、二维混合机等设备的清洗。同时,对洁净区的清洁进行验证,确认洁净厂房的清洁效果。本验证即针对以上关键环节的清洁规程和清洁效果进行清洁验证。2目的通过对反应罐、离心机、脱碳过滤系统、精制结晶罐、洁净区离心机、气流干燥、气流粉碎等设备清洗过程的检查和监测,证明已经制定的设备清洁规程切实可行,能够达到保证药品质量的目标,文件资料符合GMP的管理要求,并为设备清洁规程的进一步修改和完善提供资料和依据。3验证类别本次验证为同步验证。二参考资料本文件参考了以下标准和指南:1.中华人民共和国药典(2010版)2.GMP(2010年修订版)3.药品GMP指南4.药品生产验证指南(2003版)三验证准备1验证人员及职责1.1各部门的验证职责质量负责人:批准验证方案、验证报告。生产负责人:审核验证方案、验证报告。生产运营部职责:审核验证方案、验证报告。提供公用系统保证。提供设备维修保证。针对不一致项界定解决办法。负责测量仪器的校验,并提供校验证书。生产车间职责:起草、审核验证方案、验证报告。组织实施验证方案。收集相关数据,编写相关的验证报告。对参与验证的人员完成必需的的培训。指定操作人员,对生产设备进行操作,清洁和维护保养。确定最终的SOP。质量管理部职责:负责审核验证方案。负责监督严格按照验证方案及所依据文件规定方法和标准实施验证。负责对验证过程中户县的偏差和变更评价和处理。维护全部受控的文件符合法规。负责制定相关的质量标准、检验规程和取样程序。负责相关的取样及校验,并依据检验结果出具检验报告单。审核验证结果、最终验证报告确保全部验收标准均得到满足。验证完成合格后发放验证合格证。1.2验证小组成员及职责成员职务职责组长付焕玲车间主任组织验证方案实施及起草验证报告;负责组织验证方案的实施及验证数据的收集与审核;负责验证方案实施过程中物资和人员的准备;负责对参与验证的相关人员进行培训。组员吴丙仁生产运营部设备管理员负责核查仪器、仪表的校验、确认工艺验证所用的相关设备进行确认。李凤珍QA负责验证方案的审核,并监督验证方案的实施。武宝玉QC参与验证方案的起草,并负责样品取样与检验工作,并出具检验报告。程淑改工艺技术员负责设计验证方案,协助车间主任完成产品验证。2验证方案培训的确认目的:确认所有参加验证的人员的都经过培训,确保验证顺利实施。程序:在验证开始实施前,由验证方案起草人对所有参加验证的人员进行培训。接受标准:参加验证的人员都接受了验证方案的培训。确认记录:填写《培训确认》附表1,培训签到表附于验证报告后。3验证引用文件的确认目的:确保用于支持本方案的所有文件为现行有效的文件。程序:在验证开始实施前,由验证小组成员检查验证过程中所用到的文件,检查文件是否有资格的人起草、审核和批准且在执行期内。接受标准:验证过程中所用文件均为有资格的人起草、审核和批准且在执行期内。确认记录:填写《文件确认》附表2.四验证范围脱碳过滤系统、精制结晶罐、洁净区离心机、气流干燥、气流粉碎等设备的清洗过程。相同名称数量不为一个的设备其规格、型号、材质均相同,清洗方法相同,因此分别取一个进行清洁验证。1贝诺酯车间设备信息表设备名称材质数量规格型号位置用途反应釜搪瓷3500Lx3化工区氯化合成反应釜不锈钢23000Lx2化工区酯化合成升温釜搪瓷13000Lx1化工区升温溶解脱碳过滤系统搪瓷1500Lx1化工区过滤/成品常水降温罐不锈钢43000Lx4洁净区精品结晶/成品盐水降温罐不锈钢33000Lx1、10000Lx2洁净区精品结晶/成品洁净区离心机2LGZ-1000\SS1200N/A洁净区精品离心洁净区气流粉碎1洁净区精品干燥洁净区气流粉碎1洁净区精品粉碎2文件检查文件名称文件编号存放处检查人日期精制升温、降温罐清洗操作规程离心机清洗操作规程干燥箱清洗操作...

1、当您付费下载文档后,您只拥有了使用权限,并不意味着购买了版权,文档只能用于自身使用,不得用于其他商业用途(如 [转卖]进行直接盈利或[编辑后售卖]进行间接盈利)。
2、本站所有内容均由合作方或网友上传,本站不对文档的完整性、权威性及其观点立场正确性做任何保证或承诺!文档内容仅供研究参考,付费前请自行鉴别。
3、如文档内容存在违规,或者侵犯商业秘密、侵犯著作权等,请点击“违规举报”。

碎片内容

清洁验证方案

文库响当当+ 关注
实名认证
内容提供者

该用户很懒,什么也没介绍

确认删除?
VIP
微信客服
  • 扫码咨询
会员Q群
  • 会员专属群点击这里加入QQ群
客服邮箱
回到顶部