电脑桌面
添加小米粒文库到电脑桌面
安装后可以在桌面快捷访问

灰土拌合站技术交底VIP免费

灰土拌合站技术交底_第1页
1/4
灰土拌合站技术交底_第2页
2/4
灰土拌合站技术交底_第3页
3/4
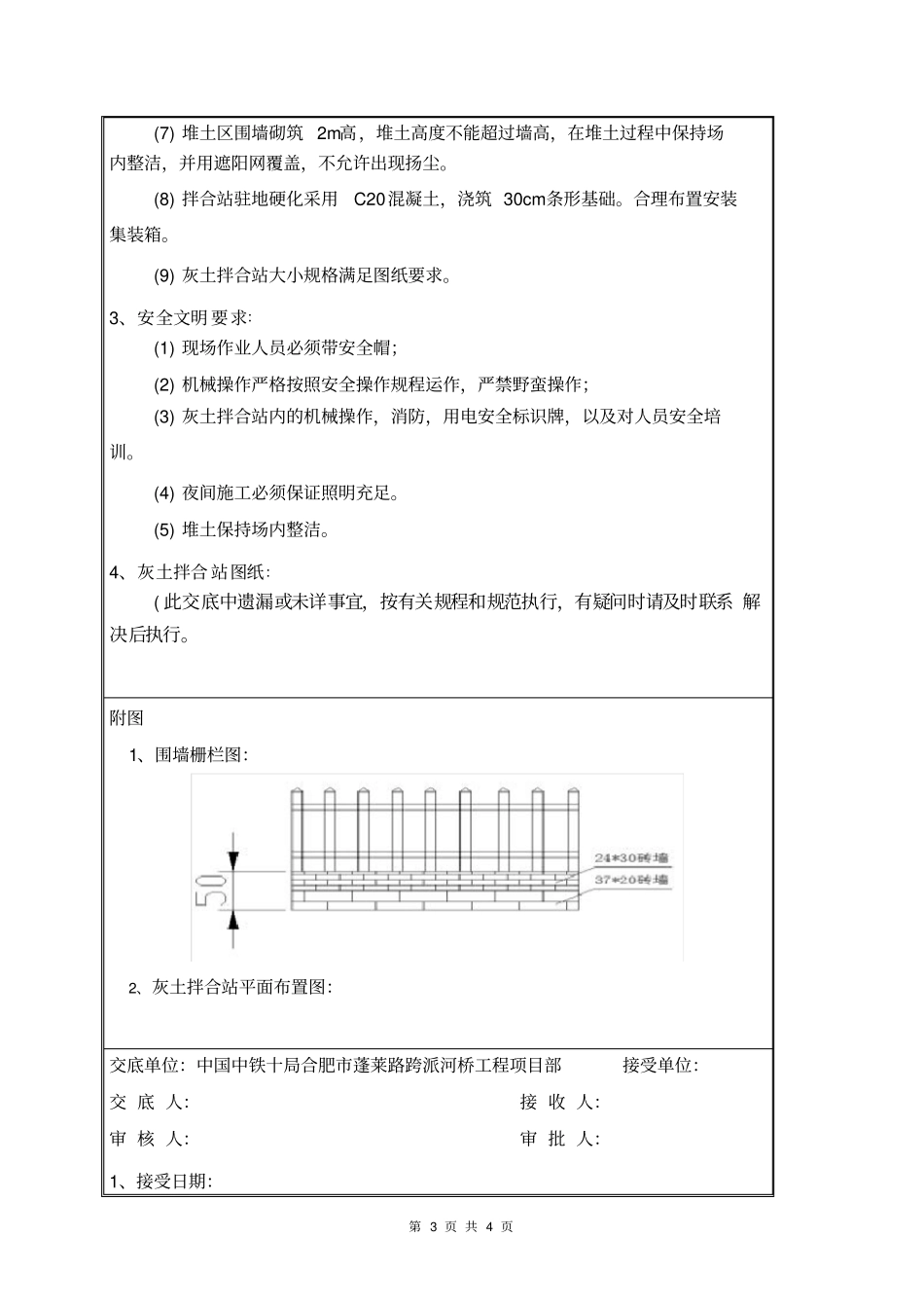
合肥市蓬莱路跨派河工程项目部灰土拌合站技术交底交底人:复核人:接收人:日期:第1页共4页技术交底书技术交底书表格编号项目名称合肥市蓬莱路跨派河桥工程项目部第1页共4页交底编号工程名称灰土拌合站工程设计文件图号/施工部位灰土拌合站交底日期2017年2月5日技术交底内容:1、技术交底范围;本交底适用于合肥市蓬莱路跨派河桥工程灰土拌合站施工。2、施工技术:施工工艺:测量放样→场地平整→围墙砌筑→灰土拌合站场地硬化→拌合站内部设备安装→验收(1)测量放样:使用GPS放样出灰土拌合站的准确位置(2)场地平整:使用挖机、推土机平整场地,确保场内无杂物。(3)场地硬化,道路基地铺30cm砖渣,压路机压实后浇筑C30混凝土20cm,拌料区上料仓基础采用C30混凝土浇筑,浇筑高度根据上料仓具体尺寸及现场实际情况定。(4)围墙基础采用37cm墙,高度20cm,墙身采用24cm墙高度30cm。围墙长30m,宽40m。围墙砌筑过程中预留栅栏安装孔,栅栏采用成品安装。(5)灰土消解区采用封闭模式,场内按照2%纵坡平整后压实,浇筑C20混凝土20cm,围墙墙身砌筑37cm墙,高度2m,基础开挖30cm深,砌筑50cm墙,砌筑高度30cm,墙身顶面留预留孔,安装彩钢瓦立柱,立柱从墙身埋入基础,四周用彩钢瓦封闭。预防消解过程中对环境造成影响。(6)驻地卫生间根据现场实际情况合理布置,并在围墙外开挖三级化粪池,化粪池尺寸:3m*2m,深度1.5m。第2页共4页(7)堆土区围墙砌筑2m高,堆土高度不能超过墙高,在堆土过程中保持场内整洁,并用遮阳网覆盖,不允许出现扬尘。(8)拌合站驻地硬化采用C20混凝土,浇筑30cm条形基础。合理布置安装集装箱。(9)灰土拌合站大小规格满足图纸要求。3、安全文明要求:(1)现场作业人员必须带安全帽;(2)机械操作严格按照安全操作规程运作,严禁野蛮操作;(3)灰土拌合站内的机械操作,消防,用电安全标识牌,以及对人员安全培训。(4)夜间施工必须保证照明充足。(5)堆土保持场内整洁。4、灰土拌合站图纸:(此交底中遗漏或未详事宜,按有关规程和规范执行,有疑问时请及时联系解决后执行。附图1、围墙栅栏图:2、灰土拌合站平面布置图:交底单位:中国中铁十局合肥市蓬莱路跨派河桥工程项目部接受单位:交底人:审核人:1、接受日期:接收人:审批人:第3页共4页第4页共4页

1、当您付费下载文档后,您只拥有了使用权限,并不意味着购买了版权,文档只能用于自身使用,不得用于其他商业用途(如 [转卖]进行直接盈利或[编辑后售卖]进行间接盈利)。
2、本站所有内容均由合作方或网友上传,本站不对文档的完整性、权威性及其观点立场正确性做任何保证或承诺!文档内容仅供研究参考,付费前请自行鉴别。
3、如文档内容存在违规,或者侵犯商业秘密、侵犯著作权等,请点击“违规举报”。

碎片内容

灰土拌合站技术交底

确认删除?
VIP
微信客服
  • 扫码咨询
会员Q群
  • 会员专属群点击这里加入QQ群
客服邮箱
回到顶部