电脑桌面
添加小米粒文库到电脑桌面
安装后可以在桌面快捷访问

环保一企一策方案VIP免费

环保一企一策方案_第1页
1/16
环保一企一策方案_第2页
2/16
环保一企一策方案_第3页
3/16
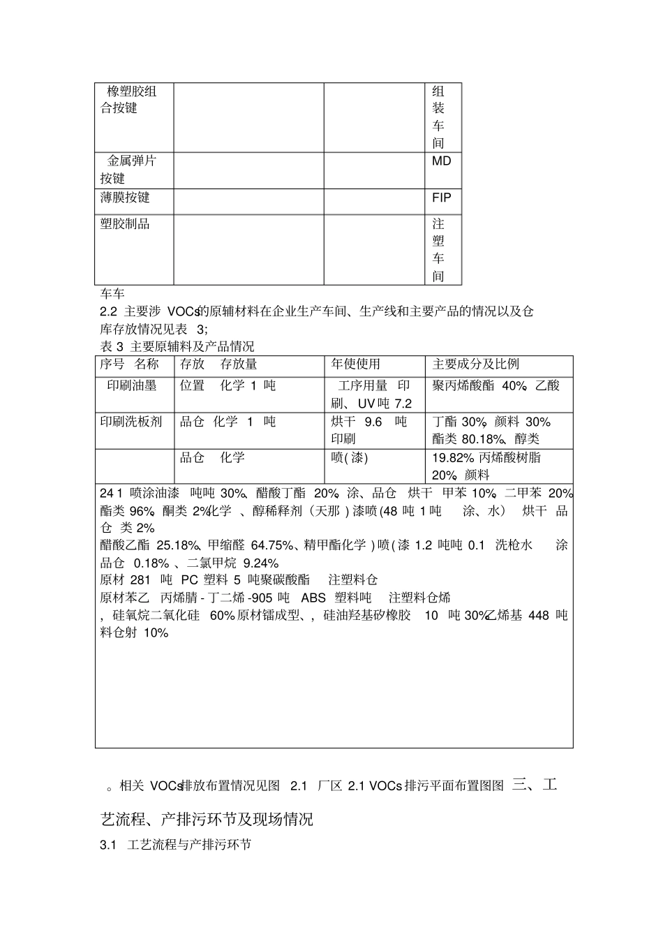
*****VOCs一企一策综合整治方案前言按要求开展“VOCs整治一企一策”编制、评估、备案、整治工作,依据《广东省2014-2017年重点行业挥发性物质综合整治方案》开展项目。一、企业基本情况22。公司生产经营,年生产分,建筑面积m位于**,地理位置;公司用地面积为m***别为吨、万件、万件;模具年产量套,年销售收入约亿元人民币。企业基本信息见表1。表1企业基本信息表单位名地纬经社会信用代行业代码码行业名称企业联系人联系电话电子邮箱最新改扩建时建设时间间年生产时间职工人数(小时)(人)年生产成本年营业收入(万元)(万元)是否通过环最近验收时间保验收二、生产现状2008年,号批复同意建设,号进行扩建,主要为扩建PC塑胶等生产线,2011年通过环保竣工验收;申请了喷漆、烘干、注塑、印刷生产线的有机废气治理措施为“漆雾过滤+活性碳吸附”处理工艺。2015年全厂生产能力及产品、车间情况见表2;表2企业产品及车间情况序产品名称设计生产能力2015年产量生产车间名称号模具车间橡胶模具模具车间塑胶模具橡胶按键成型车间塑胶按键注塑车间橡塑胶组合按键组装车间金属弹片按键MD薄膜按键FIP塑胶制品注塑车间车车2.2主要涉VOCs的原辅材料在企业生产车间、生产线和主要产品的情况以及仓库存放情况见表3;表3主要原辅料及产品情况序号名称存放存放量年使使用主要成分及比例印刷油墨位置化学1吨工序用量印刷、UV吨7.2聚丙烯酸酯40%、乙酸印刷洗板剂品仓化学1吨烘干9.6吨印刷丁酯30%,颜料30%酯类80.18%、醇类品仓化学喷(漆)19.82%丙烯酸树脂20%、颜料241喷涂油漆吨吨30%、醋酸丁酯20%、涂、品仓烘干甲苯10%、二甲苯20%酯类96%、酮类2%化学、醇稀释剂(天那)漆喷(48吨1吨涂、水)烘干品仓类2%醋酸乙酯25.18%、甲缩醛64.75%、精甲酯化学)喷(漆1.2吨吨0.1洗枪水涂品仓0.18%、二氯甲烷9.24%原材281吨PC塑料5吨聚碳酸酯注塑料仓原材苯乙丙烯腈-丁二烯-905吨ABS塑料吨注塑料仓烯,硅氧烷二氧化硅60%原材镭成型、,硅油羟基矽橡胶10吨30%乙烯基448吨料仓射10%。相关VOCs排放布置情况见图2.1厂区2.1VOCs排污平面布置图图三、工艺流程、产排污环节及现场情况3.1工艺流程与产排污环节公司目前配套有喷涂、喷漆、印刷、注塑、烘干、镭射工序,自动喷涂线*条(密闭台。工艺流程及4烤箱UV台,30条;烘烤箱4台,密闭式自动喷涂线2作业),水帘柜5、。相关设备见表44主要生产工艺及产品规模情况表VOCs设备列表工程内容工程规模①IQC刷→冲拆→喷涂→镭射→喷涂→品检检验→发料→混切料→注塑→印FIP件、薄膜按键年产量30镭射雕刻按键年产量→入库万件②PC清洗→风干→真空镀膜→品塑料新料→注塑→成型→超声波FIP薄膜按键年产量10检→成品③IQC干→喷涂→烘干→镭射→喷涂→烘干检验→混切料→成型→印刷→烘胶按键生产,年产量500→QA检验→入库④模具加工设备套模具加工能力约360序号使用工序单位扩建后项目移印机网印机台台印刷印刷烘烤箱喷涂设备台套烘干喷涂水帘柜喷枪支台喷涂喷涂联合移印机远红外线输送干燥机台台印刷烘干注塑机密闭喷房密闭式自动喷涂线电脑控制自动丝印机台个条台注塑喷涂喷涂印刷超声波清洗机台喷涂压伸机FIP打孔机台台注塑印刷CCD电火花机U形流水线冲孔台台条印刷喷涂喷涂表5涉及生4万3.2现场情况如图3-1可见,主要VOCs产污工段喷涂、印刷、喷漆均在半封闭、全封闭车间内作业(约95%废气均能进入废气收集系统),注塑废气是无组织排放状态。喷涂工段1喷涂工段2烘干工段1烘干工段2印刷工段1印刷工段2注塑工段1注塑工段2镭射工段1镭射工段2一期、二期工艺排污节点图3-2图图3-1生产车间现场照片喷涂工段废气处理设施印刷废气处理设施烘干工段废气处理设施镭射废气处理设施图3-2废气处理设施现场照片3.3VOCs的排放1)涂装、印刷过程VOCs的产生量主要由涂料种类,涂装设备工艺水平和企业溶剂管理决定。中涂、面涂过程中,约80-90%的VOCs在喷涂室、印刷机和流平室排放,10-20%的VOCs随涂膜在烘干室、晾干室中排放。溶剂型涂料体系的VOCs主要来源于底色涂料,其次来源于清漆和中涂,还有少量来源于清洗溶剂。对于公司使用的涂料体系而言,色漆VOCs占总VOCs的50-70%、稀释...

1、当您付费下载文档后,您只拥有了使用权限,并不意味着购买了版权,文档只能用于自身使用,不得用于其他商业用途(如 [转卖]进行直接盈利或[编辑后售卖]进行间接盈利)。
2、本站所有内容均由合作方或网友上传,本站不对文档的完整性、权威性及其观点立场正确性做任何保证或承诺!文档内容仅供研究参考,付费前请自行鉴别。
3、如文档内容存在违规,或者侵犯商业秘密、侵犯著作权等,请点击“违规举报”。

碎片内容

环保一企一策方案

您可能关注的文档

确认删除?
VIP
微信客服
  • 扫码咨询
会员Q群
  • 会员专属群点击这里加入QQ群
客服邮箱
回到顶部