电脑桌面
添加小米粒文库到电脑桌面
安装后可以在桌面快捷访问

生物接触氧化法VIP免费

生物接触氧化法_第1页
1/5
生物接触氧化法_第2页
2/5
生物接触氧化法_第3页
3/5
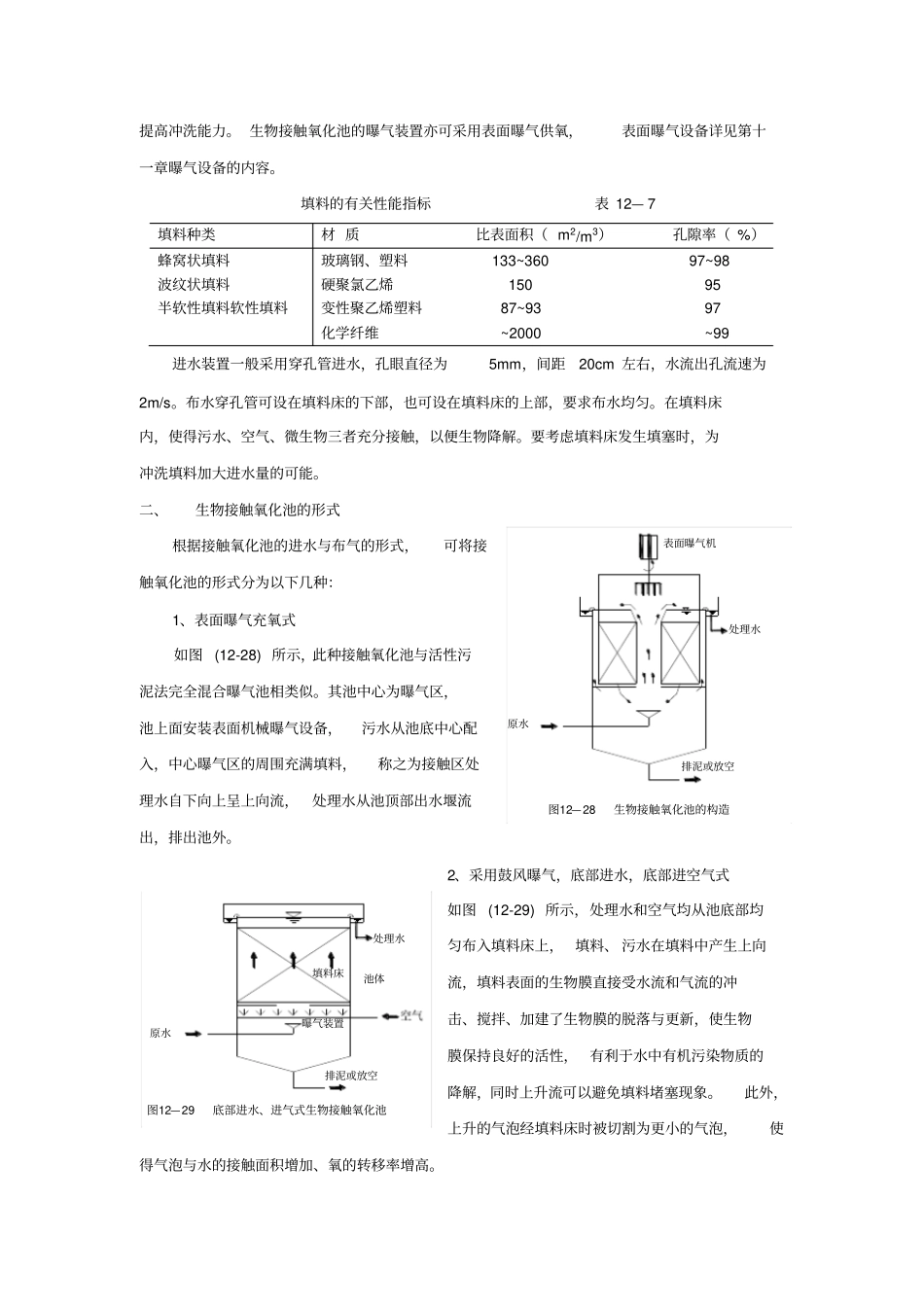
生物接触氧化法生物接触氧化法的反应器为接触氧化池,也称为淹没式生物滤池。最早于20世纪70年代日本首创,近20年来,该技术在国内外都取得了长足广泛的发展和应用。生物接触氧化法就是在反应器中填加惰性填料,已经充氧的污水浸没并流经全部惰性填料,污水中的有机物与在填料上的生物膜充分接触,在生物膜上的微生物新陈代谢作用下,有机污染物质被去除.生物接触氧化法处理技术除了上述的生物膜降解有机物机理外,还存在与曝气池相同的活性污泥降解机理,即向微生物提供所需氧气,并搅拌污水和污泥使之混合,因此,这种技术相当于在曝气池内填充供微生物生长繁殖的栖息地——惰性填料,所以,此方法又称接触曝气法。生物接触氧化是一种介于活性污泥法与生物滤池两者结合的生物处理技术。因此,此方法兼具备活性污泥法与生物膜法的特点。一、生物接触氧化法反应器的构造生物接触氧化池主要由池体曝气装置、填料床及进出水系统组成,如图(12-26)池体的平面形状多采用圆形,方形或矩形,其结构由钢筋混凝土浇注或用钢板焊制。池体的高度一般为4.5~5.0m,其中填料床高度为3.0~3.5m,底部布气高度为0.6~0.7m,顶部稳定水层为0.5~0.6m。填料是生物接触氧化池的重要组成部分,它直接影响污水的处理效果。由于填料是产生生物膜的固体介质,所以,对填料的性能有如下要求。1、要求比表面积大、空隙率高、水流阻力小、流速均匀;2、表面粗糙、增加生物膜的附着性,并要外观形状、尺寸均一;3、化学与生物稳定性较强,经久耐用,有一定的强度;4、要就近取材,降低造价,便于运输。目前,生物接触氧化池中常用的填料有蜂窝状填料,波纹板状填料及软性与半软性填料等,如图(12-27)所示。曝气系统由鼓风机、空气管路、阀门及空气扩散装置组成。目前常用的曝气装置为穿孔管,孔眼直径为5mm,孔眼中心距为10cm左右。布气管一般设在填料床下部,也可设在一侧。要求曝气装置布气均匀,并考虑到填料发生堵塞时能适当加大气量及蜂窝状波形板状软纤维填料图12—27生物接触氧化池内常用的填料空气原水排水曝气装置填料床处理水池体图12—26生物接触氧化池的构造提高冲洗能力。生物接触氧化池的曝气装置亦可采用表面曝气供氧,表面曝气设备详见第十一章曝气设备的内容。填料的有关性能指标表12—7填料种类材质比表面积(m2/m3)孔隙率(%)蜂窝状填料波纹状填料半软性填料软性填料玻璃钢、塑料133~36097~98硬聚氯乙烯15095变性聚乙烯塑料87~9397化学纤维~2000~99进水装置一般采用穿孔管进水,孔眼直径为5mm,间距20cm左右,水流出孔流速为2m/s。布水穿孔管可设在填料床的下部,也可设在填料床的上部,要求布水均匀。在填料床内,使得污水、空气、微生物三者充分接触,以便生物降解。要考虑填料床发生填塞时,为冲洗填料加大进水量的可能。二、生物接触氧化池的形式根据接触氧化池的进水与布气的形式,可将接触氧化池的形式分为以下几种:1、表面曝气充氧式如图(12-28)所示,此种接触氧化池与活性污泥法完全混合曝气池相类似。其池中心为曝气区,池上面安装表面机械曝气设备,污水从池底中心配入,中心曝气区的周围充满填料,称之为接触区处理水自下向上呈上向流,处理水从池顶部出水堰流出,排出池外。2、采用鼓风曝气,底部进水,底部进空气式如图(12-29)所示,处理水和空气均从池底部均匀布入填料床上,填料、污水在填料中产生上向流,填料表面的生物膜直接受水流和气流的冲击、搅拌、加建了生物膜的脱落与更新,使生物膜保持良好的活性,有利于水中有机污染物质的降解,同时上升流可以避免填料堵塞现象。此外,上升的气泡经填料床时被切割为更小的气泡,使得气泡与水的接触面积增加、氧的转移率增高。原水排泥或放空处理水图12—28生物接触氧化池的构造表面曝气机原水排泥或放空曝气装置填料床处理水池体图12—29底部进水、进气式生物接触氧化池图12—31生物接触氧化技术一段处理流程图12—31生物接触氧化技术二段处理流程3、用鼓风曝气、空气管侧部进气、上部进水式如图(12-30)所示,填料设在池的一侧,另一侧通入空气为曝气区,原水先进入曝气区,经过曝气充氧后,缓缓流经填料区与填料表面的生物膜充分...

1、当您付费下载文档后,您只拥有了使用权限,并不意味着购买了版权,文档只能用于自身使用,不得用于其他商业用途(如 [转卖]进行直接盈利或[编辑后售卖]进行间接盈利)。
2、本站所有内容均由合作方或网友上传,本站不对文档的完整性、权威性及其观点立场正确性做任何保证或承诺!文档内容仅供研究参考,付费前请自行鉴别。
3、如文档内容存在违规,或者侵犯商业秘密、侵犯著作权等,请点击“违规举报”。

碎片内容

生物接触氧化法

文库当当响+ 关注
实名认证
内容提供者

该用户很懒,什么也没介绍

确认删除?
VIP
微信客服
  • 扫码咨询
会员Q群
  • 会员专属群点击这里加入QQ群
客服邮箱
回到顶部