电脑桌面
添加小米粒文库到电脑桌面
安装后可以在桌面快捷访问

电力脚手架施工方案VIP专享VIP免费

电力脚手架施工方案_第1页
1/14
电力脚手架施工方案_第2页
2/14
电力脚手架施工方案_第3页
3/14
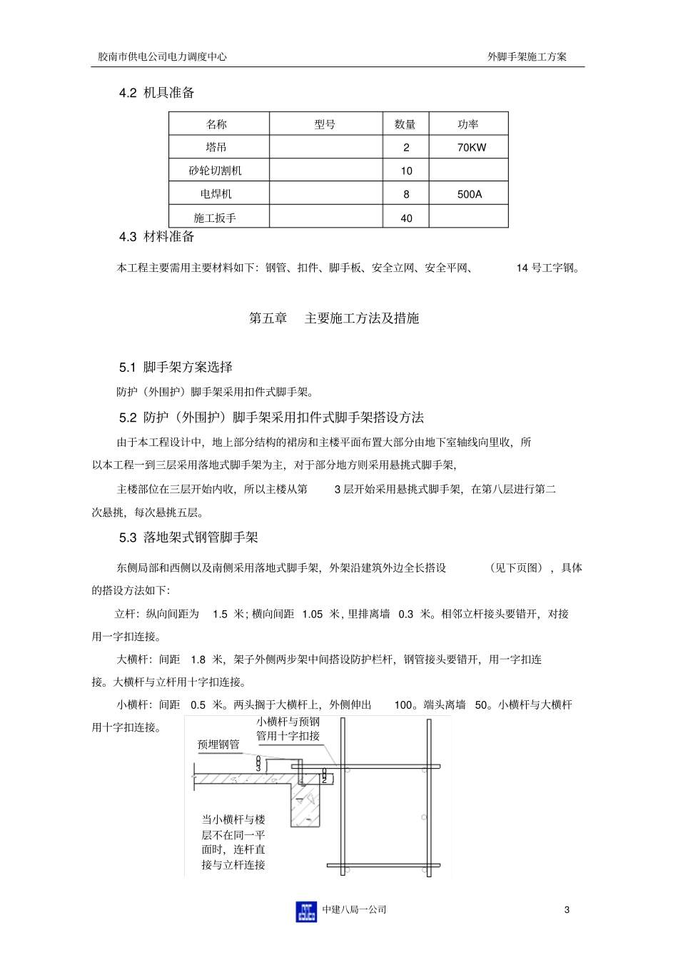
胶南市供电公司电力调度中心外脚手架施工方案中建八局一公司1第一章编制依据本施工方案的编制主要依据相关的建筑、结构图,施工组织设计,规范、规程,相关标准、图集、法规等。具体详见表。序号名称编号1施工图纸2施工组织设计3规程规范标准法规建筑施工扣件式钢管脚手架安全技术规范JGJ130-2001建筑施工高处作业安全技术规范JGJ80-91建筑施工安全检查标准JGJ-59-994其它本企业内部质量、安全、环境体系文件,企业标准及管理制度高层建筑施工手册及其它相关参考文件资料第二章工程概况2.1工程简况本工程地上结构25层,总高度99.2m,主楼部位一层为4.8m,二层4.2m,三层至二十四层为标准层,层高为3.85m;裙房部位一层为4.8m,二层为4.2m,,工程整体造型较为简单,标准层造型比1-3层规整。2.2现场情况因裙房及主楼回填土没有回填,需搭设悬挑脚手架,对于主楼部分北侧、西侧在三层向内回收,所以北侧、西侧三层的脚手架要落在屋面之上;裙房南侧、西侧及北侧10-12/L-J轴位置在一层回收,故此位置脚手架落在地下室顶板上。本工程的外脚手架采用扣件式双排脚手架,实现工程全封闭施工,确保达到青岛市文明工地的标准。胶南市供电公司电力调度中心外脚手架施工方案中建八局一公司2第三章施工安排3.1施工组织及劳动力安排3.1.1施工组织设置一个施工班组专门负责整个工程的脚手架搭设、维护和拆除工作。架子工的总人数为30人。3.1.2劳动力安排劳动力投入计划序号2006年2007年5月6月7月8月9月10月11月12月1月2月3月4月人数303030303020202055553.2工长职责1、承担脚手架工程施工任务,负责技术交底和安全技术交底,做好技术指导和施工管理。2、参与图纸会审,编制脚手架工程施工方案,组织办理验收和使用手续。3、严守施工操作规程,严抓质量,确保安全。4、组织班组努力完成任务,对施工中的有关问题及时解决,向上级报告并保证施工进度。5、努力钻研技术,提高施工组织能力和管理水平;依据现场施工的实际情况和经验,提出适合本工程的合理化建议,并投入工程施工中。6、检查班组情况、了解工人动态,解决施工中的技术及一般性措施问题。7、在施工过程中对工人的操作进行指导和检查。按照进度和施工程序,组织施工并与其他工长做好配合工作。8、按照施工进度进度计划编制工程实体、周转及技术措施等材料的材料进场计划。9、做好施工日志。第四章施工准备4.1技术准备(1)熟悉图纸、组织设计交底工作,学习有关规范、规程。(2)进行脚手架工程相关技术资料收集、整理和学习。(3)学习和讨论关键部位的施工方法和注意事项。(4)确定施工方案、施工方法、搭设工艺。胶南市供电公司电力调度中心外脚手架施工方案中建八局一公司34.2机具准备名称型号数量功率塔吊270KW砂轮切割机10电焊机8500A施工扳手404.3材料准备本工程主要需用主要材料如下:钢管、扣件、脚手板、安全立网、安全平网、14号工字钢。第五章主要施工方法及措施5.1脚手架方案选择防护(外围护)脚手架采用扣件式脚手架。5.2防护(外围护)脚手架采用扣件式脚手架搭设方法由于本工程设计中,地上部分结构的裙房和主楼平面布置大部分由地下室轴线向里收,所以本工程一到三层采用落地式脚手架为主,对于部分地方则采用悬挑式脚手架,主楼部位在三层开始内收,所以主楼从第3层开始采用悬挑式脚手架,在第八层进行第二次悬挑,每次悬挑五层。5.3落地架式钢管脚手架东侧局部和西侧以及南侧采用落地式脚手架,外架沿建筑外边全长搭设(见下页图),具体的搭设方法如下:立杆:纵向间距为1.5米;横向间距1.05米,里排离墙0.3米。相邻立杆接头要错开,对接用一字扣连接。大横杆:间距1.8米,架子外侧两步架中间搭设防护栏杆,钢管接头要错开,用一字扣连接。大横杆与立杆用十字扣连接。小横杆:间距0.5米。两头搁于大横杆上,外侧伸出100。端头离墙50。小横杆与大横杆用十字扣连接。小横杆与预钢管用十字扣接当小横杆与楼层不在同一平面时,连杆直接与立杆连接预埋钢管300200胶南市供电公司电力调度中心外脚手架施工方案中建八局一公司4红色范围为落地式脚手架1到3层脚手架布置图绿色范围为悬挑式脚手架剪刀撑:剪刀撑与地面夹角为45度,每道剪刀撑...

1、当您付费下载文档后,您只拥有了使用权限,并不意味着购买了版权,文档只能用于自身使用,不得用于其他商业用途(如 [转卖]进行直接盈利或[编辑后售卖]进行间接盈利)。
2、本站所有内容均由合作方或网友上传,本站不对文档的完整性、权威性及其观点立场正确性做任何保证或承诺!文档内容仅供研究参考,付费前请自行鉴别。
3、如文档内容存在违规,或者侵犯商业秘密、侵犯著作权等,请点击“违规举报”。

碎片内容

电力脚手架施工方案

确认删除?
VIP
微信客服
  • 扫码咨询
会员Q群
  • 会员专属群点击这里加入QQ群
客服邮箱
回到顶部