电脑桌面
添加小米粒文库到电脑桌面
安装后可以在桌面快捷访问

电工技术应用课程整体教学设计VIP免费

电工技术应用课程整体教学设计_第1页
1/4
电工技术应用课程整体教学设计_第2页
2/4
电工技术应用课程整体教学设计_第3页
3/4
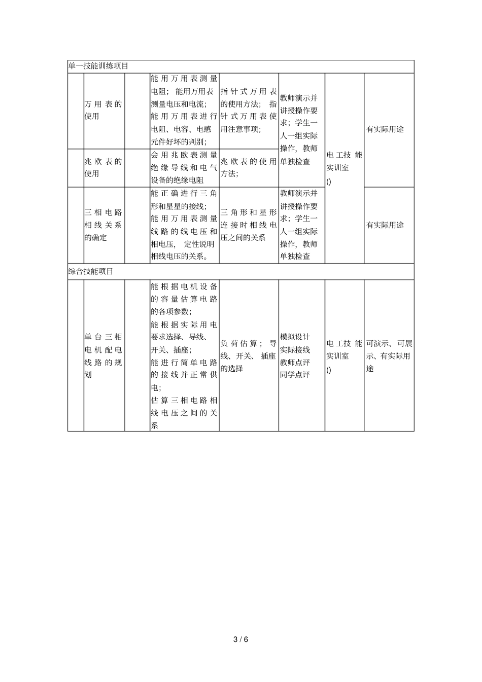
1/6《电工技术应用》课程整体教学设计(学年第学期)一、管理信息课程名称:电工技术应用课程代码:学分:学时:课程类型:电气、机电设备类专业基础课授课对象:电气、机电类一年级学生先修课程:高中物理、数学后修课程:电机控制系统的安装与调试课程组成员签名:王民权梅晓妍应力恒年月日专业(教研室)意见专业主任(签字):年月日分院职教能力培训与测评评委会意见分院评委(签字):分院盖章年月日二、课程设计.课程目标能力目标:会正确进行万用表档位的选择,并能进行电阻、电容、电感的判断,电压的测量能使用常用电工测量仪表(电压表、电流表)进行基本电量的测量能进行简单配电线路的参数计算、元件选择与电路规划2/6为后续电类课程和中(高)级维修电工考级贮备必要的操作技能知识目标:了解工厂供电常识和安全用电常识熟悉典型的电路元器件与电路中的功能熟悉电路的基本概念和基本定律,掌握直流电路的典型分析方法熟悉熟悉单相三相正弦交流电路及其分析方法掌握常用电工测量仪表的功能与使用方法为后续电类课程和中(高)级维修电工考级贮备必要的理论知识其它目标:职业行为能力——不迟到、不早退、按时上课(上班)规范操作能力——正确使用电工工具,按照工艺要求进行电气接线与操作查阅资料能力——根据要求选择电气元件语言表达能力——讲述、说明、回答问题.课程教学活动设计课程内容设计模块名称教学内容训练项目学时、基本电路元件与基本物理量任务基本电路元件的识别任务电路基本物理量的测量(技能训练)、直流电路的组成、分析、连接与测量电路基本定律学习任务欧姆定律及其应用任务基尔霍夫定律及其应用电路等效变换任务电阻的联结与等效变换任务电源的等效变换与应用电路基本分析方法任务支路电流法及其应用任务叠加定理及其应用任务戴维宁定理及其应用、单相正弦交流电路的分析与测量任务单相交流电路的各种表示法任务纯电阻电路的计算任务纯电容电路的计算任务纯电感电路的计算任务混合电路的计算与测量任务交流电路的谐振与功率因数的提高、三相交流电路的分析、计算与测量任务三相交流电路的接线方式与电压电流关系的确定任务三相电路相线电压关系的测量(技能训练)任务三相功率的计算与测量、安全用电与触电急救任务电器设备的保护接地与保护接零任务触电急救、*简单配电线路的规划与实施任务常用电工工具、电工仪表的使用任务*简单配电线路的规划与实施(综合训练)课程总结与复习合计能力训练项目设计编号能力训练项目名称学时能力目标主要支撑知识训练方式地点结果(可展示)3/6单一技能训练项目万用表的使用能用万用表测量电阻;能用万用表测量电压和电流;能用万用表进行电阻、电容、电感元件好坏的判别;指针式万用表的使用方法;指针式万用表使用注意事项;教师演示并讲授操作要求;学生一人一组实际操作,教师单独检查电工技能实训室()有实际用途兆欧表的使用会用兆欧表测量绝缘导线和电气设备的绝缘电阻兆欧表的使用方法;三相电路相线关系的确定能正确进行三角形和星星的接线;能用万用表测量线路的线电压和相电压,定性说明相线电压的关系。三角形和星形连接时相线电压之间的关系教师演示并讲授操作要求;学生一人一组实际操作,教师单独检查有实际用途综合技能项目单台三相电机配电线路的规划能根据电机设备的容量估算电路的各项参数;能根据实际用电要求选择、导线、开关、插座;能进行简单电路的接线并正常供电;估算三相电路相线电压之间的关系负荷估算;导线、开关、插座的选择模拟设计实际接线教师点评同学点评电工技能实训室()可演示、可展示、有实际用途0/6.教学进度表(根据上课安排,按照每次学时编制)序号周次学时单元标题主要教学内容教学组织形式作业形式第周周二节基本电路元件与基本物理量.组成电路的元件.电路中的物理量班级授课教师讲授学生练习书面电路基本定律的学习与应用.欧姆定律的学习与应用.基尔霍夫定律的学习与应用第周周二节电路的等效变换电阻的联结与等效变换电源的等效变换与应用班级授课教师讲授学生练习书面第周周二节第周周二节电路的基本分析方法.支路电流法及其应用.叠加定理及其应用.戴维宁...

1、当您付费下载文档后,您只拥有了使用权限,并不意味着购买了版权,文档只能用于自身使用,不得用于其他商业用途(如 [转卖]进行直接盈利或[编辑后售卖]进行间接盈利)。
2、本站所有内容均由合作方或网友上传,本站不对文档的完整性、权威性及其观点立场正确性做任何保证或承诺!文档内容仅供研究参考,付费前请自行鉴别。
3、如文档内容存在违规,或者侵犯商业秘密、侵犯著作权等,请点击“违规举报”。

碎片内容

电工技术应用课程整体教学设计

确认删除?
VIP
微信客服
  • 扫码咨询
会员Q群
  • 会员专属群点击这里加入QQ群
客服邮箱
回到顶部