电脑桌面
添加小米粒文库到电脑桌面
安装后可以在桌面快捷访问

各种导线、导体电缆允许载流量表VIP免费

各种导线、导体电缆允许载流量表_第1页
1/11
各种导线、导体电缆允许载流量表_第2页
2/11
各种导线、导体电缆允许载流量表_第3页
3/11
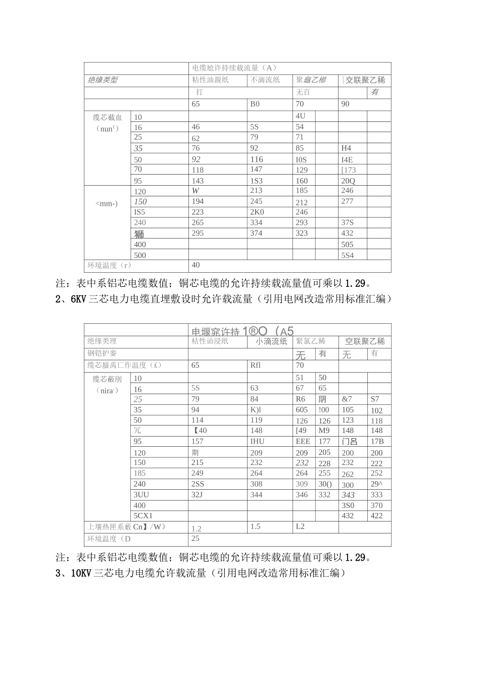
导线、导体、电缆允许载流量表安阳市电业局生产技术部编写说明根据我局生产需要,现重新编写《各种导线、导体、电缆允许载流量汇总表》,编写引用了GB500-90;GB500-94以及设备制造厂说明,请有关部门严格按设备载流量运行,严禁超载。有什么问题,请及时与生产技术部联系。生产技术部2002年1月2目录一、三芯电缆允许载流量1、6KV三芯电缆空气中敷设时允许载流量42、6KV三芯电缆直埋敷设时长期允许载流量53、10KV三芯电缆允许载流量64、敷设条件不同时电缆允许持续载流量的校正系数7二、单芯电缆允许载流量1、10kv单芯交联聚乙烯绝缘架空电缆允许载流量82、10kv单芯交联电力电缆允许载流量8三、钢芯铝绞线的长期允许载流量10四、裸导体的长期允许载流量1、矩形铝导体长期允许载流量132、槽形铝导体长期允许载流量143、铝锰合金管形导体长期允许载流量15一、三芯电缆允许载流量1、6KV三芯电力电缆空气中敷设时允许载流量(引用电网改造常用标准汇编)电缆尬许持续载流量(A)绝缘类型粘性油親纸不滴流纸聚龜乙櫛|交联聚乙稀打无百有65B07090缆芯截血(nun1)104U16465S542562797135769285H45092116I0SI4E70118147129[173951431S316020Q

1、当您付费下载文档后,您只拥有了使用权限,并不意味着购买了版权,文档只能用于自身使用,不得用于其他商业用途(如 [转卖]进行直接盈利或[编辑后售卖]进行间接盈利)。
2、本站所有内容均由合作方或网友上传,本站不对文档的完整性、权威性及其观点立场正确性做任何保证或承诺!文档内容仅供研究参考,付费前请自行鉴别。
3、如文档内容存在违规,或者侵犯商业秘密、侵犯著作权等,请点击“违规举报”。

碎片内容

各种导线、导体电缆允许载流量表

wxg+ 关注
实名认证
内容提供者

该用户很懒,什么也没介绍

确认删除?
微信客服
  • 扫码咨询
会员Q群
  • 会员专属群点击这里加入QQ群