电脑桌面
添加小米粒文库到电脑桌面
安装后可以在桌面快捷访问

电力排管表格终)VIP免费

电力排管表格终)_第1页
1/12
电力排管表格终)_第2页
2/12
电力排管表格终)_第3页
3/12
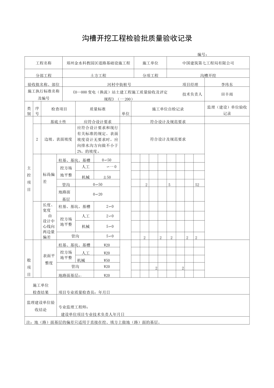
沟槽开挖报验申请表工程名称:郑州金水科教园区道路基础设施工程沟槽开挖工程检验批质量验收记录编号:工程名称郑州金水科教园区道路基础设施工程施工单位中国建筑第七工程局有限公司分部工程土方工程分项工程沟槽开挖验收批名称、部位河村中街桩号项目经理李玮东施工执行标准名称及编号《0—000变电(换流)站土建工程施工质量验收及评定规程》(一200)技术负责人田丰雨类别序号检查项目质量标准单位施工单位自检记录监理(建设)单位验收记录主控项目基底土性应符合设计要求符合设计及规范要求2边坡、表面坡度应符合设计要求和现行有关标准的规定。表面坡度设计无要求时,应向排水沟方向做不小于2%。的坡度。符合设计及规范要求标咼偏差柱基、基坑、基槽0〜50挖方场地平整人工〜一0机械±50管沟0〜502552地路面基层0〜20长度、宽度由设计中心线向两边量偏差柱基、基坑、基槽2〜0挖方场地平整人工2〜0机械5〜0管沟5〜022222般项目表面平整度柱基、基坑、基槽W20挖方场地平整人工W20机械W50管沟W2022地路面基层注)W20施工单位检查结果项目专业质量检查员:年月日监理建设单位验收结论专业监理工程师:建设单位项目专业技术负责人年月日注:地(路)面基层的偏差只适用于直接在挖、填方上做地(路)面的基层。隐蔽工程检查验收记质检年月日工程名称郑州金水科教园区道路基础设施工程施工单位中国建筑第七工程局有限公司隐检项目沟槽开挖隐检范围经四街桩号隐检内容及检查情况验收意见处理情况及结论复查人:年月曰监理技术负责人施工员质检员排管基础垫层报验申请表工程名称:郑州金水科教园区道路基础设施工程电力排管基础垫层工程检验批质量验收记录编号:工程名称郑州金水科教园区道路基础设施工程施工单位中国建筑第七工程局有限公司分部工程名称管道主体工程分项工程名称基础垫层验收批名称、部位河村中街桩号项目经理李玮东施工执行标准名称及编号《一变电(换流)站土建工程施工质量验收及评定规程》(一)技术负责人田丰雨主控项目质量验收规范规定的检查项目及验收标准应测占八、、数合格占八、合格率混凝土强度混凝土强度符合设计要求,详见混凝土强度报告般项目混凝土外观混凝土外光内实,无缺陷现象。中线每侧宽度()高程()厚度(不小于设计要求,)施工单位检查评定结果项目专业质量检查员:年月日监理单位验收结论监理工程师:年月日隐蔽工程检查验收记录年月日质检表工程名称郑州金水科教园区道路基础设施工程施工单位中国建筑第七工程局有限公司隐检项目管道基础隐检范围河村中街桩号隐检内容及检查情况验收意见处理情况及结论复查人:年月曰监理技术负责人施工员质检员电力排管安装报验申请表工程名称:郑州金水科教园区道路基础设施工程年月日工程名称郑州金水科教园区道路基础设施工程施工单位中国建筑第七工程局有限公司隐检项目电力排管安装隐检范围河村中街桩号隐检内容及检查情况验收意见处理情况及结论复查人:年月曰监理技术负责人施工员质检员隐蔽工程检查验收记录质检表电力排管安装工程检验批质量验收记录编号:工程名称郑州金水科教园区道路基础设施工程施工单位中国建筑第七工程局有限公司分部工程管道主体工程分项工程管道安装验收批名称、部位河村中街桩号项目经理李玮东施工执行标准名称及编号《一变电(换流)站土建工程施工质量验收及评定规程》(一)技术负责人田丰雨类别序号施工质量验收规范的规定施工单位检查评定记录监理(建设)单位验收记录主控项目管道的规格、程式和管群断面组合格管道至路面的埋设深度应符合设计要求合格管道的包封规格、段落、砂浆标号应符合设计要求砂浆强度符合设计要求,详见砂浆强度报告管道安装必须稳固,管道安装后应线形平直合格管道连接橡胶圈质量应符合设计要求,接口位置应错开合格般项目管枕的规格、质量应符合设计要求;安装牢固、位置正确合格管道内应光洁平整,无杂物、油污合格包封砂浆养护应符合规范要求合格排管在工作井的出口应符合设计要求合格管道的纵向排水坡度应符合设计要求合格施工单位检查结果项目专业质量检查员:年月日监理建设单位验收结论专业监理工程师:建设单位项目专业技术负...

1、当您付费下载文档后,您只拥有了使用权限,并不意味着购买了版权,文档只能用于自身使用,不得用于其他商业用途(如 [转卖]进行直接盈利或[编辑后售卖]进行间接盈利)。
2、本站所有内容均由合作方或网友上传,本站不对文档的完整性、权威性及其观点立场正确性做任何保证或承诺!文档内容仅供研究参考,付费前请自行鉴别。
3、如文档内容存在违规,或者侵犯商业秘密、侵犯著作权等,请点击“违规举报”。

碎片内容

电力排管表格终)

wxg+ 关注
实名认证
内容提供者

该用户很懒,什么也没介绍

相关文档

确认删除?
VIP
微信客服
  • 扫码咨询
会员Q群
  • 会员专属群点击这里加入QQ群
客服邮箱
回到顶部