电脑桌面
添加小米粒文库到电脑桌面
安装后可以在桌面快捷访问

电池各项性能测试标准VIP免费

电池各项性能测试标准_第1页
1/4
电池各项性能测试标准_第2页
2/4
电池各项性能测试标准_第3页
3/4
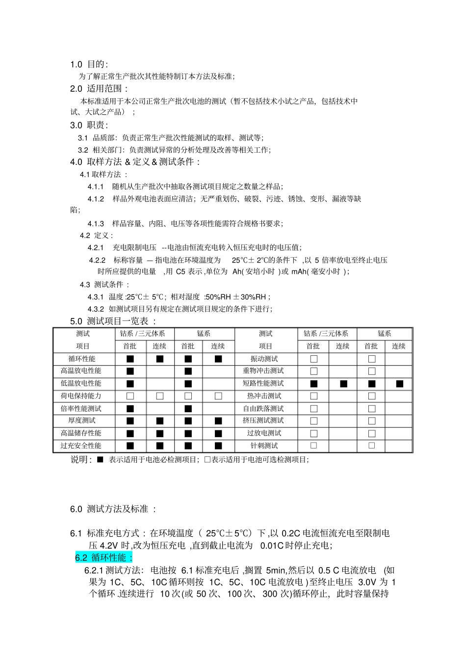
1.0目的:为了解正常生产批次其性能特制订本方法及标准;2.0适用范围:本标准适用于本公司正常生产批次电池的测试(暂不包括技术小试之产品,包括技术中试、大试之产品);3.0职责:3.1品质部:负责正常生产批次性能测试的取样、测试等;3.2相关部门:负责测试异常的分析处理及改善等相关工作;4.0取样方法&定义&测试条件:4.1取样方法:4.1.1随机从生产批次中抽取各测试项目规定之数量之样品;4.1.2样品外观电池表面应清洁;无严重划伤、破裂、污迹、锈蚀、变形、漏液等缺陷;4.1.3样品容量、内阻、电压等各项性能需符合规格书要求;4.2定义:4.2.1充电限制电压--电池由恒流充电转入恒压充电时的电压值;4.2.2标称容量—指电池在环境温度为25℃±2℃的条件下,以5倍率放电至终止电压时所应提供的电量,用C5表示,单位为Ah(安培小时)或mAh(毫安小时);4.3测试条件:4.3.1温度:25℃±5℃;相对湿度:50%RH±30%RH;4.3.2如测试项目另有规定在测试项目规定的条件下进行;5.0测试项目一览表:测试项目钴系/三元体系锰系测试项目钴系/三元体系锰系首批连续首批连续首批连续首批连续循环性能■■■■振动测试□□高温放电性能■■重物冲击测试□□低温放电性能■■短路性能测试■■■■荷电保持能力□□□□热冲击测试□□倍率性能测试■■自由跌落测试□□厚度测试■■■■挤压测试测试□□高温储存性能■■■■过放电测试□□过充安全性能■■■■针刺测试□□说明:■表示适用于电池必检测项目;□表示适用于电池可选检测项目;6.0测试方法及标准:6.1标准充电方式:在环境温度(25℃±5℃)下,以0.2C电流恒流充电至限制电压4.2V时,改为恒压充电,直到截止电流为0.01C时停止充电;6.2循环性能:6.2.1测试方法:电池按6.1标准充电后,搁置5min,然后以0.5C电流放电(如果为1C、5C、10C循环则按1C、5C、10C电流放电)至终止电压3.0V为1个循环.连续进行10次(或50次、100次、300次)循环停止,此时容量保持率应符合附表1的要求;6.2.2测试工具:BK6016AR/2或BTS-5V3A二次性能检测柜;6.2.3各系产品循环测试一览表;测试项目钴系/三元体系锰系测试项目钴系/三元体系锰系首批连续首批连续首批连续首批连续0.5C循环50次///5C循环//10次/1C循环/10次50次10次10C循环//10次/6.2.4备注:软包装电池测试1C/100次循环6.3高温放电性能:6.3.1测试方法:电池按6.1标准充电后,在25℃±5℃的温度下进行1C放电至终止电压3.0V。然后再按6.1标准充电后,在温度55℃±2℃的环境下放置2小时,然后以1C放电至终止电压3.0V,放电终止容量≥初始容量的85%,在室温下放置2小时后电池外观无变形、无爆炸;6.3.2测试工具:BK6016AR/2或BTS-5V3A二次性能检测柜、高温测试机;6.4低温放电性能:6.4.1测试方法:电池按6.1标准充电后,在25℃±5℃的温度下进行1C放电至终止电压3.0V。然后在温度-20℃±2℃的环境下放置16h—24h,然后以0.2C放电至终止电压3.0V,放电终止容量≥初始容量的60%,在室温下放置2小时后电池外观无变形、无爆炸;6.4.2测试工具:BK6016AR/2或BTS-5V3A二次性能检测柜、低温测试机;6.5荷电保持能力:6.5.1测试方法:电池按6.1标准充电后,电池开路在温度25℃±5℃的环境下放置28天,然后以0.2C放电,放电终止时间需≥4.25h;6.5.2测试工具:BK6016AR/2或BTS-5V3A二次性能检测柜;6.6倍率性能测试:6.6.1测试方法:电池按6.1标准充电后,搁置0.5h—1h,在温度25℃±5℃的环境下分别以0.2C、0.5C、1C、2C、5C、10C电流放电到终止电压3.0V;6.6.2测试工具:BK6016AR/2或BTS-5V3A二次性能检测柜;6.6.3备注:A、IN、IC、ICM系列测试0.2C、0.5C、1C、2C;B、IM系列测试5C、10C;6.7厚度测试:6.7.1测试方法:电池按6.1标准充电后,然后以0.1C进行放电至终止电压3.0V,然后再以0.5C的电流恒压充电至4.2V截止电流为0.01C时记录电池满电厚度,以1C恒流充电至3.9V取下测量电池粒半电厚度并记录;其半电和满电厚度应符合附表1的要求;6.7.2测试工具:BK6016AR/2或BTS-5V3A二次性能检测柜或BK3512L/2检测柜;游标卡尺;6.8高温储存性能:6.8.1测试方法:电池按6.1标准充电后,记录电池粒容量、内阻、电压、厚度值;置于温度65℃的烘烤箱内进行贮存4小时后在烘烤箱内...

1、当您付费下载文档后,您只拥有了使用权限,并不意味着购买了版权,文档只能用于自身使用,不得用于其他商业用途(如 [转卖]进行直接盈利或[编辑后售卖]进行间接盈利)。
2、本站所有内容均由合作方或网友上传,本站不对文档的完整性、权威性及其观点立场正确性做任何保证或承诺!文档内容仅供研究参考,付费前请自行鉴别。
3、如文档内容存在违规,或者侵犯商业秘密、侵犯著作权等,请点击“违规举报”。

碎片内容

电池各项性能测试标准

您可能关注的文档

确认删除?
VIP
微信客服
  • 扫码咨询
会员Q群
  • 会员专属群点击这里加入QQ群
客服邮箱
回到顶部