电脑桌面
添加小米粒文库到电脑桌面
安装后可以在桌面快捷访问

电缆敷设安全技术交底VIP免费

电缆敷设安全技术交底_第1页
1/3
电缆敷设安全技术交底_第2页
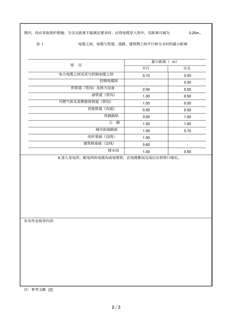
2/3
电缆敷设安全技术交底_第3页
3/3
1/3电缆敷设安全技术交底工程名称:节能大厦施工单位中天宝业集团建设单位设备名称作业内容交底部门交底人施工期限年月日至年月日接受交底班组或员工签名:交底内容:1.供电电缆应沿道路路边或建筑物边缘埋设,并宜沿直线敷设;转弯处和直线段每隔20m处应设电缆走向标志。2.电缆直埋时,其表面距地面的距离不宜小于0.2~0.7m;电线上下应铺以软土或砂土,其厚度不得小于100㎜,并应盖砖保护。3.电缆与铁路、厂区道路交叉处,应敷设在坚固的保护管内;管的两端宜伸出路基2m。4.低压电缆(不包括油浸电缆)需架空敷设时,应沿建筑物、构筑物架设,其架设高度不应低于2m;接头处应绝缘良好,并应采取防水措施。5.电缆直埋时,电缆之间,电缆与其他管道、道路、建筑物等之间平行和交叉时的最小距离应符合表1的规定。严禁将电缆平行敷设于管道的上方或下方。特殊情况应按下列规定执行:1)电力电缆间、控制电缆间以及它们相互之间在交叉点前后1m范围内,当电缆穿入管中或用隔板隔开时,其交叉距离可减为0.25m。2)电缆与热力管道(管沟)及热力设备平行、交叉时,应采取隔热措施,使电缆周围土壤的温度不超过10℃。3)电缆与热力管道(管沟)、油管道(管沟)、可燃气体及易燃液体管道(管沟)、热力设备或其他管道(管沟)之间,虽距离能满足要求,但检修管路可能伤及电缆时,在交叉点前后1m范2/3围内,尚应采取保护措施;当交叉距离不能满足要求时,应将电缆穿入管中,其距离可减为0.25m。表1电缆之间、电缆与管道、道路、建筑物之间平行和交叉时的最小距离项目最小距离(m)平行交叉电力电缆之间及其与控制电缆之间0.100.50控制电缆间-0.50热管道(管沟)及热力设备2.000.50油管道(管沟)1.000.50可燃气体及易燃液体管道(管沟)1.000.50其他管道(沟道)0.500.50铁路路轨3.001.00公路1.501.00城市街道路面1.000.70电杆基础(边线)1.00-建筑物基础(边线)0.60-排水沟1.000.506.进入变电所、配电所的电缆沟或电缆管,在电缆敷设完成后应将管口堵实。补充作业指导内容:注:参考文献[2]3/3

1、当您付费下载文档后,您只拥有了使用权限,并不意味着购买了版权,文档只能用于自身使用,不得用于其他商业用途(如 [转卖]进行直接盈利或[编辑后售卖]进行间接盈利)。
2、本站所有内容均由合作方或网友上传,本站不对文档的完整性、权威性及其观点立场正确性做任何保证或承诺!文档内容仅供研究参考,付费前请自行鉴别。
3、如文档内容存在违规,或者侵犯商业秘密、侵犯著作权等,请点击“违规举报”。

碎片内容

电缆敷设安全技术交底

确认删除?
VIP
微信客服
  • 扫码咨询
会员Q群
  • 会员专属群点击这里加入QQ群
客服邮箱
回到顶部