电脑桌面
添加小米粒文库到电脑桌面
安装后可以在桌面快捷访问

电除尘器施工方案实用文档VIP免费

电除尘器施工方案实用文档_第1页
1/50
电除尘器施工方案实用文档_第2页
2/50
电除尘器施工方案实用文档_第3页
3/50
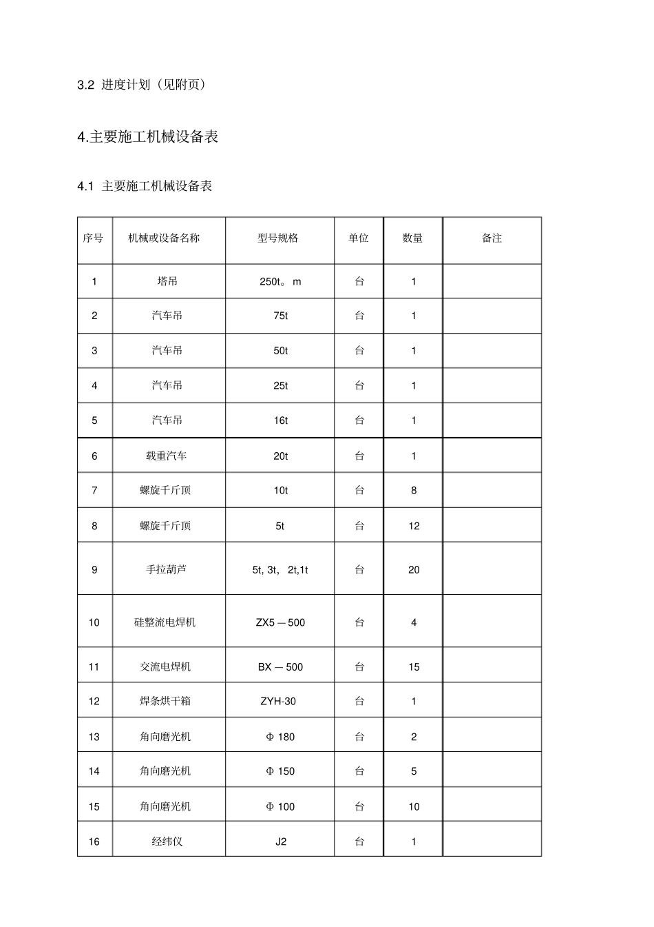
电除尘器施工方案(1)实用文档(实用文档,可以直接使用,可编辑优秀版资料,欢迎下载)1、工程概况:本工程设计3台双室四电场除尘器,结构为干式、板式、卧式静电除尘,专为新疆美克化工3台循环流化床锅炉烟气除尘配套设计。本静电除尘器包括钢支柱、灰斗、壳体结构、阳极系统、阴极系统,进出口封头、梯子平台、壳体保温、内外顶盖及顶部起吊设备等。2、编制依据:2.1电除尘器施工图.2。2《电除尘器安装说明书》。2.3《电除尘器机械安装技术条件》(JB/T8536—2021)。2。4《火力发电厂焊接技术规程》(DL/T869—2004)。2。5《建筑钢结构焊接技术规程》(JGJ81—2002).2。6《现场设备、工业管道焊接工程施工及验收规范》(GB50236-2021)。2。7《机械设备安装工程施工及验收通用规范》(GB50231-2021)。2.8《电站钢结构焊接通用技术条件》(DL/T678-1999).2.9《电力建设施工技术规范-锅炉机组篇》(DL/T5047-95)。2.10《电力建设施工质量验收及评价规程》(DL/T5210.2—2021).2。11《建筑安装工人安全技术规程》。3、施工人员计划及进度计划3。1项目现场劳动力计划1)本工程拟定投入电除尘安装施工人员人数为30人劳动力计划表序号工种人数资质备注1焊工8中、高级工,技师持特种作业操作证2钳工2中、高级工,技师3铆工8中、高级工,技师4起重工3中、高级工,技师持特种作业操作证5普工9合计303.2进度计划(见附页)4.主要施工机械设备表4.1主要施工机械设备表序号机械或设备名称型号规格单位数量备注1塔吊250t。m台12汽车吊75t台13汽车吊50t台14汽车吊25t台15汽车吊16t台16载重汽车20t台17螺旋千斤顶10t台88螺旋千斤顶5t台129手拉葫芦5t,3t,2t,1t台2010硅整流电焊机ZX5—500台411交流电焊机BX—500台1512焊条烘干箱ZYH-30台113角向磨光机Φ180台214角向磨光机Φ150台515角向磨光机Φ100台1016经纬仪J2台117水准仪S3台15、电除尘安装原则方案5.1地面组合与设备吊装同时进行,钢架、灰斗、进出口封头、槽板、阴阳极板等设备为散件,需组合后吊装,根据现场组合情况及吊车时间,各工序间可以进行调整或交叉进行。5.2由于施工场地狭窄,2#、3#电除尘基础又未施工完成,吊装机械主要选用75t、25t汽车吊,另外选用塔吊TC7052吊装1#、2#电除尘的阴极框架。3.3下部钢支架采用就地组合成片吊装,每片组合件之间的横梁单独吊装,除尘器上部立柱和大梁组合吊装,进口封头与节流孔板组合吊装,出口封头组合吊装,槽板组合成整体单独吊装,阴、阳极板组合成片吊装,其余零部件为散装。5、电除尘器施工工艺流程6、施工方案6.1钢支架安装6。1.1钢立柱采用预埋地脚螺栓,在安装前应对混凝土支墩和钢支架的预埋地脚螺栓进行验收,都要符合有关设计图样的要求。基础允许偏差(见下表)。名称长度(m)偏差(㎜)柱距≤10<±3>10<±5对角线≤20<±6>20<±8标高≤±36。1.2预埋地脚螺栓检查合格后,在每个地脚螺栓上戴一个M30的螺母,螺母上平面标高为EL100.12.每根钢支柱划出一米标高线、编号、测量钢支柱长度偏差,作好记录,根据基础标高和立柱长度的偏差配出垫铁,支柱垫铁数量不得超过五块,测量每块预埋板的地脚螺栓位置并按图校正,准备工作做好后开始吊装。划出支架各平面十字中心线及等高线,作为测量基准。钢支架各支承面水平标高允差为±3㎜,垂直度允差5㎜。6.1。3按图安装柱支撑,支撑安装要求位置正确、焊接牢固、不得漏焊。6.2膨胀支座及底梁安装6。2。1每根钢支柱顶部安装一个膨胀支座,用来调整整个电除尘的膨胀,其中一个为固定支座,其它为活动支座,首先在其地面按其安装位置编号,按设计调好每个活动支座的膨胀量和膨胀方向,作好记录,在支承顶板和底板上分别划出十字中心线,作为测量基准.支承严格按图纸要求就位人座,注意单向、双向支承的位移方向.作好支承顶板临时定位,临时固定要可靠,待投运前将临时定位拆除。各支承上平面标高偏差为±3㎜。用吊车就位在钢支座顶部。与钢支柱顶部板焊接,焊接时应分几次施焊,以防温度过高损坏中间的聚四氟乙烯板。6.2.2底梁在地面分件部分组合吊装,组合前对设备进行外观检查,如有缺陷和变形,处理后再进行组合。划出所有底梁的纵横中心线,梁...

1、当您付费下载文档后,您只拥有了使用权限,并不意味着购买了版权,文档只能用于自身使用,不得用于其他商业用途(如 [转卖]进行直接盈利或[编辑后售卖]进行间接盈利)。
2、本站所有内容均由合作方或网友上传,本站不对文档的完整性、权威性及其观点立场正确性做任何保证或承诺!文档内容仅供研究参考,付费前请自行鉴别。
3、如文档内容存在违规,或者侵犯商业秘密、侵犯著作权等,请点击“违规举报”。

碎片内容

电除尘器施工方案实用文档

确认删除?
VIP
微信客服
  • 扫码咨询
会员Q群
  • 会员专属群点击这里加入QQ群
客服邮箱
回到顶部