电脑桌面
添加小米粒文库到电脑桌面
安装后可以在桌面快捷访问

砂石垫层技术交底VIP免费

砂石垫层技术交底_第1页
1/5
砂石垫层技术交底_第2页
2/5
砂石垫层技术交底_第3页
3/5
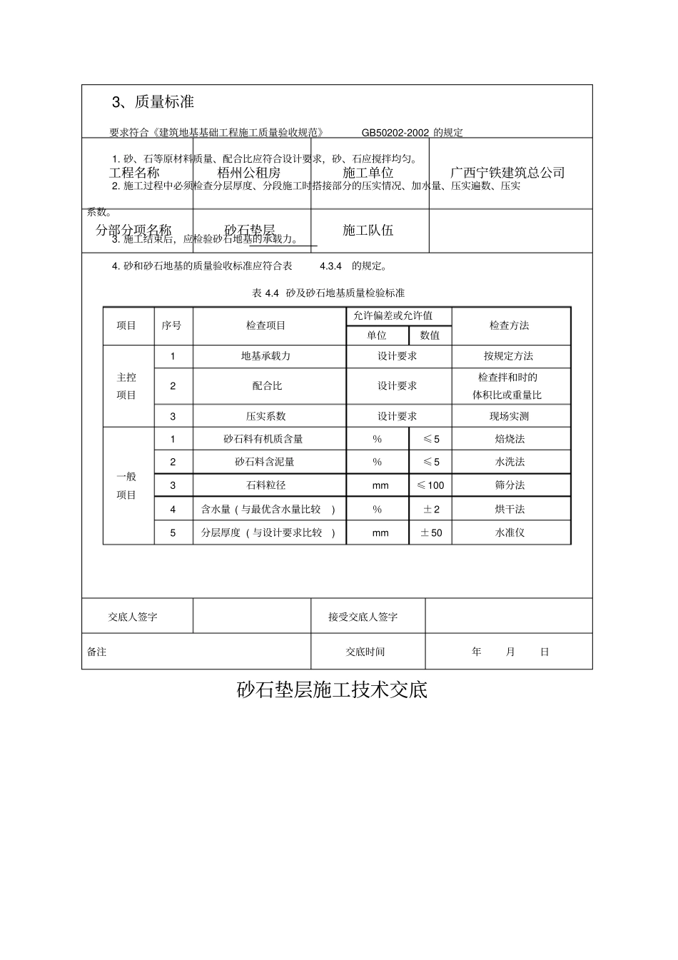
砂石垫层施工技术交底砂石垫层施工技术交底工程名称分部分项名称砂石垫层施工队伍技术交底内容:①设计图纸内容②施工规范要求③质量验评标准1、施工准备1.材料及主要机具:2.天然级配砂石或人工级配砂石:宜采用质地坚硬的中砂、粗砂、砾砂、碎(卵)石、石屑或其他工业废粒料。在缺少中、粗砂和砾石的地区,可采用细砂,但宜同时掺入一定数量的碎石或卵石,其掺量应符合设计要求。颗粒级配应良好。3.级配砂石材料,不得含有草根、树叶、塑料袋等有机杂物及垃圾。用做排水固结地基时,含泥量不宜超过3%。碎石或卵石最大粒径不得大于垫层或虚铺厚度的2/3,并不宜大于50mm。4.主要机具:一般应备有木夯、蛙式或柴油打夯机、推土机、压路机(6~10t)、手推车、平头铁锹、喷水用胶管、2m靠尺、小线或细铅丝、钢尺或木折尺等。5.作业条件:6.设置控制铺筑厚度的标志,如水平标准木桩或标高桩,或在固定的建筑物墙上、槽和沟的边坡上弹上水平标高线或钉上水平标高木橛。7.在地下水位高于基坑(槽)底面的工程中施工时,应采取集水坑排水措施(参照排水施工交底),使基坑(槽)保持无水状态。8.铺筑前,应组织有关单位共同验槽,包括轴线尺寸、水平标高、地质情况,如有无孔洞、沟、井、墓穴等。应在未做地基前处理完毕并办理隐检手续。9.检查基槽(坑)、管沟的边坡是否稳定,并清除基底上的浮土和积水。交底人签字接受交底人签字备注交底时间年月日工程名称梧州公租房施工单位广西宁铁建筑总公司砂石垫层施工技术交底分部分项名称砂石垫层施工队伍2、操作工艺1.工艺流程:检验砂石质量——按比例搅拌均匀——分层铺筑砂石——洒水夯实或碾压——找平——验收。2对级配砂石进行技术鉴定,如是人工级配砂石,应将砂石拌合均匀,其质量均应达到设计要求或规范的规定。3.分二次铺筑,一次铺设15cm,共30cm。使用打夯机夯实后做压实系数试验,达到设计及规范要求。铺筑的砂石应级配均匀。如发现砂窝或石子成堆现象,应将该处砂子或石子挖出,分别填入级配好的砂石。4.洒水:铺筑级配砂石在夯实碾压前,应根据其干湿程度和气候条件,适当地洒水以保持砂石的最佳含水量,一般为8%~12%。5.夯实或碾压;夯实或碾压的遍数,由现场试验确定。用木夯或蛙式打夯机时,应保持落距为400~500mm,要一夯压半夯,行行相接,全面夯实,一般不少于3遍。边缘和转角处应用人工或蛙式打夯机补夯密实。6.找平和验收;7.施工时应分层找平,夯压密实,并应设置纯砂检查点,用200cm3的环刀取样,测定干砂的质量密度。下层密实度合格后,方可进行上层施工。用贯入法测定质量时,用贯入仪、钢筋或钢叉等以贯入度进行检查,小于试验所确定的贯入度为合格。3.6.2最后一层压(夯)完成后,表面应拉线找平,并且要符合设计规定的标高。交底人签字接受交底人签字备注交底时间年月日工程名称梧州公租房施工单位广西宁铁建筑总公司分部分项名称砂石垫层施工队伍砂石垫层施工技术交底3、质量标准要求符合《建筑地基基础工程施工质量验收规范》GB50202-2002的规定1.砂、石等原材料质量、配合比应符合设计要求,砂、石应搅拌均匀。2.施工过程中必须检查分层厚度、分段施工时搭接部分的压实情况、加水量、压实遍数、压实系数。3.施工结束后,应检验砂石地基的承载力。4.砂和砂石地基的质量验收标准应符合表4.3.4的规定。表4.4砂及砂石地基质量检验标准项目序号检查项目允许偏差或允许值检查方法单位数值主控项目1地基承载力设计要求按规定方法2配合比设计要求检查拌和时的体积比或重量比3压实系数设计要求现场实测一般项目1砂石料有机质含量%≤5焙烧法2砂石料含泥量%≤5水洗法3石料粒径mm≤100筛分法4含水量(与最优含水量比较)%±2烘干法5分层厚度(与设计要求比较)mm±50水准仪交底人签字接受交底人签字备注交底时间年月日工程名称梧州公租房施工单位广西宁铁建筑总公司分部分项名称砂石垫层施工队伍砂石垫层施工技术交底5.砂和砂石地基其竣工后的结果(地基强度或承载力)必须达到设计要求的标准。检验数量,每单位工程不应少于3点,1000m2以上工程,每1OOm2至少应有1点,3000m2以上工程,每300m2至少应有1点。每一独立基...

1、当您付费下载文档后,您只拥有了使用权限,并不意味着购买了版权,文档只能用于自身使用,不得用于其他商业用途(如 [转卖]进行直接盈利或[编辑后售卖]进行间接盈利)。
2、本站所有内容均由合作方或网友上传,本站不对文档的完整性、权威性及其观点立场正确性做任何保证或承诺!文档内容仅供研究参考,付费前请自行鉴别。
3、如文档内容存在违规,或者侵犯商业秘密、侵犯著作权等,请点击“违规举报”。

碎片内容

砂石垫层技术交底

爱的疯狂+ 关注
实名认证
内容提供者

该用户很懒,什么也没介绍

确认删除?
VIP
微信客服
  • 扫码咨询
会员Q群
  • 会员专属群点击这里加入QQ群
客服邮箱
回到顶部