电脑桌面
添加小米粒文库到电脑桌面
安装后可以在桌面快捷访问

移动基站建设_土建、铁塔工程规范标准VIP免费

移动基站建设_土建、铁塔工程规范标准_第1页
1/46
移动基站建设_土建、铁塔工程规范标准_第2页
2/46
移动基站建设_土建、铁塔工程规范标准_第3页
3/46
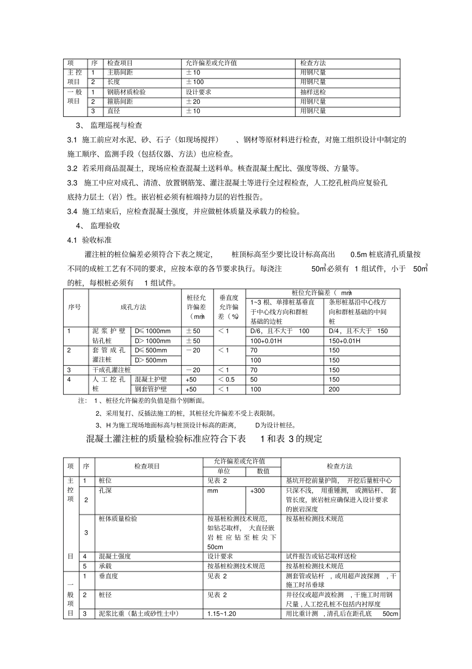
江苏邮通建设监理有限公司安徽分公司一、总则1、为规范工程监理质量标准,进一步提高安徽分公司所承接工程的监理质量,根据相关现行规范,结合工程实际情况,汇总出本工程监理验收规范;2、如与本地规范冲突,以本地规范为主;3、分公司将依据本规范对相关专业员工进行考试;4、适用范围:江苏邮通建设监理有限公司安徽分公司5、本规范如有不足之处,根据实际情况进行补充;二、编制依据:1.1《建设工程监理规范》GB50319—20001.2《建筑工程质量验收统一标准》GB50300—20011.3《建筑地基基础工程施工质量验收规范》GB50202—20021.4《混凝土结构工程施工质量验收规范》GB50204—20021.5《钢结构工程施工质量验收规范》GB50205—20011.6《砌体工程施工质量验收规范》GB50203—20021.7《塔桅钢结构施工及验收规程》CECS80:961.8《中华人民共和国通信行业标准》YD5011—981.9《移动通信基站防雷与接地设计规范》YD5068—981.10《移动通信钢塔桅工程施工监理暂行规定》YD5133—20051.11《移动通信工程钢塔桅结构验收规范》YD5132—20051.12《通信局(站)防雷与接地工程设计规范》YD5098—20051.13《电信专用房屋工程施工监理规范》YD5073—20051.14《防静电地面施工及验收规范》SJ/T31469-2002(一)桩基础施工监理要点1、桩基工程施工要求1.1桩位的放样允许偏差如下:1.2村基工程的桩位验收,和设计有规定外,应按下述要求进行:1.3打(压)入村(预制混凝土方桩,先张法预应力管桩、钢桩)的桩位偏差必须符合下表之规定。斜桩倾斜度的偏差不得大于倾斜角正切值的15%(倾斜角是桩的纵向中心线与铅垂线间夹角)。预制桩(钢桩)桩位的允许偏差项项目允许偏差1盖有基础梁的桩:(1)垂直基础梁的中心线(2)沿基础梁的中心线100+0.01H150+0.01H2桩数为1—3根桩基中的桩1003桩数为4—16根桩基中的桩1/2桩径或边长4桩数大于16根桩基中的桩:(1)最外边的桩(2)中间桩1/3桩径或边长1/2桩径或边长1.4工程桩应进行承重力检验。对于地基基础设计等级为甲级或地质条件复杂,成桩质量可靠性低的灌注桩,应采用静载荷试验的方法进行检验,检验桩数不少于总数的1%,且不应少于3根,当总桩数少于50根时,不应少于2根。1.5桩身质量应进行检验。对设计等级为甲级或地质条件复杂,成检质量可靠性低的灌注桩,抽检数量不应少于总数的30%,且不应少于20根;其他桩基工程的抽检数量不应少于总数的20%,且不应少于10根;对混凝土预制桩及地下水位以上且终孔后经过核验的灌注桩,检验数量不应少于总桩数的10%,且不得少于10根。每个柱子承台下不得少于1根。1.6对砂、石子、钢材、水泥等原材料的质量、检验项目、批量和检验方法,应符合国空现行标准的规定。2、混凝土灌注桩2.1材料质量要求2.1.1混凝土原材料质量要求2.1.1.1粗骨料应采用质地坚硬的卵石、碎石其粒径宜用15~25mm。卵石不宜大于50mm,碎石不宜大于40mm。含泥量不大于2%,无垃圾及杂物。2.1.1.2细骨料应选用质地坚硬的中砂,含泥量小于5%,无垃圾、草根、泥块等杂物。2.1.1.3水泥宜用32.5级或42.5级的普通硅酸盐水泥或硅酸盐水泥,使用前必须查明其品种、强度等级、出厂日期,应有出厂质量证明,到现场后分批风证取样,复试合格后才准使用。严禁用快硬水泥浇筑水下混凝土。2.1.2水一般饮用水或洁净的自然水。2.2灌注桩钢筋及钢筋笼质量要求混凝土灌注桩所用钢筋应有出厂合格证,钢筋到达现场,分批随机抽样、见证复合格后方准使用。混凝土灌注桩钢筋笼质量标准见下表项序检查项目允许偏差或允许值检查方法主控项目1主筋间距±10用钢尺量2长度±100用钢尺量一般项目1钢筋材质检验设计要求抽样送检2箍筋间距±20用钢尺量3直径±10用钢尺量3、监理巡视与检查3.1施工前应对水泥、砂、石子(如现场搅拌)、钢材等原材料进行检查,对施工组织设计中制定的施工顺序、监测手段(包括仪器、方法)也应检查。3.2若采用商品混凝土,现场应检查混凝土送料单。核查混凝土配比、强度等级、方量等。3.3施工中应对成孔、清渣、放置钢筋笼、灌注混凝土等进行全过程检查,人工挖孔桩尚应复验孔底持力层土(岩)性。嵌岩桩必须有桩端持力层的岩性报告。3.4施...

1、当您付费下载文档后,您只拥有了使用权限,并不意味着购买了版权,文档只能用于自身使用,不得用于其他商业用途(如 [转卖]进行直接盈利或[编辑后售卖]进行间接盈利)。
2、本站所有内容均由合作方或网友上传,本站不对文档的完整性、权威性及其观点立场正确性做任何保证或承诺!文档内容仅供研究参考,付费前请自行鉴别。
3、如文档内容存在违规,或者侵犯商业秘密、侵犯著作权等,请点击“违规举报”。

碎片内容

移动基站建设_土建、铁塔工程规范标准

确认删除?
VIP
微信客服
  • 扫码咨询
会员Q群
  • 会员专属群点击这里加入QQ群
客服邮箱
回到顶部