电脑桌面
添加小米粒文库到电脑桌面
安装后可以在桌面快捷访问

移动脚手架验收表VIP免费

移动脚手架验收表_第1页
1/3
移动脚手架验收表_第2页
2/3
移动脚手架验收表_第3页
3/3
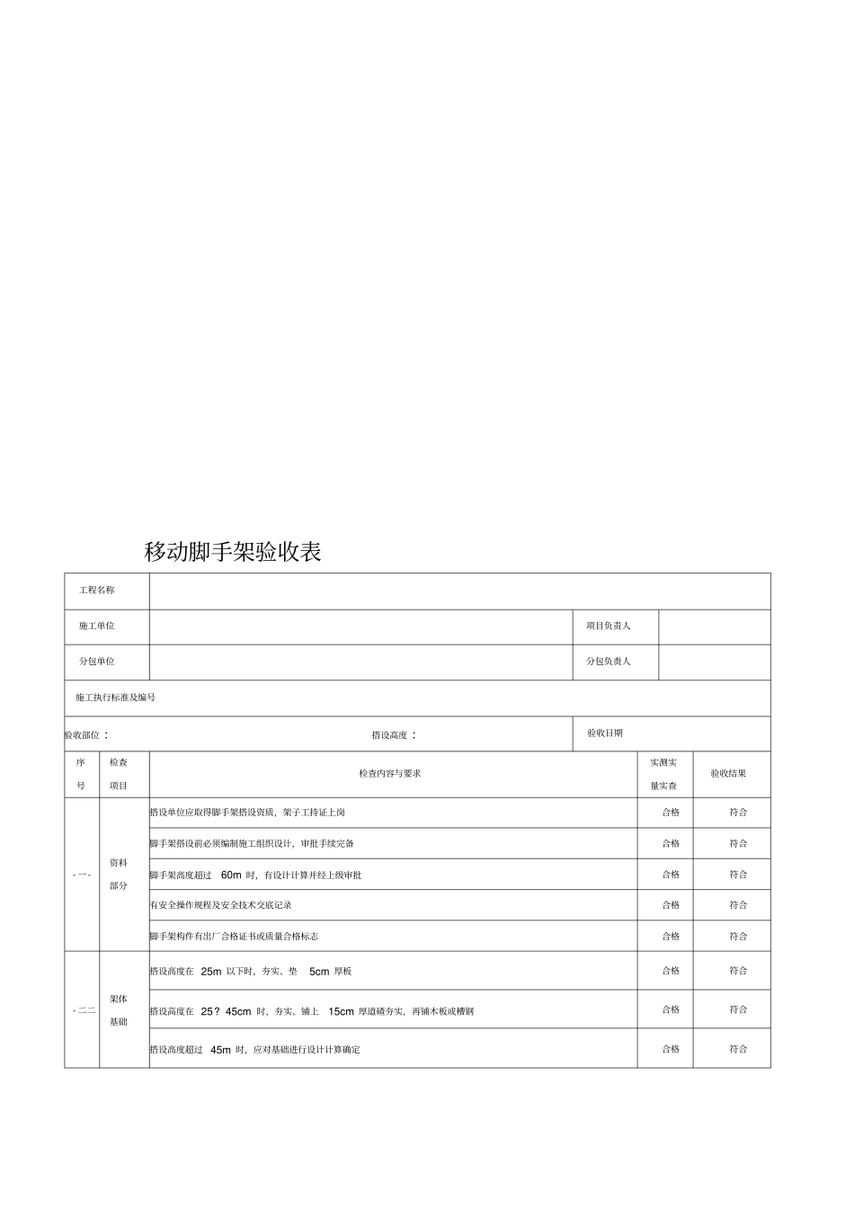
移动脚手架验收表工程名称施工单位项目负责人分包单位分包负责人施工执行标准及编号验收部位:搭设高度:验收日期序号检查项目检查内容与要求实测实量实查验收结果-一-资料部分搭设单位应取得脚手架搭设资质,架子工持证上岗合格符合脚手架搭设前必须编制施工组织设计,审批手续完备合格符合脚手架高度超过60m时,有设计计算并经上级审批合格符合有安全操作规程及安全技术交底记录合格符合脚手架构件有岀厂合格证书或质量合格标志合格符合-二二架体基础搭设高度在25m以下时,夯实、垫5cm厚板合格符合搭设高度在25?45cm时,夯实、铺上15cm厚道碴夯实,再铺木板或槽钢合格符合搭设高度超过45m时,应对基础进行设计计算确定合格符合底步门架下端纵横设置扫地杆,调整门架不均匀沉降合格符合二架体稳定门架内外侧均应设高叉支撑、并与门架立杆锁牢合格符合采用刚性连墙件:架高<45m时,垂直w6m,每两层设一处,水平w8m;架高45?60m时,垂直w4m水平w6m合格符合水平架的设置:架高<45m时,每二步门架设一道,架高45?60m时,每步门架设一道合格符合剪刀撑:架高>20m外侧每隔4步设置一道,并形成水平闭合圈,宽度为4?8m,与地面夹角45°?60°;接长采用搭接》50cm合格符合四杆件锁件不同产品的门架与零配件不得混用合格符合上下门架的组装必须设置连接棒及锁臂合格符合各部件的锁臂、搭钩等必须处于锁紧状态合格符合五脚手板作业层应连接满铺挂扣式脚手板,其搭钩应与门架横梁扣紧,用滑动挡板锁牢合格符合采用一般脚手板时,应与门架横杆绑牢,严禁岀现探头板,并沿高度每步设置一道水平加固杆或水平架合格符合六架体作业层外侧设置两道防护栏杆和挡脚板,应符合规范要求合格符合架体外侧用密目式安全网封闭合格符合供作业人员上下使用的钢梯应锁扣牢固合格符合七架体安全防护门架及其配件的规格,质量应符合《门式脚手架》JGJ76)的规定合格符合主要受力杆件变形较严重,锈蚀面积达50%以上,有片状剥落花流水,不能修复和经性能试验不能满足要求的,应报废处理合格符合八荷载均布施工荷载合格符合结构架3kN/m2,装饰架2kN/mi合格符合同时有两个以上作业层时,在一个架距内各作业层的施工均布荷载总和不得超过5kn/m:合格符合九垂直度与水平度垂直度每步架允许偏差(mmh/1000及土2.0合格符合脚手架整体允许偏差(mm)h/600及土5.0合格符合水平度一跨距内水平架两端高差允许偏差(mm)土1/600及土3.0合格符合脚手架整体差允许偏差(mm)±1/600及土5.0合格符合验收结论:年月日总包单位分包单位验收人签名监理单位意见:专业监理工程师:年月日注:1.在20m及20m以下,由项目负责人组织技术人员进行验收;

1、当您付费下载文档后,您只拥有了使用权限,并不意味着购买了版权,文档只能用于自身使用,不得用于其他商业用途(如 [转卖]进行直接盈利或[编辑后售卖]进行间接盈利)。
2、本站所有内容均由合作方或网友上传,本站不对文档的完整性、权威性及其观点立场正确性做任何保证或承诺!文档内容仅供研究参考,付费前请自行鉴别。
3、如文档内容存在违规,或者侵犯商业秘密、侵犯著作权等,请点击“违规举报”。

碎片内容

移动脚手架验收表

您可能关注的文档

确认删除?
VIP
微信客服
  • 扫码咨询
会员Q群
  • 会员专属群点击这里加入QQ群
客服邮箱
回到顶部