电脑桌面
添加小米粒文库到电脑桌面
安装后可以在桌面快捷访问

日升光学抛光检验标准VIP免费

日升光学抛光检验标准_第1页
1/3
日升光学抛光检验标准_第2页
2/3
日升光学抛光检验标准_第3页
3/3
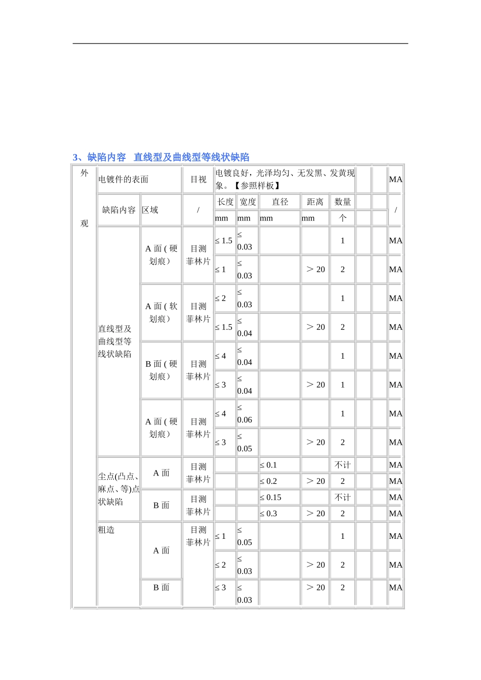
日升光学有限公司抛光检验标准(四)1、检验条件1.2.1光源:壹支40W日光灯照射下距物件0.6~0.75米1.2.2目视距离:35±5cm1.2.3目视角度:检测面与人眼方向成45°~90°1.2.4目视时间:5~10S2定义2.1A面:指工件正面.(在使用过程中能直接看到的表面)2.2B面:指工件四侧边。(需将工件偏转45~90°才能看到的四周边)2.3软划痕:没有深度的划痕。(无手感)2.4硬划痕:硬物摩擦造成的划痕或有深度的划痕。2.5批锋:边缘突起。2.6麻点:点状或线状物覆盖于产品表面的缺陷。2.7凸点:表面凸点状缺陷。2.8沙眼:由于模具压伤后留下的印痕。2.9螺丝过松;把脚丝轻轻抖动就开合或竖放因地球引力作用自由开合。2.10发黑;火力控制不当、焊膏使用不当等引起。2.11少焊;焊缝周围有不够焊现象、允许范围;顺畅、对外观效果影响不大2.12多焊;焊缝周围有附焊现象、允许范围;平整顺畅、对外观效果影响不大2.13沙孔;因清洗不干净、焊膏使用不当等引起。2.14磨损;因打磨过度致使局部缺失。允许范围;平整顺畅、对外观效果影响不大2.15变形;因打磨过度致使局部变形。允许范围;平整顺畅、对外观效果影响不大2.16混款;因标识及摆放不当致使大小码相混。2.17打磨不透;该打磨的没磨到、漏磨。2.18喷砂过界;喷砂超过规定区域。2.19喷砂不均;喷砂不均匀、2.20喷砂粗细不符;对生产单、样板。2.21清洗不干净;表面残留污渍。2.22布毛;表面缝隙残留布轮线。2.23布轮纹;螺丝孔位出现条状痕迹;3、缺陷内容直线型及曲线型等线状缺陷外观电镀件的表面目视电镀良好,光泽均匀、无发黑、发黄现象。【参照样板】MA缺陷内容区域/长度宽度直径距离数量/mmmmmmmm个直线型及曲线型等线状缺陷A面(硬划痕)目测菲林片≤1.5≤0.031MA≤1≤0.03>202MAA面(软划痕)目测菲林片≤2≤0.031MA≤1.5≤0.04>202MAB面(硬划痕)目测菲林片≤4≤0.041MA≤3≤0.04>201MAA面(硬划痕)目测菲林片≤4≤0.061MA≤3≤0.05>202MA尘点(凸点、麻点、等)点状缺陷A面目测菲林片≤0.1不计MA≤0.2>202MAB面目测菲林片≤0.15不计MA≤0.3>202MA粗造A面目测菲林片≤1≤0.051MA≤2≤0.03>202MAB面≤3≤0.03>202MA毛边披峰A面目测菲林片//MAB面≤1.5≤1.51MA

1、当您付费下载文档后,您只拥有了使用权限,并不意味着购买了版权,文档只能用于自身使用,不得用于其他商业用途(如 [转卖]进行直接盈利或[编辑后售卖]进行间接盈利)。
2、本站所有内容均由合作方或网友上传,本站不对文档的完整性、权威性及其观点立场正确性做任何保证或承诺!文档内容仅供研究参考,付费前请自行鉴别。
3、如文档内容存在违规,或者侵犯商业秘密、侵犯著作权等,请点击“违规举报”。

碎片内容

日升光学抛光检验标准

您可能关注的文档

确认删除?
VIP
微信客服
  • 扫码咨询
会员Q群
  • 会员专属群点击这里加入QQ群
客服邮箱
回到顶部