电脑桌面
添加小米粒文库到电脑桌面
安装后可以在桌面快捷访问

10上期期8年级试题(定稿)VIP免费

10上期期8年级试题(定稿)_第1页
1/2
10上期期8年级试题(定稿)_第2页
2/2
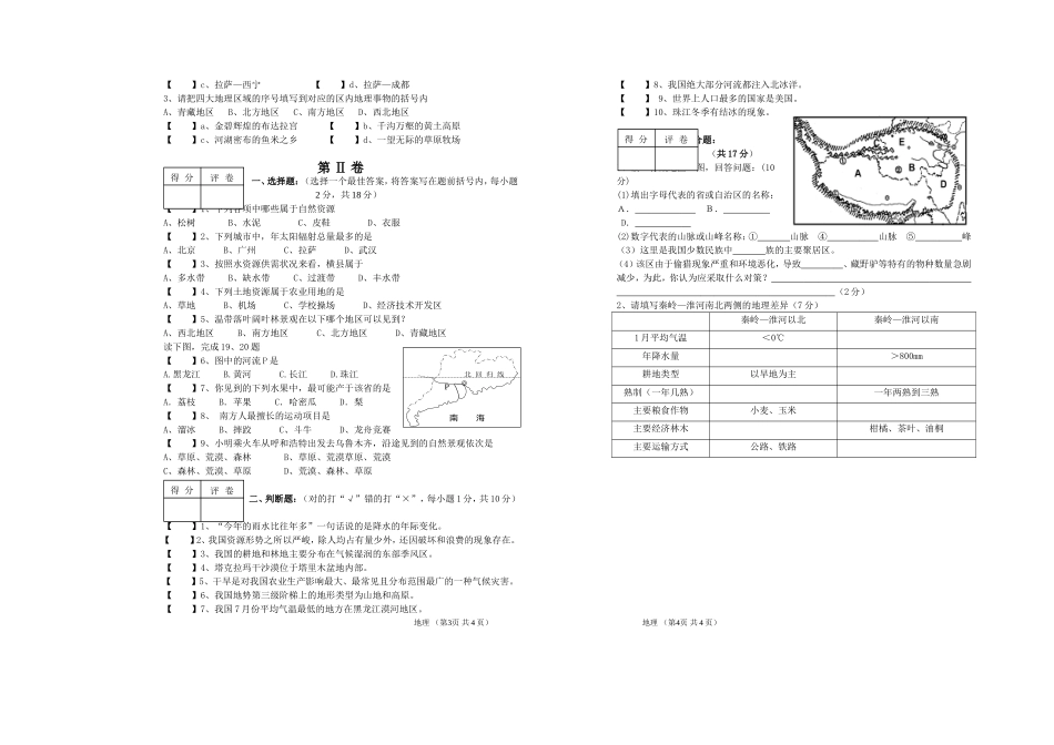
2007年秋季学期八年级期末文化素质检测试题地理本试卷分第Ⅰ卷和第Ⅱ卷,第Ⅰ卷三大题共55分,主要考查基础知识,第Ⅱ卷二大题共45分,主要考查基本技能。总分100分,时间90分钟。(亲爱的同学,经过一年半学习,相信你拥有了丰富的地理知识和技能。展示自我的时候到了,冷静思考、沉着应答,你肯定表现出色!相信自己,成功就在眼前!加油!)题号第Ⅰ卷第Ⅱ卷总分一二三一二三得分第Ⅰ卷一、选择题:(选择一个最佳答案,将其序号写在题前括号内,每小题2分,共32分)【】1、下列山脉既属于东西走向,又是我国重要地理分界线的是A、贺兰山B、秦岭C、太行山D、横断山【】2、下列地区与主要土地利用类型搭配正确的是A、长江中下游平原--林地B、塔里木盆地--耕地C、内蒙古高原--草地D、华北平原--荒漠【】3、下列不属于我国著名的四大海产的是A、大黄鱼B、鲤鱼C、带鱼D、乌贼【】4、新疆瓜果闻名中外,特别甜的原因是A、气温高,降水丰沛B、气候干燥,气温低,风力强C、沙性土壤肥沃D、云量少,光照强,气温日较差大【】5、某地形区,土质疏松植被稀少,夏季在暴雨冲刷下水土流失严重,该地区是A、东北平原B、华北平原C、长江中下游平原D、黄土高原【】6、我国年降水最少的地方是A、火烧寮B、南京C、上海D、托克逊【】7、请选出以下选项中大致经过秦岭——淮河的是①1月0℃等温线②800mm年等降水量线③季风区与非季风区的分界线④亚热带与暖温带的分界线⑤南方与北方的分界线⑥多水带与过渡带的分界线A、①②③④B、①②④⑤⑥C、①②③④⑥D、①②③④⑤【】8、2007年5月29日上午,在高温条件下,无锡太湖流域突然暴发大面积蓝藻,供给全市市民的饮水源也迅速被蓝藻污染。你认为缓解水资源缺乏的有效途径是A、跨流域调水B、兴修水库C、兴修水利设施D、节约用水、防止水污染【】9、下列水电站中,位于长江水系的是A、西津水电站B、岩滩水电站C、小浪底水电站D、二滩水电站【】10、以下林区属于人工林的是A、东北林区B、大兴安岭林区C、西南林区D、东南林区【】11、南方地区比北方地区占优势的矿产资源是A、煤炭B、石油C、有色金属D、天然气【】12、我国大陆海岸线由北向南的起止点所在的省(区)是A、黑龙江、海南B、辽宁、广东C、辽宁、广西D、辽宁、海南【】13、下列各组省区中,全部位于北方的是A、甘.宁.皖.苏B、苏.皖.豫.辽C、陕.甘.鲁.粤D、鲁.京.津.黑【】14、我国地势呈阶梯状分布,总趋势是:A、北高南低B、西低东高C、南高北低D、西高东低【】15、关于青藏地区的叙述正确的是①以干旱为主的的自然特征②河流较少,多为内流河③具有丰富的太阳能资源④很多山峰终年积雪,冰川广布A、①②B、③④C、②③D、①④【】16、我国年降水量分布的总趋势是:A、从南向北逐渐减少B、从东部沿海向西部地区递增C、从东向西逐渐减少D、从东南沿海向西北内陆递减二、填空题。(每空1分,共12分)1、我国面积最大的淡水湖是;最长的内流河是;最大的渔场是;煤炭资源最丰富的省区是省。2、根据土地的用途和利用状况,土地的利用类型可分为耕地、和草地。3、我国土地资源的基本国情是。4、我们的祖国全称是,位于的东部,在的西岸。5、被称为“世界屋脊”的高原是。6、我国人数最多的民族是,约占全国总人数的﹪三、配对题(共11分)1、请把下列山脉的序号填到对应的地区分界线的题前括号内:A、阴山B、太行山C、秦岭【】a、季风区与非季风区的分界线【】b、第二级阶梯和第三级阶梯的分界线【】c、南方地区与北方地区的分界线2、请把下列公路的序号填到对应的起讫点的括号内:A、川藏公路B、青藏公路C、新藏公路D、中尼公路【】a、拉萨—加德满都【】b、拉萨—叶城地理(第3页共4页)地理(第4页共4页)评卷人得分评卷人得分评卷人得分装订线密封线装订线准考证号(每字一格)学校班别姓名(密封线内不要答题)【】c、拉萨—西宁【】d、拉萨—成都3、请把四大地理区域的序号填写到对应的区内地理事物的括号内A、青藏地区B、北方地区C、南方地区D、西北地区【】a、金碧辉煌的布达拉宫【】b、千沟万壑的黄土高原【】c、河湖密布的鱼米之乡【】d、一望无际的草原牧场第Ⅱ卷一、选择题:(选择一...

1、当您付费下载文档后,您只拥有了使用权限,并不意味着购买了版权,文档只能用于自身使用,不得用于其他商业用途(如 [转卖]进行直接盈利或[编辑后售卖]进行间接盈利)。
2、本站所有内容均由合作方或网友上传,本站不对文档的完整性、权威性及其观点立场正确性做任何保证或承诺!文档内容仅供研究参考,付费前请自行鉴别。
3、如文档内容存在违规,或者侵犯商业秘密、侵犯著作权等,请点击“违规举报”。

碎片内容

10上期期8年级试题(定稿)

您可能关注的文档

确认删除?
VIP
微信客服
  • 扫码咨询
会员Q群
  • 会员专属群点击这里加入QQ群
客服邮箱
回到顶部