电脑桌面
添加小米粒文库到电脑桌面
安装后可以在桌面快捷访问

资产评估实务(一)功能性贬值与经济性贬值知识点VIP专享VIP免费

资产评估实务(一)功能性贬值与经济性贬值知识点_第1页
1/9
资产评估实务(一)功能性贬值与经济性贬值知识点_第2页
2/9
资产评估实务(一)功能性贬值与经济性贬值知识点_第3页
3/9
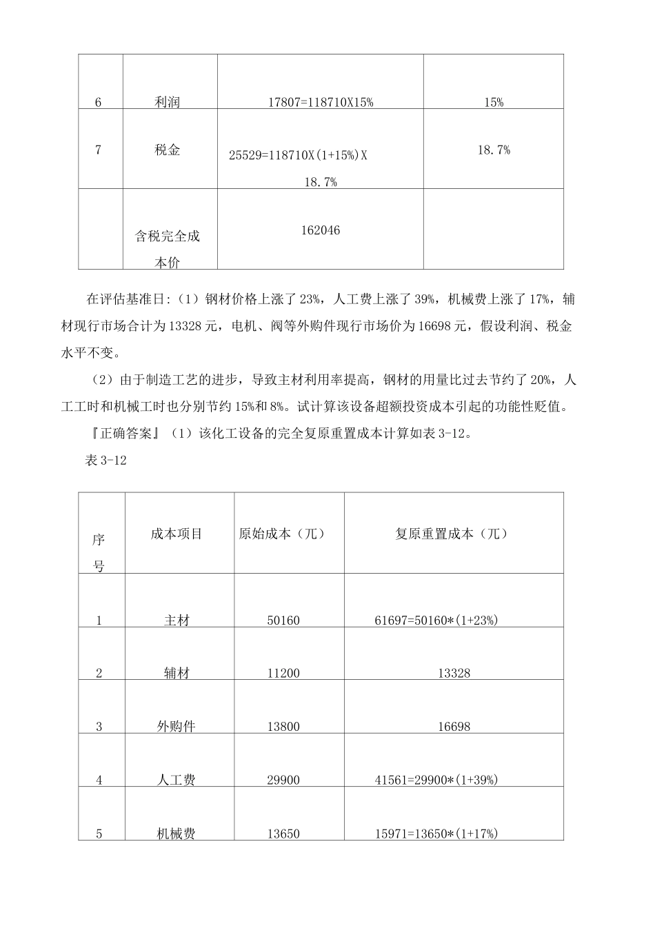
功能性贬值与经济性贬值(四)功能性贬值功能性贬值(D)是由于无形磨损而引起资产价值的损失称为机器设备的功能性贬值。f设备的功能贬值主要体现在超额投资成本和超额运营成本两方面。1•第I种功能性贬值(超额投资成本)第I种功能性贬值反映在超额投资成本上,复原重置成本与更新重置成本之差即为第I种功能性贬值,也称为超额投资成本。【教材例题3-9】某化工设备,1980年建造,建筑成本项目及原始造价成本如表3-11表3-11原始成本表序号成本项目原始成本(兀)备注1主材50160钢材22.8吨2辅材11200铝、橡胶、聚乙烯、铜等3外购件13800电机、阀4人工费29900598工时X50元5机械费13650136.5小时X100元成本小计1187106利润17807=118710X15%15%7税金25529=118710X(1+15%)X18.7%18.7%含税完全成本价162046在评估基准日:(1)钢材价格上涨了23%,人工费上涨了39%,机械费上涨了17%,辅材现行市场合计为13328元,电机、阀等外购件现行市场价为16698元,假设利润、税金水平不变。(2)由于制造工艺的进步,导致主材利用率提高,钢材的用量比过去节约了20%,人工工时和机械工时也分别节约15%和8%。试计算该设备超额投资成本引起的功能性贬值。『正确答案』(1)该化工设备的完全复原重置成本计算如表3-12。表3-12序号成本项目原始成本(兀)复原重置成本(兀)1主材5016061697=50160*(1+23%)2辅材11200133283外购件13800166984人工费2990041561=29900*(1+39%)5机械费1365015971=13650*(1+17%)成本小计1187101492556利润1780722388=149255*15%7税金2552932097=149255*(1+15%)*18.7%含税完全成本价162046203740(2)该设备的更新重置成本计算如表3-13表3-13序号成本项目计算过程更新重置成本(兀)1主材22.8*0.8*2200*1.23493572辅材13328133283外购件16698166984人工费598*0.85*50*1.39353275机械费136.5*0.92*100*1.1714693成本小计1294031294036利润1941019410=129403*15%7税金2782827828=129403*(1+15%)*18.7%含税完全成本价176641176641(3)超额投资成本引起的功能性贬值超额投资成本引起的功能性贬值二复原重置成本-更新重置成本=203740-176641=27099(元)徉原重畫成本〔表3-12)^>^03740II1字新重着成本〔表3-13^[=>76641II匚二>203740-176641=27099在评估中,如果可以直接确定设备的更新重置成本,则不需要再计算复原重置成本'超额投资成本引起的功能性贬值也不需要计算卡2•第II种功能性贬值(运营性功能性贬值)计算超额运营成本引起的功能性贬值的步骤如下:(1)分析比较被评估机器设备的超额运营成本因素;(2)确定被评估设备的尚可使用寿命,计算每年的超额运营成本;(3)计算净超额运营成本;(4)确定折现率,计算超额运营成本的折现值。【教材例题3-10】计算某电焊机超额运营成本引起的功能性贬值。(1)分析比较被评估机器设备的超额运营成本因素:经分析比较,被评估的电焊机与新型电焊机相比,引起超额运营成本的因素主要为老产品的能耗比新产品高。通过统计分析,按每天8小时工作,每年300个工作日,每台老电焊机比新电焊机多耗电6000度。6000X0.厅匚二>超额运营成本6000X0.5X(1-253匚二>净超额运营成本可用10年,运营性功能贬值=6000X05XC1-25WX(P/A,10^,W)(2)确定被评估设备的尚可使用寿命,计算每年的超额运营成本:根据设备的现状,评估人员预计该电焊机尚可使用10年,如每度电按0.5元计算,贝V:每年的超额运营成本=6000X0.5=3000(元)(3)计算净超额运营成本:所得税按25%计算,贝V:税后每年净超额运营成本二税前超额运营成本X(1-所得税)=3000X(1-25%)=2250(元)(4)确定折现率,计算超额运营成本的折现值:折现率为10%,10年的年金现值系数为6.145,贝h净超额运营成本的折现值二净超额运营成本X年金折现系数=2250X6.145^13826(元)该电焊机由于超额运营成本引起的功能性贬值为13826元。(五)经济性贬值1.引起机器设备经济性贬值的因素(1)市场竞争加剧产品需求减少,设备开工不足,生产能力相对过剩,而产品价格没有提高。原材料、能源等提价,造成成本提高,而生产的产品售价没有相应提高。(2)国家能源、环保等法律使得生产成本提高或者强制报废,缩短使用寿命。2.经济性贬值的计算(...

1、当您付费下载文档后,您只拥有了使用权限,并不意味着购买了版权,文档只能用于自身使用,不得用于其他商业用途(如 [转卖]进行直接盈利或[编辑后售卖]进行间接盈利)。
2、本站所有内容均由合作方或网友上传,本站不对文档的完整性、权威性及其观点立场正确性做任何保证或承诺!文档内容仅供研究参考,付费前请自行鉴别。
3、如文档内容存在违规,或者侵犯商业秘密、侵犯著作权等,请点击“违规举报”。

碎片内容

资产评估实务(一)功能性贬值与经济性贬值知识点

确认删除?
VIP
微信客服
  • 扫码咨询
会员Q群
  • 会员专属群点击这里加入QQ群
客服邮箱
回到顶部