电脑桌面
添加小米粒文库到电脑桌面
安装后可以在桌面快捷访问

导热油炉施方案VIP免费

导热油炉施方案_第1页
1/18
导热油炉施方案_第2页
2/18
导热油炉施方案_第3页
3/18
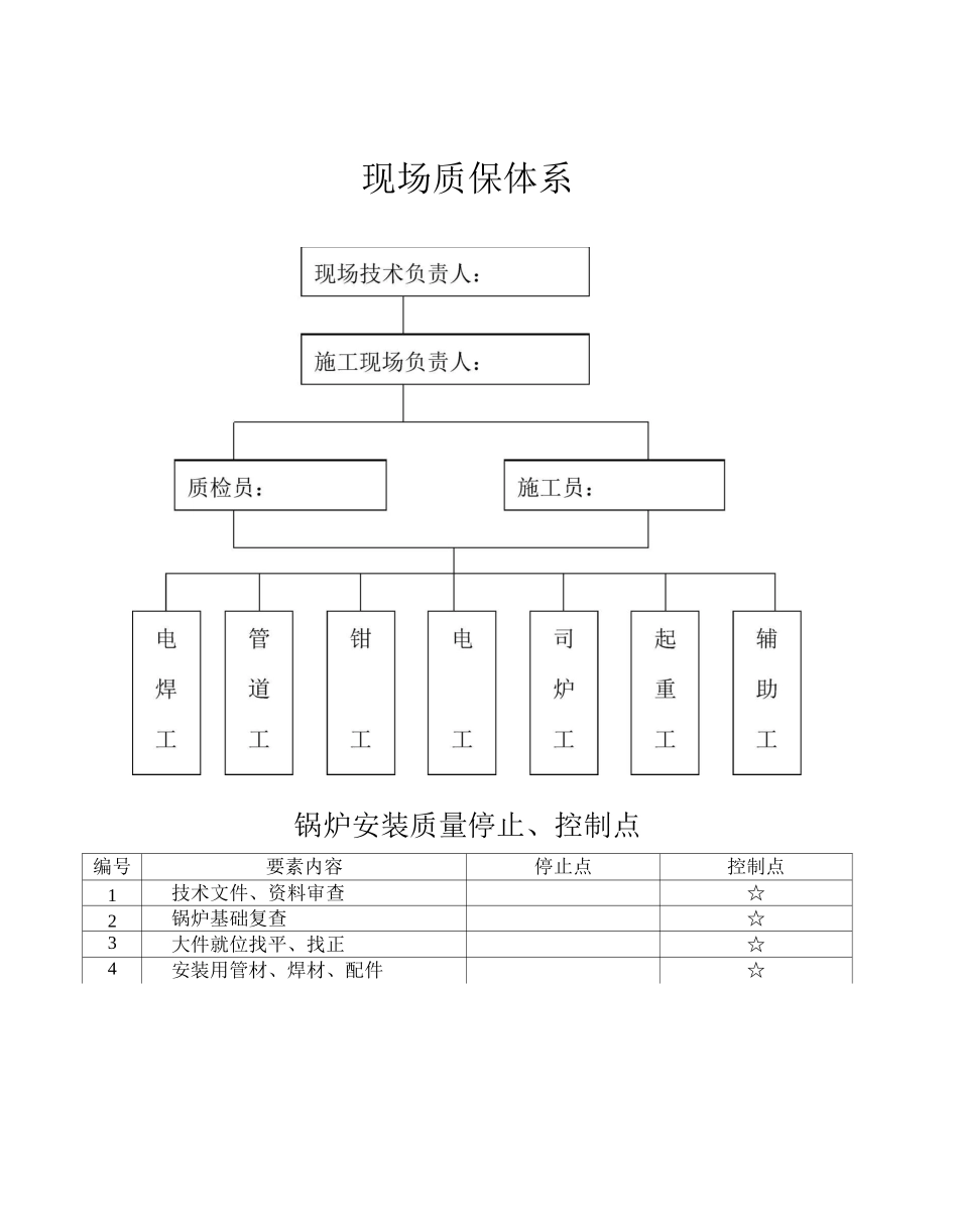
有机热载体炉安装施工方案用户单位:工程项目:有机热载体炉安装设备型号:方案编号:工程概况使用单位:备容量:2300KW工作压力:0.8MPa设备制造厂:锅炉有限公司用途:生产燃烧方式:层状燃烧设备型号:YLW2300(200)工作温度:320°C出厂编号:安装地址:燃料品种:All规程规范为了提高锅炉安装质量,确保锅炉安全运行,本锅炉安装严格执行下列规程、范规、标准、制度:1、《特种设备安全监察条例》2、《江苏省特种设备安全监察条例》3、《蒸汽锅炉安全技术监察规程》4、《有机热载体炉安全技术监察规程》5、《工业锅炉安装工程施工及验收规范》6、《锅炉安装质量保证手册》现场质保体系锅炉安装质量停止、控制点编号要素内容停止点控制点1技术文件、资料审查☆2锅炉基础复查☆3大件就位找平、找正☆4安装用管材、焊材、配件☆5受压元件焊接☆6安全附件校验☆7水压试验*☆8单体运行☆9烘煮炉10试运行☆11总体验收*机具计划序号机具名称、型号数量状况备注1电焊机,氩弧焊机1/1良好2试压泵1良好3空压机1套良好4氧气乙炔气割设备1套良好5角向磨光机1良好6烘筒1良好7小型工具箱1套良好8检验检测工具箱1套良好劳动力计划序号工种姓名持证情况备注1电焊工持证2电焊工持证3管钳工持证4管钳工持证5电工持证工程进度时间项目1、锅炉技术资料、辅机验收2、锅炉本体就位、校正3、锅炉辅机的安装4、锅炉汽水管路的安装5、锅炉仪表、阀门的安装6、锅炉烟道的安装7、锅炉水处理设备安装8、锅炉水压试验9、锅炉烘炉10、锅炉煮炉11、锅炉试运行12、锅炉总体试验备注工程开工日期工程竣工日期施工质量要求为确保锅炉安装质量,保证锅炉经济安全运行,应严格执行《锅炉安装通用工艺》、《锅炉安装质保手册》和下列质量要求。项目质量要求锅炉就位中心线与基准线偏差W3mm。除尘器不明显倾斜,安装牢靠、严密、不漏风,除尘效果良好。引风机地基牢靠、运转正常,无任何异常声响,冷却水畅通并可见。烟囱应不明显不倾斜,风绳松紧一致,避雷装置应符合要求。仪表压力表应校验,装设齐全,仪表应灵敏、可靠、清晰。阀门主汽阀、排污阀、安全阀应已校验,阀门安装正确,开闭灵活,无任何泄露。管路、附件管路焊接点外观成形良好、无泄漏、附件符合安装要求。施工技术措施施工项目技术措施锅炉本体校正基础应平整合格、就位后计量基准偏差,随时调整校正。安装除尘器除尘器管道连接好以后,再将地脚螺栓紧固,杜绝漏风。安装引风机安装引风机不可将调风装反,要保将进气方向与叶轮旋转致。安装烟道烟道联接紧固,保证无任何泄漏。吊装烟囱烟囱起吊后应保持垂直,随时调整垂直度。安装仪表压力表盘面应垂直,刻度盘上应划红线用以指示工作压力。安装阀门按图施工保证安装后无泄漏。安装管路等附件管路布置应先找基准,排污管应尽量减少弯头。供油管对接、打磨坡口、点焊、固定、施焊、外检、焊接。焊回油管对接、打磨坡口、点焊、固定、施焊、外检、焊接。注油管等对接、打磨坡口、点焊、固定、施焊、外检、焊接。接其它检验方法项目检验方法备注锅炉本体就位用透明软管测量、直尺测量基本偏差。除尘器安装目测检查应无任何泄漏引风机安装试拔传传组,检查是否有过紧,摩擦应无异常声响。吊装烟囱吊线检杳垂直度。仪表安装目测安装正确、启动灵敏可靠。阀门安装阀门安装正确,启闭应灵活、无任何泄漏。管路附件安装按照图纸检查管线布置、正确、横平竖直、有一定坡度。电控柜及线路辅设目测按图施工、合理、准确。焊接用焊缝规检查焊缝几何尺寸、目测焊接外观成形良好。备注安全技术措施工种安全技术措施电焊工1、佩戴安全帽进入施工现场;2、施工前认真检杳焊机、氧乙炔设备,确保安好;3、协助电工对焊机接线;4、施焊前做好个人防护工作;5、焊机进线处应设档板,线路加绝缘护套;6、严禁在有压力的设备上施焊;7、气割场地应离氧乙炔瓶10m以上;两瓶至少要有保持余压0.05-0.1Mpa。起吊工1、佩戴安全帽进入施工现场;2、吊装应对所有设备检杳,确保完好;3、吊装人员穿戴好个人保护用品;4、严禁在线路旁吊装作业;5、吊装作业严格服从指挥人员的安排;6、无关人员不得进入现场;7、高空作业应系安全带并且有人监护...

1、当您付费下载文档后,您只拥有了使用权限,并不意味着购买了版权,文档只能用于自身使用,不得用于其他商业用途(如 [转卖]进行直接盈利或[编辑后售卖]进行间接盈利)。
2、本站所有内容均由合作方或网友上传,本站不对文档的完整性、权威性及其观点立场正确性做任何保证或承诺!文档内容仅供研究参考,付费前请自行鉴别。
3、如文档内容存在违规,或者侵犯商业秘密、侵犯著作权等,请点击“违规举报”。

碎片内容

导热油炉施方案

您可能关注的文档

确认删除?
VIP
微信客服
  • 扫码咨询
会员Q群
  • 会员专属群点击这里加入QQ群
客服邮箱
回到顶部