电脑桌面
添加小米粒文库到电脑桌面
安装后可以在桌面快捷访问

监理平行检验表VIP免费

监理平行检验表_第1页
1/6
监理平行检验表_第2页
2/6
监理平行检验表_第3页
3/6
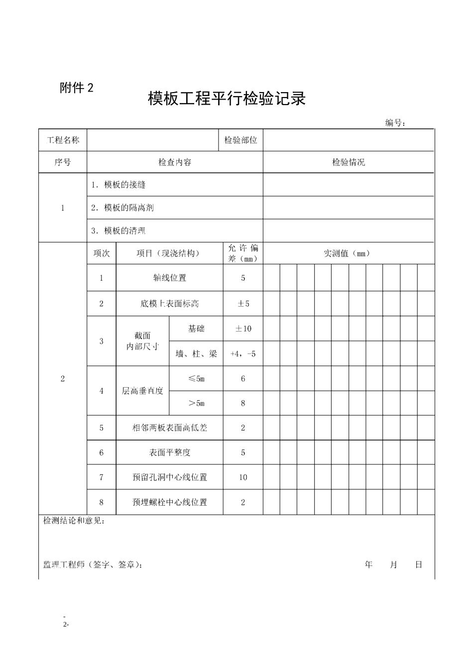
附件1钢筋工程平行检验记录编号工程名称检验部位序号检查内容检查情况11外观质量(锈蚀、裂纹、损伤、油污、平直等)2钢筋型号规格间距2项次项目设计值(mm)允许偏差(mm)实测值(mm)1直径偏差(mm)2箍筋平直段长度3箍筋内净尺寸±54受力钢筋间距±10排距±5保护层厚度基础±10柱、梁±5板、墙、壳±35箍筋和横向钢筋间距±206钢筋弯起点位置207钢筋接头位置及长度8钢筋锚固长度(锚固位置)9预埋件中心位置5水平咼差+3,0检测结论和意见:监理工程师(签字、签章):年月日-2-附件2模板工程平行检验记录编号:-3-编号:检验结论和意见:监理工程师(签字、签章):附件3现浇混凝土工程平行检验记录附件4-地下防水工程平行检验记录-4-编号:工程名称检杳部位序号检杳内容检验情况1原材料防水材料的外观、品种、规格、尺寸、性能等应符合设计、规范要求防水材料抽样检验报告抗渗试块2防水砼应密实,表面平整,不得有露筋、蜂窝;裂缝宽度不得大于3水泥砂浆防水层不得有空鼓、裂纹、起砂、麻面等缺陷4卷材防水层不得有损伤、空鼓、折皱等缺陷卷材搭接宽度防水卷材品种实测搭接宽度(规范值:mm)5涂料防水层不得有脱皮、流淌、鼓泡、露胎、折皱等缺陷平均厚度应符合设计要求实测平均厚度(不得小于设计值的90%)设计厚度:mm6细部构造材料必须符合设计要求□施工缝□变形缝□后浇带□穿墙管□埋设件□预留通道接头□桩头□孔口防水构造必须符合设计要求□施工缝□变形缝□后浇带□穿墙管□埋设件□预留通道接头□桩头□孔口中埋式止水带埋设位置应准确,其中间空心圆环与变形缝的中心应重合后浇带砼采用膨胀剂的补偿收缩砼,其抗压强度、抗渗性能和限制膨胀率必须符合设计要求桩头砼应密实检测结论和意见:监理工程师(签字、签章):年月日-5-附件4-2屋面防水工程平行检验记录编号:工程名称检杳部位序号检杳内容检验情况1原材料防水材料的外观、品种、规格、尺寸、性能等应符合设计、规范要求产品合格证和性能检测报告防水材料抽样检验报告2屋面保护层的排水坡度,必须符合设计要求3平瓦屋面、沥青瓦屋面、玻璃米光顶屋面、金属板屋面不得有渗漏现象4平瓦屋面瓦片必须铺置牢固。在大风及地震设防地区或屋面坡度大于100%时,瓦材应米取固定加强措施5沥冃瓦屋面铺设应拾接正确,瓦片外露部分不得超过切口长度6玻璃米光顶屋面,硅酮结构胶和密封胶的打注应密实、连续、饱满,粘结应牢固,不得有气泡、开裂、脱落等缺陷7复合防水层不得有渗漏或积水现象8密封材料嵌填必须密实、连续、饱满、粘结牢固,无气泡、开裂、脱落等缺陷9卷材防水不得有渗漏或积水现象卷材搭接宽度防水卷材品种实测搭接宽度(-10mm)10涂膜防水不得有渗漏或积水现象平均厚度应符合设计要求实测平均厚度(不得小于设计值的80%)设计厚度:mm11细部构造防水构造必须符合设计、规范的要求□天沟和檐沟□檐口□女儿墙和山墙□水落口口变形缝□屋面出入口□伸出屋面管道□设施基座口不得有渗漏或积水现象女儿墙和山墙的压顶做法应符合设计要求,压顶向内排水坡度不应小于5%,压顶内侧下端应做鹰嘴或滴水槽检测结论和意见:监理工程师(签字、签章):年月日-6-附件5门窗工程平行检验记录编号:工程名称检查部位材质序号检查内容检验情况1质量保证资料门窗产品应有出厂合格证、出厂检验报告及使用说明书建筑外窗的气密性、保温性能、中空玻璃露点、玻璃遮阳系数和可见光透射比应符合设计要求3门窗的品种、类型、规格、尺寸、开启方向、安装位置、连接方式4副框安装必须牢固,预埋件的数量、位置、埋置方式、与框的连接方式5门窗安装固定后,框与墙体间隙填充饱满,并用密封胶密封6铝合金推拉窗用于外墙时,应设置防脱落装置7项目设计、规范要求(mm)实测值(mm)主型材壁厚副框铝合金主型材塑料窗主型材塑料窗增强型钢塑料窗拼樘管增强型钢门窗框连接件固定片与窗角、中竖框、中横框的间距固定片中间距门窗槽口宽度、高度W1500mm>1500mm门窗槽口对角线长度差W2000mm>2000mm检验结论和意见:监理工程师(签字、签章):

1、当您付费下载文档后,您只拥有了使用权限,并不意味着购买了版权,文档只能用于自身使用,不得用于其他商业用途(如 [转卖]进行直接盈利或[编辑后售卖]进行间接盈利)。
2、本站所有内容均由合作方或网友上传,本站不对文档的完整性、权威性及其观点立场正确性做任何保证或承诺!文档内容仅供研究参考,付费前请自行鉴别。
3、如文档内容存在违规,或者侵犯商业秘密、侵犯著作权等,请点击“违规举报”。

碎片内容

监理平行检验表

wxg+ 关注
实名认证
内容提供者

该用户很懒,什么也没介绍

相关文档

确认删除?
VIP
微信客服
  • 扫码咨询
会员Q群
  • 会员专属群点击这里加入QQ群
客服邮箱
回到顶部