电脑桌面
添加小米粒文库到电脑桌面
安装后可以在桌面快捷访问

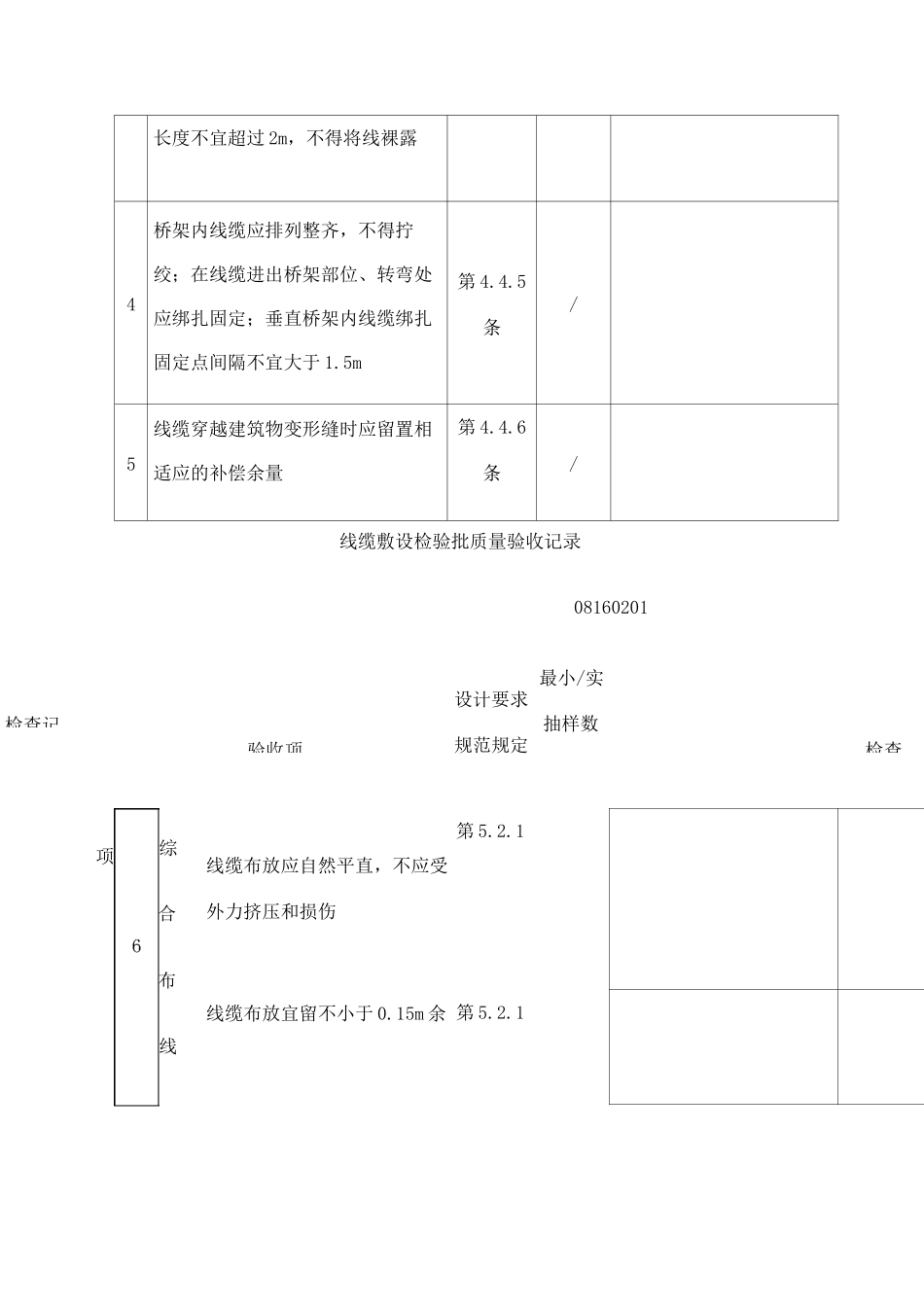
线缆敷设检验批VIP免费

线缆敷设检验批_第1页
1/5
线缆敷设检验批_第2页
2/5
线缆敷设检验批_第3页
3/5
线缆敷设检验批质量验收记录08160201单位(子单位)工程名称智能建筑/安全技分项工程名施工单位分包单位施工依据分部(子分部)工程名称术防范系统线缆敷设项目负责人检验批容量分包单位项目负责人检验批部位线缆敷设检验验收依据最小/实设计要求验收项目规范规定第3.5.1抽样数《智能建筑工程施工规范》GB50606-2010检查记录检查结果材料、器具、设备进场质量检测线缆两端应有防水、耐摩擦的永久性标签,标签书写应清晰、准确第4.5.1报警线缆连接应在端子箱或分支盒内进行,导线连接应采用可靠压接或焊接火灾自动报警系统的线缆应符合防火设计要求火灾自动报警系统,按规范检查线缆的种类、电压等级桥架、线管内线缆间不应拧绞,线缆间不得有接头线缆的最小允许弯曲半径应符合国家标准规定线管出线口与设备接线端子之间,应采用金属软管连接,金属软管第13.2.1第13.1.3第13.1.3第4.5.2第4.4.3第4.4.4验收项检查记检查长度不宜超过2m,不得将线裸露4桥架内线缆应排列整齐,不得拧绞;在线缆进出桥架部位、转弯处应绑扎固定;垂直桥架内线缆绑扎固定点间隔不宜大于1.5m第4.4.5条/5线缆穿越建筑物变形缝时应留置相适应的补偿余量第4.4.6条/线缆敷设检验批质量验收记录08160201最小/实设计要求抽样数规范规定综项合布线第5.2.1线缆布放应自然平直,不应受外力挤压和损伤线缆布放宜留不小于0.15m余第5.2.1第2款从配线架引向工作区各信息端口4对对绞电缆的长度不应大于90m第5.2.1条第3款/线缆敷设拉力及其它保护措施应符合产品厂家的施工要求第5.2.1条第4款/线缆弯曲半径宜符合规定第5.2.1条第5款/线缆间净距应符合规定第5.2.1条第6款/室内光缆桥架内敷设时宜在绑扎固定处加装垫套第5.2.1条第7款/线缆敷设施工时,现场应安装稳固的临时线号标签,线缆上第5.2.1/第5.2.1条第5.2.1条配线架、打模块前应安装永久条线号标签第8款线缆经过桥架、管线拐弯处,应保证线缆紧贴底部,且不应悬空、不受牵引力。在桥架的拐弯处应采取绑扎或其他形式固定距信息点最近的一个过线盒穿线时应宜留有不小于0.15m的余量专业工长(施工员):施工单位项目专业质量检查员:检杳结果日年监理(建设)单位验收结论专业监理工程师(建设单位项目专业负责人):年月注:本表内容的填写需依据《现场验收检验批检查原始记录》。本检验批质量验收的规范依据见本页背

1、当您付费下载文档后,您只拥有了使用权限,并不意味着购买了版权,文档只能用于自身使用,不得用于其他商业用途(如 [转卖]进行直接盈利或[编辑后售卖]进行间接盈利)。
2、本站所有内容均由合作方或网友上传,本站不对文档的完整性、权威性及其观点立场正确性做任何保证或承诺!文档内容仅供研究参考,付费前请自行鉴别。
3、如文档内容存在违规,或者侵犯商业秘密、侵犯著作权等,请点击“违规举报”。

碎片内容

线缆敷设检验批

您可能关注的文档

确认删除?
VIP
微信客服
  • 扫码咨询
会员Q群
  • 会员专属群点击这里加入QQ群
客服邮箱
回到顶部