电脑桌面
添加小米粒文库到电脑桌面
安装后可以在桌面快捷访问

简易数字万用表设计VIP免费

简易数字万用表设计_第1页
1/10
简易数字万用表设计_第2页
2/10
简易数字万用表设计_第3页
3/10
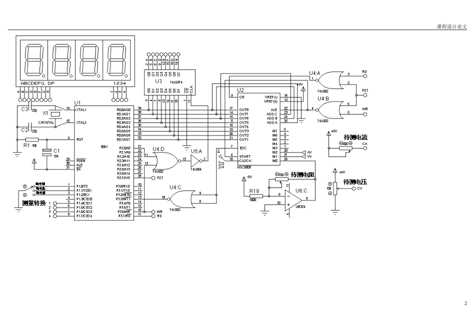
课程设计论文1、设计任务1.1设计目的采用8位8路A/D转换器ADC0809和AT89S52单片机,设计一台数字多用表,能进行电压、电流和电阻的测量,测量结果通过LED数码管显示,通过按键进行测量功能转换。1.2设计指标及要求电压测量范围0~5V,测量误差约为0.02V,电流测量范围1~100mA,测量误差约为0.5mA,电阻测量范围0~1000Ω,测量误差约为2Ω。2、设计思路与总体框图2.1设计思路首先利用P0口数据地址复用,将地址通过P0口输入到单片机中。再利用模数转换将模拟信号转换成数字信号,再次利用P0口将其输入到单片机。最后,充分利用单片机强大的运算转化功能将其转成适当的二进制信号控制数显以确保正确的显示被测量的读数。2.2总体框图3、系统硬件电路的设计3.1数字多用表的主电路数字多表仪表主电路如图1所示。89S52单片机通过线选方式扩展了A/D转换器ADC0809和4位LED数码管,单片机的P2.7引脚作为ADC0809的片选信号,因此A/D转换器的端口地址为7FFFH.片选信号和信号一起经或非门产生ADC0809的启动信号START和地址锁存信号ALE。片选信号和信号一起经或非门产生输出允许信号OE,OE=1时选通三态门使输出锁存器中的转换结果送入数据总路线。ADC0809的EOC信号经反相后接到89S52的引脚,用于产生A/D转换完成中断请求信号。ADC0809芯片的3位模拟量输入通道地址输入端A、B、C分别接到89S52的P0.0、P0.1和P0.2,故只要向端口地址0C000H分别写入00H~07H,即可启动模拟量输入通道0~7进行A/D转换。ADC0809参考正电压为5V,参考负电压为0V,时钟输入为2MHz。1课程设计论文2课程设计论文图1数字多用表的主电路图3课程设计论文单片机的P1.0~P1.2引脚通过一个转换开关接地,通过判断P1.0~P1..2引脚电平的高低,决定是否进行电阻测量、电压测量或电流测量。3.2数字多用表的电阻测量输入电路图2所示为数字多用表的电阻测量输入电路。运算放大器的反馈电阻R作为待测量电阻,通过1000Ω电阻R接到电源-5V。假定运算放大器理想,那么放大器的输出电压RV=,将RV送给ADC0809,转换后得到数字量为DV=。单片机读取A/D转换数据,再经过逆向运算可得R=,注意此时得到的R为二进制数,需要转化为十进制数后才能送给数码管显示。程序中采用4字节专利号除法,连续进行4次除以10的除法,依1000Ω范围内不超过2Ω,如果测量其他范围的电阻,需要修改的数值,或者采用其他电路。3.3电压测量输入电路图3所示为数字多用表的电压测量输入电路。待测电压经过低通滤波器滤除高频干扰,再通过同相放大器送给ADC0809,电压测量范围为0~5V,ADC0809的分辨率为8位,测量误差为5/2550.02V.4课程设计论文3.4电流输入测量电路图4所示为数字多用表的电流输入电路。电流测量范围为1~100mA,因为ADC0809是电压转换器件,必须交电流转换为电压才能进行测量,这可以通过串接电阻R来实现,注意R必须很小(例如00.1Ω),否则影响电流数值。由于待测电流和R都很小,R两端的电压也很小,必须将其放大到ADC0809能够分辨的范围之内。5课程设计论文假设待测电流大小为I,R两端节点电压分别为V和V,V经过反向缓冲电路之后V=-V。V和V经过差分放大电路得:V=-(V-V)(V-V)再经过同相放大电路得:AV=V将AV送给ADC0809转换后得到数字量为:DAV=6课程设计论文单片机读取A/D转换数据,再经过逆向运算可得I=有两个问题值得注意,首先,由于电流的单位是mA,不能直接计算I的值应先变换为I=再进行计算;其次,这么算出来的电流值误差比较大,原因是LM324不是精密理想运算放大器,当输入信号很小时误差比较大。因此需要对计算数值进行修正,方法是先计算DAV*50000,然后将结果减去102000这个数值是通过反复测试并经过曲线拟合得到的。5、系统的设计仿真7课程设计论文ABCDEFGH1234ABCDEFGH231U4:A74LS02564U4:B74LS02P1XTAL218XTAL119ALE30EA31PSEN29RST9P0.0/AD039P0.1/AD138P0.2/AD237P0.3/AD336P0.4/AD435P0.5/AD534P0.6/AD633P0.7/AD732P1.0/T21P1.1/T2EX2P1.2/ECI3P1.3/CEX04P1.4/CEX15P1.5/CEX26P1.6/CEX37P1.7/CEX48P3.0/RXD10P3.1/TXD11P3.2/INT012P3.3/INT113P3.4/T014P3.7/RD17P3.6/WR16P3.5/T115P2.7/A1528P2.0/A821P2.1/A922P2.2/A1023P2.3/A...

1、当您付费下载文档后,您只拥有了使用权限,并不意味着购买了版权,文档只能用于自身使用,不得用于其他商业用途(如 [转卖]进行直接盈利或[编辑后售卖]进行间接盈利)。
2、本站所有内容均由合作方或网友上传,本站不对文档的完整性、权威性及其观点立场正确性做任何保证或承诺!文档内容仅供研究参考,付费前请自行鉴别。
3、如文档内容存在违规,或者侵犯商业秘密、侵犯著作权等,请点击“违规举报”。

碎片内容

简易数字万用表设计

您可能关注的文档

确认删除?
VIP
微信客服
  • 扫码咨询
会员Q群
  • 会员专属群点击这里加入QQ群
客服邮箱
回到顶部