电脑桌面
添加小米粒文库到电脑桌面
安装后可以在桌面快捷访问

生产经营单位职工持证上岗监督检查表VIP免费

生产经营单位职工持证上岗监督检查表_第1页
1/3
生产经营单位职工持证上岗监督检查表_第2页
2/3
生产经营单位职工持证上岗监督检查表_第3页
3/3
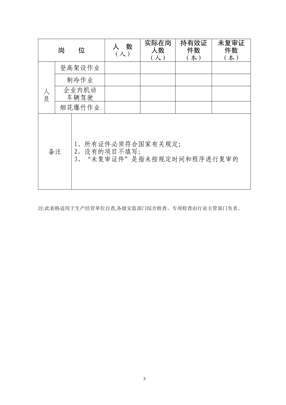
生产经营单位职工持证上岗监督检查表泰州市安全生产监督管理局制企业名称主要负责人联系电话主要产品主要工序特种作业岗位:检查结果:检查时间检查人生产、经营单位安全责任告知书:企业是安全生产的责任主体。根据《中华人民共和国安全生产法》、《江苏省安全生产条例》等有关法律、法规的规定,生产、经营单位的主要负责人对本单位的安全1生产工作全面负责。发生生产安全事故,依据《生产安全事故报告和调查处理条例》的规定,企业和企业主要负责人将承担相关责任。生产、经营单位的安全生产主体责任主要包括:1、企业应遵守有关安全生产的法律、法规,加强本单位安全生产管理,建立、健全安全生产责任制度,完善安全生产条件,确保安全生产。2、企业应当具备的安全生产条件所必需的资金投入,由生产经营单位的决策机构、主要负责人或者个人经营的投资人予以保证,并对由于安全生产所必需的资金投入不足导致的后果承担责任。3、企业应当对从业人员进行安全生产教育和培训,保证从业人员具备必要的安全生产知识,熟悉有关的安全生产规章制度和安全操作规程,掌握本岗位的安全操作技能。未经安全生产教育和培训合格的从业人员,不得上岗作业。4、企业特种作业人员应按照国家有关规定经专门的安全作业培训,取得特种作业操作资格证书,方可上岗作业。5、企业新建、改建、扩建工程项目(以下统称建设项目)的安全设施,必须与主体工程同时设计、同时施工、同时投入生产和使用。安全设施投资应当纳入建设项目概算。6、企业应为从业人员提供符合国家标准或者行业标准的劳动防护用品,并监督、教育从业人员按照使用规则佩戴、使用。7、企业应制定事故应急救援预案并组织演练;重大危险源应登记建档,定期进行检测、评估、监控;建立事故报告制度,并配合事故调查处理工作。8、法律法规规定的其他责任。特此告知,请予遵守。泰州市安全生产监督管理局联系电话:0523-86895017接收单位意见:我单位接受上述告知,并将遵守国家有关法律、法规和规章的规定,加强安全管理,确保生产安全。接收单位:;主要负责人:联系电话:;日期:岗位人数(人)实际在岗人数(人)持有效证件数(本)未复审证件数(本)主要负责人分管负责人安全管理员特种作业电工作业焊工作业危险物品作业2岗位人数(人)实际在岗人数(人)持有效证件数(本)未复审证件数(本)人员登高架设作业制冷作业企业内机动车辆驾驶烟花爆竹作业备注1、所有证件必须符合国家有关规定;2、没有的项目不填写;3、“未复审证件”是指未按规定时间和程序进行复审的注:此表格适用于生产经营单位自查,各级安监部门综合检查。专项检查由行业主管部门负责。3

1、当您付费下载文档后,您只拥有了使用权限,并不意味着购买了版权,文档只能用于自身使用,不得用于其他商业用途(如 [转卖]进行直接盈利或[编辑后售卖]进行间接盈利)。
2、本站所有内容均由合作方或网友上传,本站不对文档的完整性、权威性及其观点立场正确性做任何保证或承诺!文档内容仅供研究参考,付费前请自行鉴别。
3、如文档内容存在违规,或者侵犯商业秘密、侵犯著作权等,请点击“违规举报”。

碎片内容

生产经营单位职工持证上岗监督检查表

您可能关注的文档

确认删除?
VIP
微信客服
  • 扫码咨询
会员Q群
  • 会员专属群点击这里加入QQ群
客服邮箱
回到顶部