电脑桌面
添加小米粒文库到电脑桌面
安装后可以在桌面快捷访问

高三化学一轮复习 2.1.2化学反应速率教学案 苏教版VIP免费

高三化学一轮复习 2.1.2化学反应速率教学案 苏教版_第1页
1/6
高三化学一轮复习 2.1.2化学反应速率教学案 苏教版_第2页
2/6
高三化学一轮复习 2.1.2化学反应速率教学案 苏教版_第3页
3/6
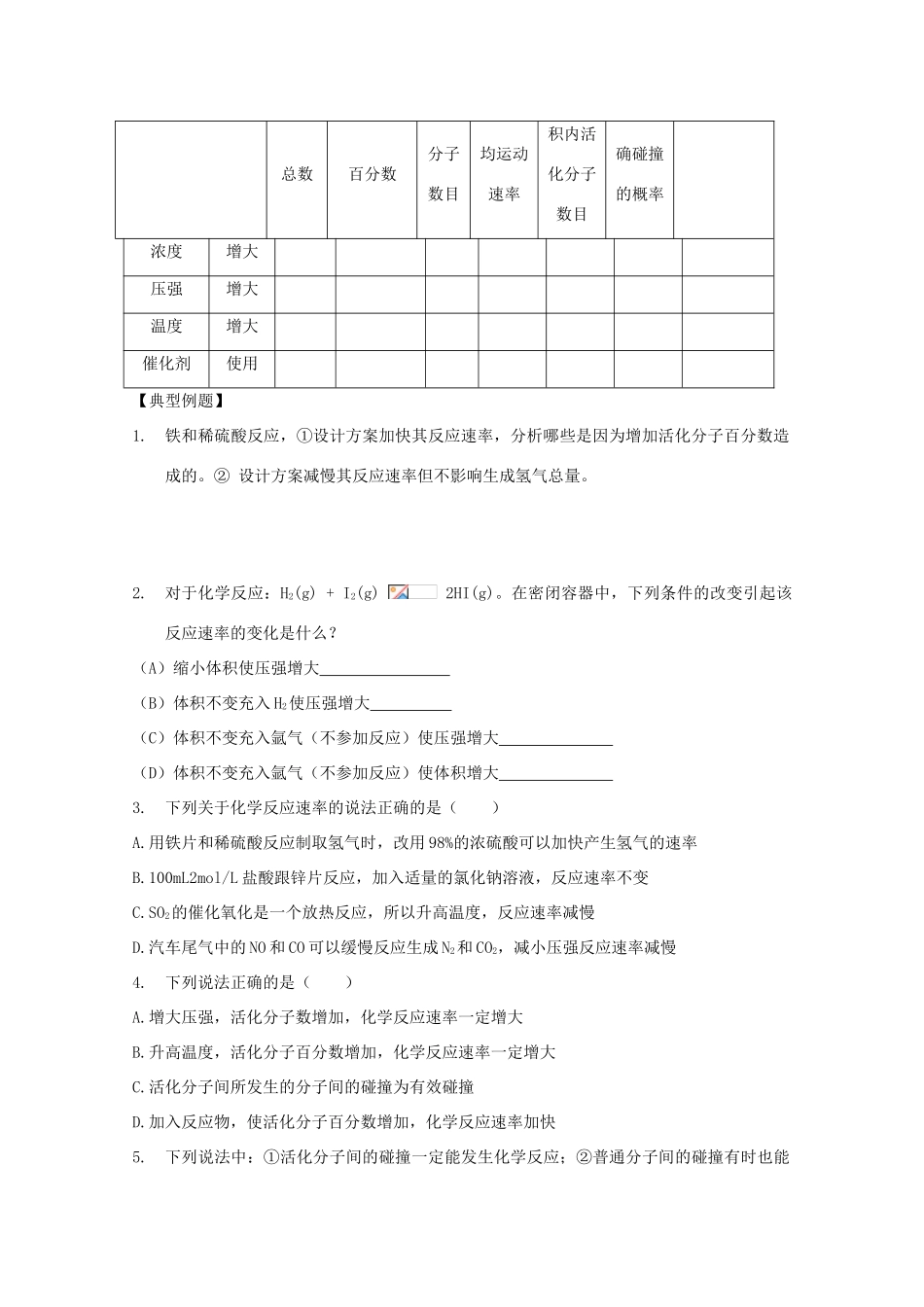
化学反应速率和化学平衡第2课时影响化学反应速率的因素【考纲要求】1.知道活化分子、有效碰撞、活化能的涵义及其对化学反应速率的影响。2.通过实验探究温度、浓度、压强和催化剂对化学反应速率的影响。3.了解活化能对化学反应速率的影响,认识温度、浓度、压强和催化剂影响化学反应速率的一般规律。【知识梳理】一、影响化学反应速率的因素影响化学反应速率的因素主要是;影响化学反应速率的外界因素主要包括:。1.增加反应物浓度,化学反应速率;减少反应物浓度,化学反应速率;思考:C(s)+H2O(g)=CO(g)+H2(g)反应中,加入C,反应物浓度如何变化,速率如何变化?课本实验:利用2KMnO4+5H2C2O4+3H2SO4=K2SO4+2MnSO4+10CO2↑+8H2O设计实验,探究浓度对化学反应速率的影响。注意事项:实验中KMnO4浓度不宜过大,原因:;实验开始时褪色较慢,一段时间后反应变快,原因:;2.对于有参加的反应,增大压强(减小体积),化学反应速率;对于有参加的反应,减小压强(增大体积),化学反应速率。思考1:根据PV=nRT,有几种方法可增大压强?思考2:恒温恒容容器中,SO2和O2发生反应,加入稀有气体Ar,容器内气体压强如何变化?化学反应速率如何变化?思考3:恒温恒压容器中,SO2和O2发生反应,加入稀有气体Ar,容器体积如何变化?化学反应速率如何变化?3.升高温度,吸热反应化学反应速率,放热反应化学反应速率。降低温度,吸热反应化学反应速率,放热反应化学反应速率。课本实验:利用Na2S2O3+H2SO4=Na2SO4+SO2+S↓+H2O设计实验,探究温度对化学反应速率的影响。注意事项:如何判断比较反应进行的快慢:;课本实验:已知4H++4I-+O2=2I2+2H2O,现有1mol/LKI溶液、0.1mol/LH2SO4溶液和淀粉溶液,设计实验探究溶液出现蓝色的时间与温度的关系。注意事项:三种溶液加的先后顺序:。4.加正催化剂,化学反应速率。对同一个反应,不同的催化剂具有(相同、不同)的催化性能。催化剂在不同的温度下具有(相同、不同)的催化性能。对于可逆反应,催化剂对正、逆反应的催化性能(相同、不同)。5.其他因素:。二、简化后的有效碰撞理论1.活化分子:;活化能:;有效碰撞:。2.影响化学反应速率的微观因素:活化分子数目<-分子总数,活化分子百分数取向正确的碰撞<-分子平均运动速率,单位体积内活化分子数目3.用有效碰撞理论解释外界因素对化学反应速率的影响条件变化微观因素变化速率变化分子活化分子活化分子平单位体取向正化学反应发生旧键断裂新键形成反应物分子或离子间的有效碰撞总数百分数分子数目均运动速率积内活化分子数目确碰撞的概率浓度增大压强增大温度增大催化剂使用【典型例题】1.铁和稀硫酸反应,①设计方案加快其反应速率,分析哪些是因为增加活化分子百分数造成的。②设计方案减慢其反应速率但不影响生成氢气总量。2.对于化学反应:H2(g)+I2(g)2HI(g)。在密闭容器中,下列条件的改变引起该反应速率的变化是什么?(A)缩小体积使压强增大(B)体积不变充入H2使压强增大(C)体积不变充入氩气(不参加反应)使压强增大(D)体积不变充入氩气(不参加反应)使体积增大3.下列关于化学反应速率的说法正确的是()A.用铁片和稀硫酸反应制取氢气时,改用98%的浓硫酸可以加快产生氢气的速率B.100mL2mol/L盐酸跟锌片反应,加入适量的氯化钠溶液,反应速率不变C.SO2的催化氧化是一个放热反应,所以升高温度,反应速率减慢D.汽车尾气中的NO和CO可以缓慢反应生成N2和CO2,减小压强反应速率减慢4.下列说法正确的是()A.增大压强,活化分子数增加,化学反应速率一定增大B.升高温度,活化分子百分数增加,化学反应速率一定增大C.活化分子间所发生的分子间的碰撞为有效碰撞D.加入反应物,使活化分子百分数增加,化学反应速率加快5.下列说法中:①活化分子间的碰撞一定能发生化学反应;②普通分子间的碰撞有时也能发生化学反应;③活化分子比普通分子具有较高的能量;④化学反应的实质是原子的重新组合;⑤化学反应的实质是旧化学键的断裂和新化学键形成的过程;⑥化学反应的实质是活化分子有合适取向时的有效碰撞。正确的是()A.①③④⑤B.②③⑥C.③④⑤⑥D.②④⑤【反馈练习】1.常温下,分...

1、当您付费下载文档后,您只拥有了使用权限,并不意味着购买了版权,文档只能用于自身使用,不得用于其他商业用途(如 [转卖]进行直接盈利或[编辑后售卖]进行间接盈利)。
2、本站所有内容均由合作方或网友上传,本站不对文档的完整性、权威性及其观点立场正确性做任何保证或承诺!文档内容仅供研究参考,付费前请自行鉴别。
3、如文档内容存在违规,或者侵犯商业秘密、侵犯著作权等,请点击“违规举报”。

碎片内容

高三化学一轮复习 2.1.2化学反应速率教学案 苏教版

您可能关注的文档

星河书苑+ 关注
实名认证
内容提供者

从事历史教学,热爱教育,高度负责。

相关文档

确认删除?
VIP
微信客服
  • 扫码咨询
会员Q群
  • 会员专属群点击这里加入QQ群
客服邮箱
回到顶部