电脑桌面
添加小米粒文库到电脑桌面
安装后可以在桌面快捷访问

装配式建筑PC构件生产工艺流程VIP免费

装配式建筑PC构件生产工艺流程_第1页
1/15
装配式建筑PC构件生产工艺流程_第2页
2/15
装配式建筑PC构件生产工艺流程_第3页
3/15
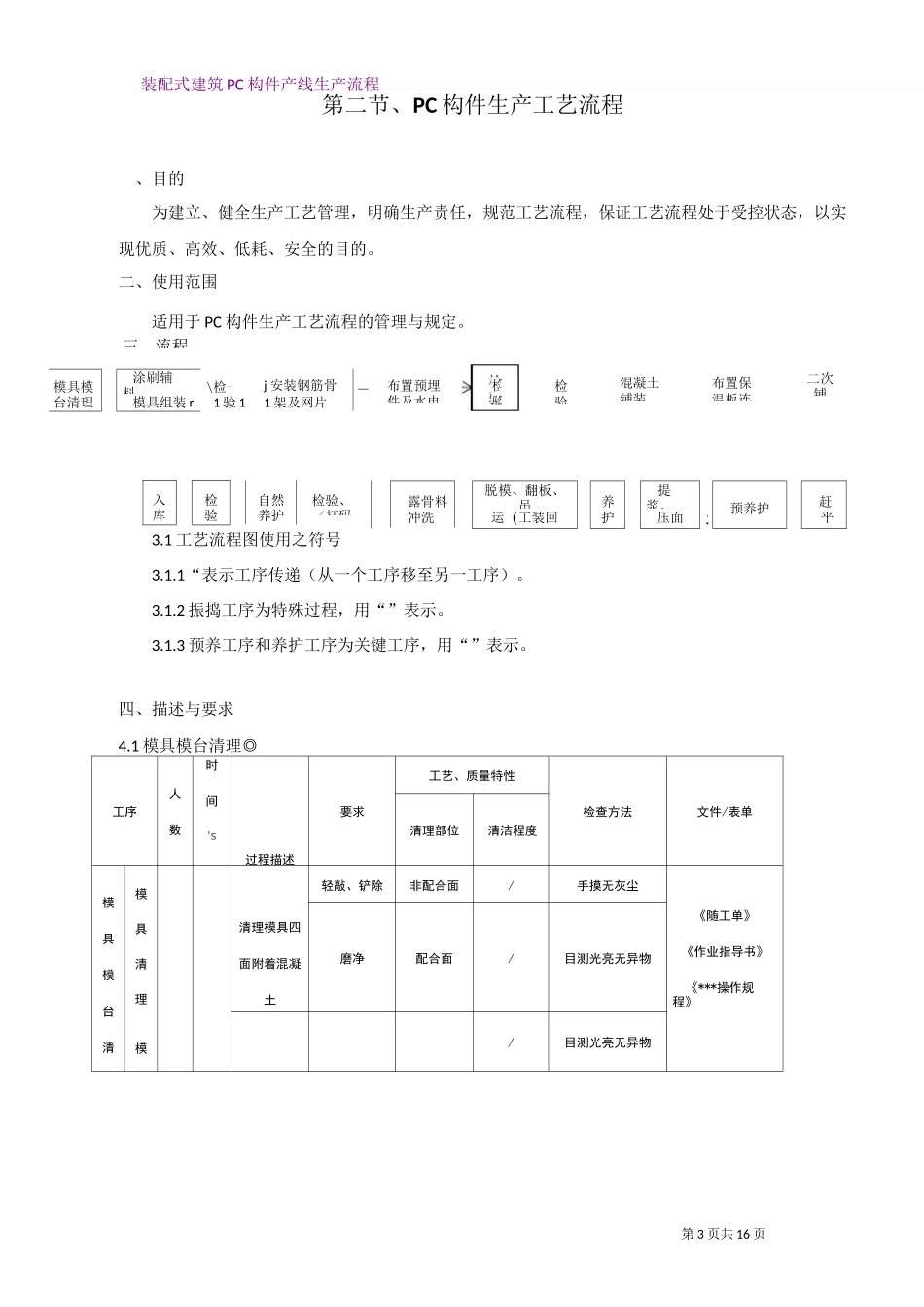
某工业建筑工程有限公司装配式建筑PC构件产线生产流程编制:单位:时间:2018年元月5日第1页共16页装配式建筑PC构件产线生产流程第2页共16页目录一、PC构件生产线简介PC是钢筋混凝土预制件的简称,目前,国内的装配式房屋建筑已经成为大势所趋,此种建筑方式更加的标准化、机械化、自动化,pc生产线能够实现住宅预制构件的批量生产,使传统的工地现浇式分散工作,转移到工厂预制加工,然后运输到工地,很大程度的节省了人力物力,也使得建筑流程更加的简洁规范,提高工作效率。河南PC生产线制作专家一郑州玛纳为您深入讲解PC生产线。二、PC构件分类预制梁、预制柱、预制外承重墙板、内承重墙板、外挂墙板、预制楼板、预制叠合楼板、预制楼梯、预制内隔墙板、预制阳台板。三、建筑部品建筑部品是指通过先进的技术将外墙装饰、保温、防水、门窗、管线、集成卫生间、整体橱柜、储物间等室内建筑部品融合在一起,并采用标准化接口、工厂化生产、装配化施工,使墙体在满足承重功能的基础上又取得了更多有效的附加值。第一节、PC生产线制作所需设备1、布料机:此设备是混凝土浇注布料设备,能够高效、优质生产出现代装配式建筑所需的各种预制构件。2、送料车及支架:作用是将搅拌站搅拌好的混凝土材料输送给布料机。3、振动台:作用是将布料机摊铺在台车上模具内的混泥土振捣,充分保证混泥土内部结构密实,从而达到设计强度。4、翻转台:此设备是PC生产线用于墙板垂直脱模的设备,便于产品后期的存放、运输及吊装。该设备能使墙板的脱模更快速,避免了墙板在脱模时的开裂现象;脱模后墙板使用垂直存放,能更有效的利用厂房的存放空间。5、横移车:此设备可以缩短生产线的长度,减少占地面积,同时对生产线高度的要求大大降低,可以安装在生产线任意位置,使生产线更灵活。6、刮平机:此设备将模具内振捣后的混泥土刮平,使PC板表面更加平整、光滑。7、养护窑:此设备用于PC板的静止养护,可以自动进板和出板,自动化程度很高,节省场地。养护窑围档:将养护窑保温板围住,确保PC件在一个密闭的空间内,并确保温度不散失。装配式建筑PC构件产线生产流程第3页共16页模具模涂刷辅料、\检-j安装钢筋骨台清理模具组装r1验11架及网片检验混凝土铺装、布置保温板连二次铺入检自然库验养护露骨料脱模、翻板、吊养提浆、预养护赶冲洗运(工装回收)护压面,•二平第二节、PC构件生产工艺流程、目的为建立、健全生产工艺管理,明确生产责任,规范工艺流程,保证工艺流程处于受控状态,以实现优质、高效、低耗、安全的目的。二、使用范围适用于PC构件生产工艺流程的管理与规定。3.1工艺流程图使用之符号3.1.1“表示工序传递(从一个工序移至另一工序)。3.1.2振捣工序为特殊过程,用“”表示。3.1.3预养工序和养护工序为关键工序,用“”表示。四、描述与要求4.1模具模台清理◎工序人数时间's过程描述要求工艺、质量特性检查方法文件/表单清理部位清洁程度模具模台清模具清理模清理模具四面附着混凝土轻敲、铲除非配合面/手摸无灰尘《随工单》《作业指导书》《***操作规程》磨净配合面/目测光亮无异物/目测光亮无异物一三、流程检验布置预埋件及水电检验、<打码装配式建筑PC构件产线生产流程第4页共16页理台清理铲除大块磨除粘点光亮洁净配合区域手摸无灰尘、无突起4.2涂刷辅料、模具组装◎工序人数时间's过程描述要求工艺、质量特性检查方法文件/表单测定项目允许偏差涂刷辅料涂刷脱模剂涂刷露骨料把辅料均匀涂刷在配合区域内涂抹均匀、无积存配合面/目测《随工单》《作业指导书》《***操作规程》?涂刷侧边模配合面上下预留3cm涂刷均匀、无积存、无流淌、漏涂/模具组装1定位2吊至模台配合区3组装模具按《作业指导书》安装边长±2钢卷尺测量配合后全尺寸?(四边及对角线)对角线误差34.3检验(模具组装)◎工序过程描述要求工艺、质量特性检查方法文件/表单检查项目允许偏差检验(模具组装)◊按《检验作业指导书》进行检验并偏差在允许范围内边长±2根据《检验作业指导书》进行检《检验记录表》《检验作业指导书》《质量控制点设置清单》对角线误差3装配式建筑PC构件产线生产流程第5页共16页做好...

1、当您付费下载文档后,您只拥有了使用权限,并不意味着购买了版权,文档只能用于自身使用,不得用于其他商业用途(如 [转卖]进行直接盈利或[编辑后售卖]进行间接盈利)。
2、本站所有内容均由合作方或网友上传,本站不对文档的完整性、权威性及其观点立场正确性做任何保证或承诺!文档内容仅供研究参考,付费前请自行鉴别。
3、如文档内容存在违规,或者侵犯商业秘密、侵犯著作权等,请点击“违规举报”。

碎片内容

装配式建筑PC构件生产工艺流程

您可能关注的文档

确认删除?
VIP
微信客服
  • 扫码咨询
会员Q群
  • 会员专属群点击这里加入QQ群
客服邮箱
回到顶部