电脑桌面
添加小米粒文库到电脑桌面
安装后可以在桌面快捷访问

钢筋混凝土结构课程设计》VIP免费

钢筋混凝土结构课程设计》_第1页
1/17
钢筋混凝土结构课程设计》_第2页
2/17
钢筋混凝土结构课程设计》_第3页
3/17
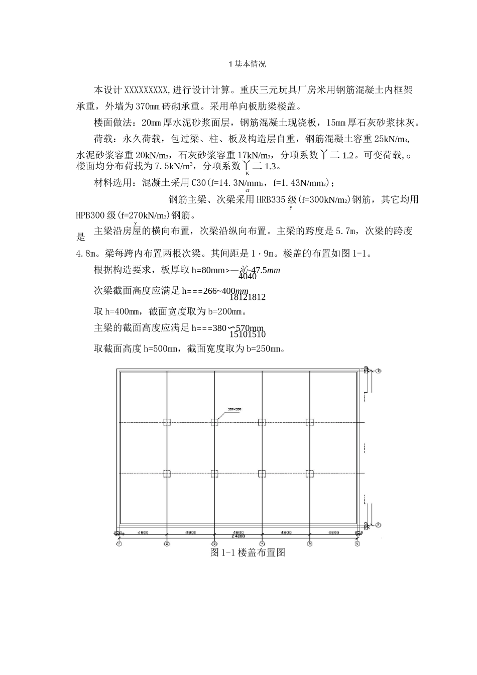
0©1基本情况本设计XXXXXXXXX,进行设计计算。重庆三元玩具厂房米用钢筋混凝土内框架承重,外墙为370mm砖砌承重。采用单向板肋梁楼盖。楼面做法:20mm厚水泥砂浆面层,钢筋混凝土现浇板,15mm厚石灰砂浆抹灰。荷载:永久荷载,包过梁、柱、板及构造层自重,钢筋混凝土容重25kN/m3,水泥砂浆容重20kN/m3,石灰砂浆容重17kN/m3,分项系数丫二1.2。可变荷载,G楼面均分布荷载为7.5kN/m3,分项系数丫二1.3。K材料选用:混凝土采用C30(f=14.3N/mm2,f=1.43N/mm2);ct钢筋主梁、次梁采用HRB335级(f=300kN/m2)钢筋,其它均用yHPB300级(f=270kN/m3)钢筋。y主梁沿房屋的横向布置,次梁沿纵向布置。主梁的跨度是5.7m,次梁的跨度是4.8m。梁每跨内布置两根次梁。其间距是1・9m。楼盖的布置如图1-1。根据构造要求,板厚取h=80mm>—沁-47.5mm4040次梁截面高度应满足h===266~400mm18121812取h=400mm,截面宽度取为b=200mm。主梁的截面高度应满足h===380〜570mm15101510取截面高度h=500mm,截面宽度取为b=250mm。图1-1楼盖布置图=1.740.12T-0.2+2=1.9—0.122单向板结构设计2.1板的设计2.1.1板的计算按塑性分析法计算内力。2.1.2荷载恒荷载标准值:20mm水泥砂浆面层0.02mx20kN/m3=0.4kN/m280mm钢筋混凝土板0.08mx25kN/m3=2.0kN/m215mm厚石灰砂浆抹灰0.015mx17kN/m3=0.255kN/m2g=2.655kN/m2k活荷载标准值q=7.5kN/m2k横荷载设计值g=1.2x2.655=3.186kN/m2活荷载设计值q=1.3x7.5=9.75kN/m2合计2.1.3内力计算g+q=12.936kN/m2次梁的截面200mmx400mm,板在墙上的支撑长度为120mm,则板的计算跨度为:h0.20.08边跨l=l+=1.9—0.12—+=1.72m0n222/=1.72m0中间跨/=1.9—0.2=1.7m0跨度差(1.72—1.7)/1.7=1.2p:<100;说明可按等跨连续板计算内力。取lm宽板作为计算单元,计算简图如图2-1所示。■□yC0_tSHCJg+q=12.936kN/m2图2-1计算简图连续板各截面的弯矩计算见表2-1。表2-1连续板各截面弯矩计算截面1边跨跨内B离端第二支座2中间跨跨内C中间支座弯矩计算系数1111am11_1116计算跨度ll二1.72ml二1.72ml=1.7ml=1.7m00000M=a(g+q)l2m03.48-3.482.34-2.672.1.4截面承载力计算b=1000mm,h=80mm,h=80一20=60mm。C30混凝土,f=14.3N/mm2。0cHPB300钢筋,f=270kN/m2,连续板各截面的配筋计算见表2-2。y表2-2连续板各截面配筋计算截面位置边区板带(1-2,5-6轴线间)中间区板带(2-5轴线间)边跨跨内离端第二支座离端第二支跨跨内、中间跨跨内中间支座边跨跨内离端第二支座离端第二跨跨内、中间跨跨内中间支座M(kN/m2)3.48-3.482.34-2.673.48-3.480.8x2.34=1.870.8x(-2.67)=-2.14Ma=safbh21c00.0670.0670.0450.0520.0670.0670.0360.041g=1-J1—2a0.0690.0690.0460.0540.0690.0690.0370.042Aafbgh4—1c0sfy219219146172219219118134e6/8e6/8e6@e6@e6/8@1e6/8@1e6@200e6@200选配钢筋@170@1701901607070实配钢筋面积228228149177228228141141支座截面的受压区高度系数E均小于0.35,满足弯矩调幅的要求;p二(0.2%,45f/f)二45f/f二45x1.43/270x100%二0.238%mintymaxty所以,A=pbh=0.238%x1000x80=190.4mm2s,minmin2.1.5板的裂缝验算裂缝宽度验算属于正常使用极限状态,采用荷载的标准组合。按弹性方法计算截面弯矩,考虑可变荷载的最不利布置,有M=ag'12+aq12kgk0qk0式中g'—折算永久荷载标准值,g'=g+q/2=2.655+7.5/2=6.405kN/mkkkkq—折算可变荷载标准值,q=q/2=7.5/2=3.75kN/mkkka—五跨连续板满布荷载下相应截面的弯矩系数,按有关表格查的;ga—五跨连续板最不利荷载布置下相应的弯矩系数,按有关表格查的。q由荷载标准组合产生的跨中和支座弯矩:M=(0.078x6.405+0.1x3)x1.7202kN/m=2.32kN/mkM=—(0.105x6.405+0.119x3)x1.7202kN/m=—3.05kN/mBkM=(0.033x6.405+0.079x3)x1.72kN/m=1.30kN/m2kM=—(0.079x6.405+0.111x3)x1.72kN/m=—2.42kN/mCkM=(0.046x6.405+0.085x3)x1.72kN/m=1.59kN/m3k受弯构件的受力特征系数a=1.9,光面钢筋的相对粘结特征系数v=0.7,C30混cr凝土抗拉强度标准值f=2.01N/mm2;保护层厚度c=15mm<20mm,取c=20mm,计算tk过程见表2-3,裂缝宽度均小于一类环境规范规定值。表2-3板的裂缝宽度验算截面1B2C3Mk2.32-3....

1、当您付费下载文档后,您只拥有了使用权限,并不意味着购买了版权,文档只能用于自身使用,不得用于其他商业用途(如 [转卖]进行直接盈利或[编辑后售卖]进行间接盈利)。
2、本站所有内容均由合作方或网友上传,本站不对文档的完整性、权威性及其观点立场正确性做任何保证或承诺!文档内容仅供研究参考,付费前请自行鉴别。
3、如文档内容存在违规,或者侵犯商业秘密、侵犯著作权等,请点击“违规举报”。

碎片内容

钢筋混凝土结构课程设计》

您可能关注的文档

确认删除?
VIP
微信客服
  • 扫码咨询
会员Q群
  • 会员专属群点击这里加入QQ群
客服邮箱
回到顶部