电脑桌面
添加小米粒文库到电脑桌面
安装后可以在桌面快捷访问

地下室模板安装技术交底VIP免费

地下室模板安装技术交底_第1页
1/8
地下室模板安装技术交底_第2页
2/8
地下室模板安装技术交底_第3页
3/8
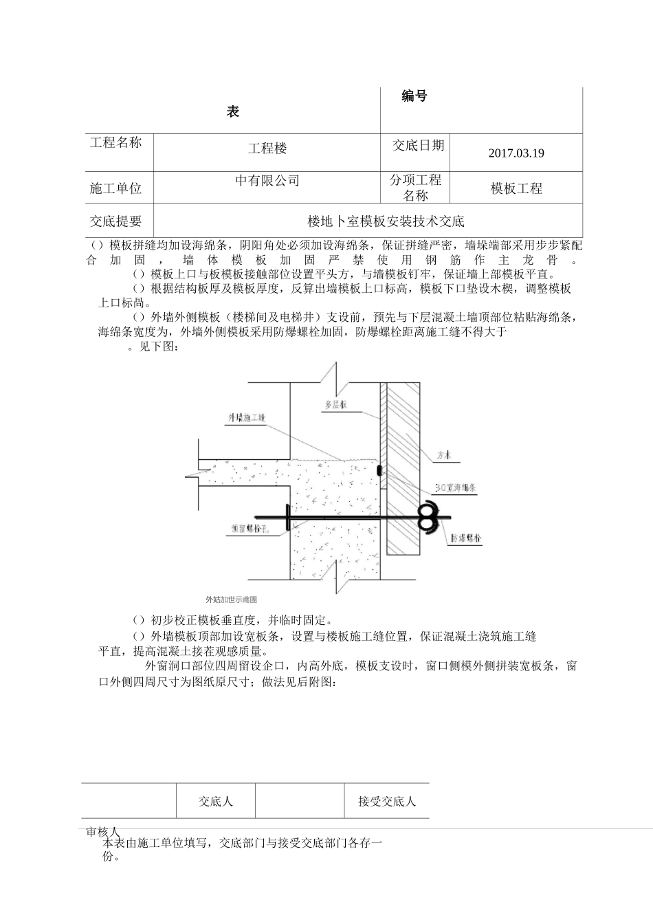
本表由施工单位填写,交底部门与接受交底部门各存一份。表编号工程名称工程楼交底日期2017.03.19施工单位中有限公司分项工程名称模板工程交底提要楼地卜室模板安装技术交底、工程概况总建筑面积m2,其中楼:地上层,地下层,剪力墙结构,建筑高度,建筑面积m2,地上住宅m2,地下储藏室m2;地下室部分模板采用厚多层板,主次楞采用钢管及木方,对拉螺栓采用Q制作。二、施工准备、材料准备多层板(厚度):用于剪力墙模板、梁模板、混凝土楼板模板等。木方(x):模板连接龙骨,梁、墙、柱龙骨。钢管(直管0x):墙体主龙骨、模板支撑架。(P对拉螺栓:剪力墙对拉螺栓。隔离剂:水性隔离剂。密封条:模板拼缝采用宽度为,与模板板厚同宽;外墙粘贴密封条采用宽密封条。、施工机具塔吊、专用扳手、撬棍、手锤、电锯、吊坠、盒尺、水平尺、白线、水准仪等、木工圆锯、手提电锯、打眼电钻等。、人员准备组织施工人员学习方案及施工技术交底,了解模板工程施工要点,选择有经验的作业人员。三、作业条件、工程结构图进行模板设计。模板及其支架应具有足够的承载能力、刚度和稳定性。模板安装前,涂刷好水性隔离剂,分规格堆放。、弹好楼层轴线、墙身线、门窗洞口位置线,弹出楼层墙体的支模控制线,并清除干净墙身部位杂物。所有线已经验收。、墙暗柱、墙体、连梁钢筋绑扎完毕,水电预埋箱、盒、预埋件,并办好隐检,钢筋保护层、钢筋骨架拉结筋间距、数量应满足设计要求,剪力墙根部定位筋焊设完毕,水平、竖向梯子筋安装到位,钢筋有可靠的定位措施(水泥顶撑)并且水泥顶撑必须用绑丝绑扎好。、模板安装前,墙体施工缝应处理剔凿完毕,钢筋表面灰浆清理干净,并已经隐检。四、主要施工方法施工流程:混凝土基层清理一定位筋焊设一模板加工及设计一墙模板拼设、安装一内脚手架搭设一梁模板安装一顶板模板铺设一安装外墙外侧模板一墙模板加固、校正一模板验收、楼层清理:墙、柱根部剔凿完毕后,将浮浆剔凿干净,清理完毕后垃圾运输至指定区域,并采取防风措施,避免垃圾进入墙根部。、定位筋焊设:墙体底部定位筋采用e短钢筋,与墙立筋焊接牢固,间距不大于米一道,墙端部焊设两道,而且每道墙体端部(即阴阳角处必须焊设定位筋);定位钢筋长交底人接受交底人审核人本表由施工单位填写,交底部门与接受交底部门各存一份。表编号工程名称工程楼交底日期2017.03.19施工单位中有限公司分项工程名称模板工程交底提要楼地卜室模板安装技术交底度为墙厚,定位筋必须采用切割机切割,保证端部平齐;施工前,定位筋均涂刷防锈漆;外墙部位定位筋焊设时注意定位筋端头不得超出外墙面。、模板加工及设计:()外墙外侧模板按照图纸尺寸采用厚多层板面板预拼装成大模板,钢筋绑扎完毕后,用塔吊将模板吊装到安装部位安装,大模板高度为层高加。()用木方做内龙骨内龙骨间距不大于;(P双脚手管做外龙骨。()螺栓均采用P对拉螺栓,对拉螺栓纵横间距均为;底部一道距地面不大于。其中挡土外墙有防水要求时,对拉螺栓中部需焊止水片,止水片与螺栓四周必须满焊密实,端头需做成可拆卸式,拆模后除去端头抹防水砂浆填满并抹防水涂料一道。对墙面面板拉螺栓孔钻孔时,按照方案要求的间距,先进行弹线,保证对拉螺栓孔间距均匀一致,保证模板加固体系承重时受力合理,见模板支设效果图。墙面模板对拉螺栓孔钻孔配置原则,一是在满足可操作性的情况下,最上(下)排螺栓孔尽量靠近顶板(地面),可有效降低外墙模板上(下)口涨模概率。阴阳角部位螺栓配置与之相同。、墙模板安装:墙体内部加设水泥支撑,水泥撑块与对拉螺杆对应,一是保证墙体截面尺寸,保证大面模板平整度。墙内部混凝土支撑顶撑放置到位最大间距不得超过并采用绑丝与钢筋绑扎牢固,并且墙端部必须加设水泥顶撑(阴阳角处)。交底人接受交底人审核人本表由施工单位填写,交底部门与接受交底部门各存一份。表编号工程名称工程楼交底日期2017.03.19施工单位中有限公司分项工程名称模板工程交底提要楼地卜室模板安装技术交底()模板拼缝均加设海绵条,阴阳角处必须加设海绵条,保证拼缝严密,墙垛端部采用步步紧配合加固,墙体模板加固严禁...

1、当您付费下载文档后,您只拥有了使用权限,并不意味着购买了版权,文档只能用于自身使用,不得用于其他商业用途(如 [转卖]进行直接盈利或[编辑后售卖]进行间接盈利)。
2、本站所有内容均由合作方或网友上传,本站不对文档的完整性、权威性及其观点立场正确性做任何保证或承诺!文档内容仅供研究参考,付费前请自行鉴别。
3、如文档内容存在违规,或者侵犯商业秘密、侵犯著作权等,请点击“违规举报”。

碎片内容

地下室模板安装技术交底

您可能关注的文档

确认删除?
VIP
微信客服
  • 扫码咨询
会员Q群
  • 会员专属群点击这里加入QQ群
客服邮箱
回到顶部