电脑桌面
添加小米粒文库到电脑桌面
安装后可以在桌面快捷访问

管沟开挖施工验收记录VIP免费

管沟开挖施工验收记录_第1页
1/3
管沟开挖施工验收记录_第2页
2/3
管沟开挖施工验收记录_第3页
3/3
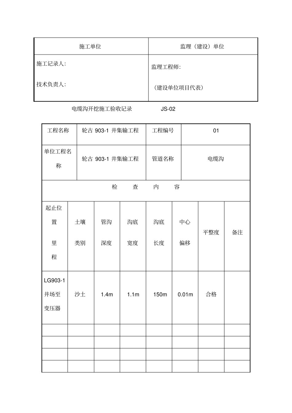
管沟开挖施工验收记录JS-02工程名称轮古903-1井集输工程工程编号01单位工程名称轮古903-1井集输工程管道名称集输和掺稀管道(两管同沟)检查内容起止位置里程土壤类别管沟深度沟底宽度沟底长度中心偏移平整度备注LG903-1井场至LG15-31C计量间沙土1.4m1.1m5770m0.01m合格检查验收意见:经检查,开挖结果符合设计及《石油天然气建设工程施工质量验收规范油气田集输管道工程》SY4204-2007的规定,评定合格。施工单位监理(建设)单位施工记录人:技术负责人:监理工程师:(建设单位项目代表)电缆沟开挖施工验收记录JS-02工程名称轮古903-1井集输工程工程编号01单位工程名称轮古903-1井集输工程管道名称电缆沟检查内容起止位置里程土壤类别管沟深度沟底宽度沟底长度中心偏移平整度备注LG903-1井场至变压器沙土1.4m1.1m150m0.01m合格检查验收意见:经检查,开挖结果符合设计及《石油天然气建设工程施工质量验收规范油气田集输管道工程》SY4204-2007的规定,评定合格。施工单位监理(建设)单位施工记录人:技术负责人:监理工程师:(建设单位项目代表)

1、当您付费下载文档后,您只拥有了使用权限,并不意味着购买了版权,文档只能用于自身使用,不得用于其他商业用途(如 [转卖]进行直接盈利或[编辑后售卖]进行间接盈利)。
2、本站所有内容均由合作方或网友上传,本站不对文档的完整性、权威性及其观点立场正确性做任何保证或承诺!文档内容仅供研究参考,付费前请自行鉴别。
3、如文档内容存在违规,或者侵犯商业秘密、侵犯著作权等,请点击“违规举报”。

碎片内容

管沟开挖施工验收记录

确认删除?
VIP
微信客服
  • 扫码咨询
会员Q群
  • 会员专属群点击这里加入QQ群
客服邮箱
回到顶部