电脑桌面
添加小米粒文库到电脑桌面
安装后可以在桌面快捷访问

管道荷载计算方法规定VIP免费

管道荷载计算方法规定_第1页
1/9
管道荷载计算方法规定_第2页
2/9
管道荷载计算方法规定_第3页
3/9
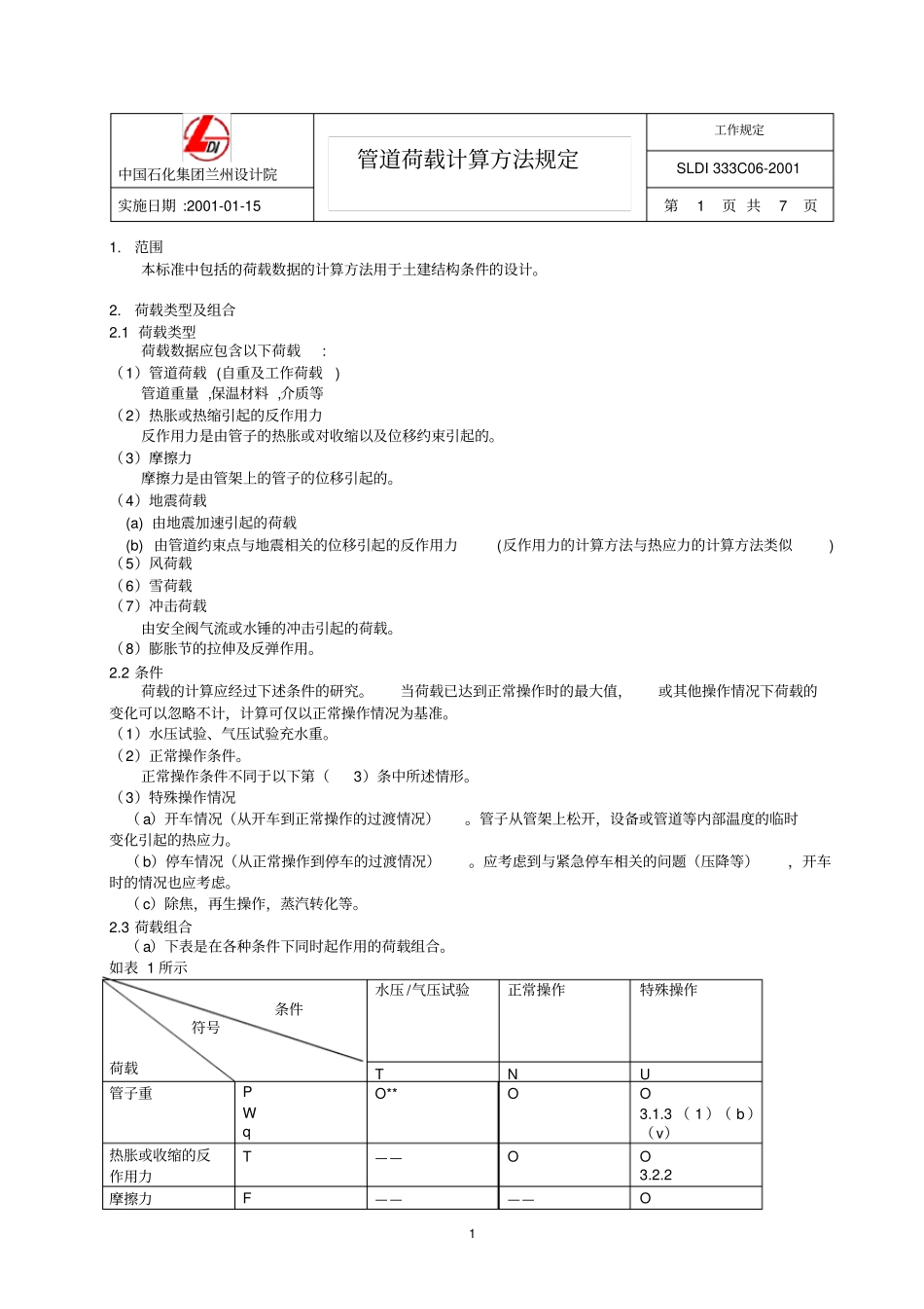
中国石化集团兰州设计院标准SLDI333C06-20010新制定全部顾英张彦天郑明峰2002.04.01修改标记简要说明修改页码编制校核审核审定日期2001-01-08发布2001-01-15实施中国石化集团兰州设计院管道荷载计算方法规定目录1.范围2.荷载类型和组合2.1荷载类型2.2条件2.3荷载组合3.荷载计算方法3.1管子荷载3.2由热胀或热缩引起的水平荷载和垂直荷载3.3摩擦力3.4地震荷载、风荷载、雪荷载、冲击荷载工作规定中国石化集团兰州设计院SLDI333C06-2001实施日期:2001-01-15第1页共7页1管道荷载计算方法规定1.范围本标准中包括的荷载数据的计算方法用于土建结构条件的设计。2.荷载类型及组合2.1荷载类型荷载数据应包含以下荷载:(1)管道荷载(自重及工作荷载)管道重量,保温材料,介质等(2)热胀或热缩引起的反作用力反作用力是由管子的热胀或对收缩以及位移约束引起的。(3)摩擦力摩擦力是由管架上的管子的位移引起的。(4)地震荷载(a)由地震加速引起的荷载(b)由管道约束点与地震相关的位移引起的反作用力(反作用力的计算方法与热应力的计算方法类似)(5)风荷载(6)雪荷载(7)冲击荷载由安全阀气流或水锤的冲击引起的荷载。(8)膨胀节的拉伸及反弹作用。2.2条件荷载的计算应经过下述条件的研究。当荷载已达到正常操作时的最大值,或其他操作情况下荷载的变化可以忽略不计,计算可仅以正常操作情况为基准。(1)水压试验、气压试验充水重。(2)正常操作条件。正常操作条件不同于以下第(3)条中所述情形。(3)特殊操作情况(a)开车情况(从开车到正常操作的过渡情况)。管子从管架上松开,设备或管道等内部温度的临时变化引起的热应力。(b)停车情况(从正常操作到停车的过渡情况)。应考虑到与紧急停车相关的问题(压降等),开车时的情况也应考虑。(c)除焦,再生操作,蒸汽转化等。2.3荷载组合(a)下表是在各种条件下同时起作用的荷载组合。如表1所示符号荷载条件水压/气压试验正常操作特殊操作TNU管子重PWqO**OO3.1.3(1)(b)(v)热胀或收缩的反作用力T——OO3.2.2摩擦力F————OSLDI333C06-20012地震荷载EpEw——O*——风荷载WpWw——O*——雪荷载SpSwSq——OO冲击力H——O*O膨胀节中的拉伸力或反弹力JOOO注(1)以下是上表中符号意义P:集中荷载W:均匀荷载Q:单位荷载(单位面积重量)(2)假设地震荷载,风荷载及冲击荷载没有同时产生影响.(3)在水压实试验中无需标注管架,梁,结构等的垂直荷载.在其他情况下,当管线数量较少时,应单独标出每跟管线的垂直荷载。3.荷载计算方法3.1管道荷载3.1.1单位长度管重重量是以下各点的总和(1)管道(2)标准管子的单位荷载按照相关标准查取。保温材料的单位荷载按照相关标准查取。(3)介质气体,蒸汽或空气不包括在单位荷载中。(4)管子永久荷载的其他辅助组成,如伴热,衬里材料等。注:阀门,法兰等应作为集中荷载。3.1.2结构及荷载的标注结构上承受的荷载的标注方法应为表2中所示的集中荷载,均匀荷载,单位荷载中的一种。表2结构及荷载的标准荷载标注结构集中荷载均匀荷载单位荷载管架主梁3.1.3(1)(a)——O管架中间梁3.1.3(1)(a)O纵梁3.1.3(1)(a)O——桁梁3.1.3(1)(a)——O支架OO*——平台OO*——地沟OO*——注(*):在条件中,若支承大量小尺寸管线荷载,可作为均匀荷载标注。3.1.3荷载计算方法(1)集中荷载(a)表3中荷载数据表示集中荷载的范围。表3集中荷载范围SLDI333C06-20013适用范围集中荷载管架/桁架1.下列管子的垂直荷载*(1)介质为液体,公称直径为18“或以上的管线。(2)介质为气体,公称直径为30“或以上的管子。(3)辅助设备(阀等)的重量为1.0t或以上。2.作用在固定点及导向点的热应力(包括膨胀节的推力和弹力)。3.作用于固定点及导向点的地震荷载。4.冲击力引起的荷载(水锤,安全阀反作用力等)。支撑管子垂直荷载平台管子垂直荷载地沟管子垂直荷载*:参见表一注释(b)集中荷载计算方法按以下方法计算集中荷载(i)水平管的集中荷载按以下方法计算:例1水平管线集中荷载计算方法:“B”点集中荷载=l1.w/2+l2.w/2(1)式中w:单位长度管重(ii)垂直管线的集中荷载垂直管线上支点的集中荷载等与垂...

1、当您付费下载文档后,您只拥有了使用权限,并不意味着购买了版权,文档只能用于自身使用,不得用于其他商业用途(如 [转卖]进行直接盈利或[编辑后售卖]进行间接盈利)。
2、本站所有内容均由合作方或网友上传,本站不对文档的完整性、权威性及其观点立场正确性做任何保证或承诺!文档内容仅供研究参考,付费前请自行鉴别。
3、如文档内容存在违规,或者侵犯商业秘密、侵犯著作权等,请点击“违规举报”。

碎片内容

管道荷载计算方法规定

爱的疯狂+ 关注
实名认证
内容提供者

该用户很懒,什么也没介绍

确认删除?
VIP
微信客服
  • 扫码咨询
会员Q群
  • 会员专属群点击这里加入QQ群
客服邮箱
回到顶部