电脑桌面
添加小米粒文库到电脑桌面
安装后可以在桌面快捷访问

工程材料、构配件、设备报审表格VIP免费

工程材料、构配件、设备报审表格_第1页
1/10
工程材料、构配件、设备报审表格_第2页
2/10
工程材料、构配件、设备报审表格_第3页
3/10
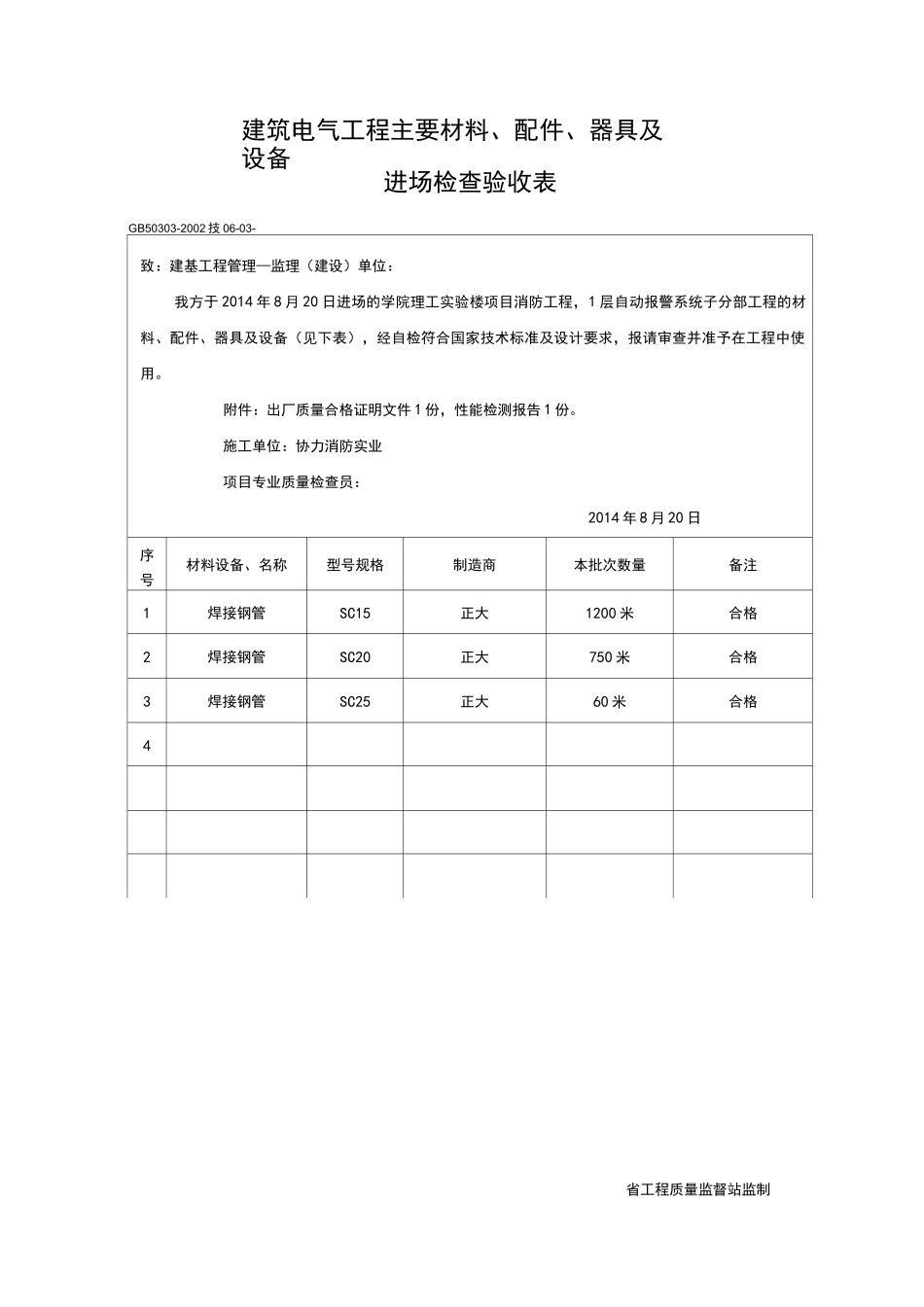
日期2014年8月20日注:本表各相关单位各存一份。省工程质量监督站监制A9工程材料/构配件/设备报审表工程名称:学院理工实验楼项目消防工程编号:001致:建基工程管理(监理单位)我方于2014年8月—日进场的工程材料/构配件/设备数量如下(见附件)。现将质量证明文件及自检结果报上,拟用于下述部位:自动报警系统安装请予以审查。附件:1.数量清单2.质量证明文件3.自检结果承包单位(章)协力消防实业项目经理日期2014年8月20日审查意见:经检查上述工程材料/构配件/设备,符合/不符合设计文件和规的要求,准许/不准许进场,同意/不同意使用于拟定部位。项目监理机构总监理工程师建筑电气工程主要材料、配件、器具及设备省工程质量监督站监制进场检查验收表GB50303-2002技06-03-致:建基工程管理—监理(建设)单位:我方于2014年8月20日进场的学院理工实验楼项目消防工程,1层自动报警系统子分部工程的材料、配件、器具及设备(见下表),经自检符合国家技术标准及设计要求,报请审查并准予在工程中使用。附件:出厂质量合格证明文件1份,性能检测报告1份。施工单位:协力消防实业项目专业质量检查员:2014年8月20日序号材料设备、名称型号规格制造商本批次数量备注1焊接钢管SC15正大1200米合格2焊接钢管SC20正大750米合格3焊接钢管SC25正大60米合格4建筑电气工程主要材料、配件、器具及设备省工程质量监督站监制检查验收意见:合格监理单位:(加盖监理项目部章)项目专业监理工程师:2014年8月20日日期2014年8月25日注:本表各相关单位各存一份。省工程质量监督站监制A9工程材料/构配件/设备报审表工程名称:学院理工实验楼项目消防工程编号:002致:建基工程管理(监理单位)我方于2014年8月_日进场的工程材料/构配件/设备数量如下(见附件)。现将质量证明文件及自检结果报上,拟用于下述部位:自动报警系统安装请予以审查。附件:1.数量清单2.质量证明文件3.自检结果承包单位(章)协力消防实业项目经理日期2014年8月25日审查意见:经检查上述工程材料/构配件/设备,符合/不符合设计文件和规的要求,准许/不准许进场,同意/不同意使用于拟定部位。项目监理机构总监理工程师建筑电气工程主要材料、配件、器具及设备省工程质量监督站监制进场检查验收表GB50303-2002技06-03-致:建基工程管理监理(建设)单位:我方于2014年8月25日进场的学院理工实验楼项目消防工程,2层自动报警系统子分部工程的材料、配件、器具及设备(见下表),经自检符合国家技术标准及设计要求,报请审查并准予在工程中使用。附件:出厂质量合格证明文件1份,性能检测报告1份。施工单位:协力消防实业项目专业质量检查员:2014年8月25日序号材料设备、名称型号规格制造商本批次数量备注1焊接钢管SC15正大1100米合格2焊接钢管SC20正大750米合格3焊接钢管SC25正大30米合格4建筑电气工程主要材料、配件、器具及设备省工程质量监督站监制检查验收意见:合格监理单位:(加盖监理项目部章)项目专业监理工程师:2014年8月25日日期2014年8月26日注:本表各相关单位各存一份。省工程质量监督站监制A9工程材料/构配件/设备报审表工程名称:学院理工实验楼项目消防工程编号:003致:建基工程管理(监理单位)我方于2014年8月26日进场的工程材料/构配件/设备数量如下(见附件)。现将质量证明文件及自检结果报上,拟用于下述部位:消火栓系统安装请予以审查。附件:1.数量清单2.质量证明文件3.自检结果承包单位(章)协力消防实业项目经理日期2014年8月26日审查意见:经检查上述工程材料/构配件/设备,符合/不符合设计文件和规的要求,准许/不准许进场,同意/不同意使用于拟定部位。项目监理机构总监理工程师建筑电气工程主要材料、配件、器具及设备省工程质量监督站监制进场检查验收表GB50303-2002技06-03-日期省工程质量监督站监制项目经理日期2014年9月5日审查意见:符合要求项目监理机构总/专业监理工程师注:本表各相关单位各存一份。省工程质量监督站监制电线、电缆导管隐蔽工程验收记录GB50303-2002技06-06工程名称学院理工实验楼项目消防工程子分部工程名称自动报警系统施工单位协力消防实业验收日期2014...

1、当您付费下载文档后,您只拥有了使用权限,并不意味着购买了版权,文档只能用于自身使用,不得用于其他商业用途(如 [转卖]进行直接盈利或[编辑后售卖]进行间接盈利)。
2、本站所有内容均由合作方或网友上传,本站不对文档的完整性、权威性及其观点立场正确性做任何保证或承诺!文档内容仅供研究参考,付费前请自行鉴别。
3、如文档内容存在违规,或者侵犯商业秘密、侵犯著作权等,请点击“违规举报”。

碎片内容

工程材料、构配件、设备报审表格

确认删除?
VIP
微信客服
  • 扫码咨询
会员Q群
  • 会员专属群点击这里加入QQ群
客服邮箱
回到顶部