电脑桌面
添加小米粒文库到电脑桌面
安装后可以在桌面快捷访问

聚合物近代仪器测试---复习VIP免费

聚合物近代仪器测试---复习_第1页
1/14
聚合物近代仪器测试---复习_第2页
2/14
聚合物近代仪器测试---复习_第3页
3/14
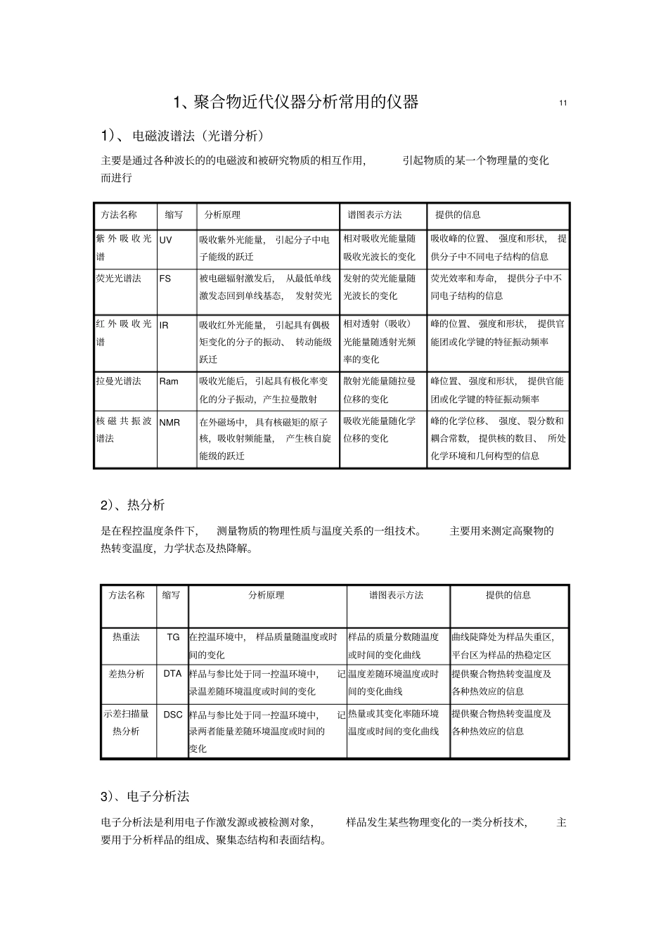
1、聚合物近代仪器分析常用的仪器111)、电磁波谱法(光谱分析)主要是通过各种波长的的电磁波和被研究物质的相互作用,引起物质的某一个物理量的变化而进行2)、热分析是在程控温度条件下,测量物质的物理性质与温度关系的一组技术。主要用来测定高聚物的热转变温度,力学状态及热降解。方法名称缩写分析原理谱图表示方法提供的信息热重法TG在控温环境中,样品质量随温度或时间的变化样品的质量分数随温度或时间的变化曲线曲线陡降处为样品失重区,平台区为样品的热稳定区差热分析DTA样品与参比处于同一控温环境中,记录温差随环境温度或时间的变化温度差随环境温度或时间的变化曲线提供聚合物热转变温度及各种热效应的信息示差扫描量热分析DSC样品与参比处于同一控温环境中,记录两者能量差随环境温度或时间的变化热量或其变化率随环境温度或时间的变化曲线提供聚合物热转变温度及各种热效应的信息3)、电子分析法电子分析法是利用电子作激发源或被检测对象,样品发生某些物理变化的一类分析技术,主要用于分析样品的组成、聚集态结构和表面结构。方法名称缩写分析原理谱图表示方法提供的信息紫外吸收光谱UV吸收紫外光能量,引起分子中电子能级的跃迁相对吸收光能量随吸收光波长的变化吸收峰的位置、强度和形状,提供分子中不同电子结构的信息荧光光谱法FS被电磁辐射激发后,从最低单线激发态回到单线基态,发射荧光发射的荧光能量随光波长的变化荧光效率和寿命,提供分子中不同电子结构的信息红外吸收光谱IR吸收红外光能量,引起具有偶极矩变化的分子的振动、转动能级跃迁相对透射(吸收)光能量随透射光频率的变化峰的位置、强度和形状,提供官能团或化学键的特征振动频率拉曼光谱法Ram吸收光能后,引起具有极化率变化的分子振动,产生拉曼散射散射光能量随拉曼位移的变化峰位置、强度和形状,提供官能团或化学键的特征振动频率核磁共振波谱法NMR在外磁场中,具有核磁矩的原子核,吸收射频能量,产生核自旋能级的跃迁吸收光能量随化学位移的变化峰的化学位移、强度、裂分数和耦合常数,提供核的数目、所处化学环境和几何构型的信息方法名称缩写分析原理谱图表示方法提供的信息透射电子显微镜TEM高能电子束穿透试样时发生散射、吸收、干涉和衍射,使得在像平面形成衬度,显示出图像质厚衬度像、明场衍衬像、暗场衍衬像、晶格条纹像和分子像晶体形貌、微孔尺寸分布、多相结构和晶格与缺陷等扫描电子显微镜SEM用电子技术检测高能电子束与样品作用时产生的二次电子、背散射电子、吸收电子、X射线等并放大成像背散射像、二次电子像、吸收电流像、元素的线分布和面分布等断口形貌、表面显微结构、薄膜内部的显微结构、微区元素分析与定量元素分析等2、高分子材料样品的准备进行高分子材料样品分析时,根据分析要求,对样品进行预处理。方法:高分子材料的分离和初步检查。分离方法:蒸馏、溶剂萃取、溶解沉淀、色谱分离初步检查:燃烧性检查、溶解性实验3、光谱分析方法概述物质分子内部三种运动形式:(1)电子相对于原子核的运动。(2)原子核在其平衡位置附近的相对振动。(3)分子本身绕其重心的转动。分子有三种不同能级:电子能级、振动能级和转动能级三种能级都是量子化的,且各自具有相应的能量。分子的内能:电子能量Ee、振动能量Ev、转动能量Er即:E=Ee+Ev+ErΔΕe>ΔΕv>ΔΕr4、紫外吸收光谱吸收曲线的特点:①同一种物质对不同波长光的吸光度不同。吸光度最大处对应的波长称为最大吸收波长λmax。②不同浓度的同一种物质,其吸收曲线形状相似λmax不变。而对于不同物质,它们的吸收曲线形状和λmax则不同。③吸收曲线可以提供物质的结构信息,并作为物质定性分析的依据之一。④不同浓度的同一种物质,在某一定波长下吸光度A有差异,在λmax处吸光度A的差异最大。此特性可作作为物质定量分析的依据。⑤在λmax处吸光度随浓度变化的幅度最大,所以测定最灵敏。吸收曲线是定量分析中选择入射光波长的重要依据。5、电子跃迁有机化合物的紫外-可见吸收光谱是三种电子、四种跃迁的结果:σ电子、π电子、n电子。分子轨道理论:成键轨道—反键轨道,非键轨道。当外层电子吸收紫...

1、当您付费下载文档后,您只拥有了使用权限,并不意味着购买了版权,文档只能用于自身使用,不得用于其他商业用途(如 [转卖]进行直接盈利或[编辑后售卖]进行间接盈利)。
2、本站所有内容均由合作方或网友上传,本站不对文档的完整性、权威性及其观点立场正确性做任何保证或承诺!文档内容仅供研究参考,付费前请自行鉴别。
3、如文档内容存在违规,或者侵犯商业秘密、侵犯著作权等,请点击“违规举报”。

碎片内容

聚合物近代仪器测试---复习

文库当当响+ 关注
实名认证
内容提供者

该用户很懒,什么也没介绍

相关文档

确认删除?
VIP
微信客服
  • 扫码咨询
会员Q群
  • 会员专属群点击这里加入QQ群
客服邮箱
回到顶部