电脑桌面
添加小米粒文库到电脑桌面
安装后可以在桌面快捷访问

聚氯乙烯生产,安全系统工程例子VIP免费

聚氯乙烯生产,安全系统工程例子_第1页
1/4
聚氯乙烯生产,安全系统工程例子_第2页
2/4
聚氯乙烯生产,安全系统工程例子_第3页
3/4
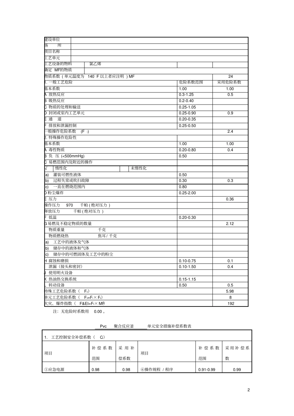
1工艺流程简介聚合工序为间歇操作,各种计量好的分散剂与一定量的冷脱盐水一起加入聚合釜,来自VC计量槽的VCM(其中10%回收VCM)与计量好的引发剂一同加入釜内,再加一定量的约95℃热脱盐水,热脱盐水加入后,即达到反应温度。聚合反应开始后,往釜内冷却盘管通入冷冻水,以移走聚合反应时释放的热量,釜内温度控制由计算机控制,待反应结束后加入终止剂。矚慫润厲钐瘗睞枥庑赖。带压的PVC浆料由浆料排料泵送至现有的脱气槽中。未反应的VCM单体送300单元回收。反应方程式如下:QCHClCHCHClnCHn+引发剂22反应釜操作压力为9.7kg/cm2,安全阀泄放压力为13.3kg/cm2一次进料45×103kg2主要设备简介核心设备为聚合反应釜。容积115m3,为横盘半管内冷却。设搅拌器。3.安全措施1)本项目35kV采用四回路供电,消防设备采用防火电源双回路供电2)冷冻水分为两路,一路用于正常生产,一路用于应急处理3)反应釜设有紧急终止系统,在反应异常时压入终止剂,停止聚合反应4)采用DCS分散型控制系统,并有网络的冗余技术5)反应釜进出口设置远距离控制阀,紧急情况下能迅速将设备及管线隔离6)异常情况时未反应的VCM通过回收管线全部回收至气柜,气柜安放在厂房以外7)在特别重要或危险性较大的部位设安全联锁系统8)氯乙烯可能泄漏的场所设置可燃气体检测报警仪9)承重的钢框架、支架、裙座、管架等采取可靠的耐火保护措施10)消防水位稳高压供水系统,管网压力平时维持在0.70MPa11)设有手动泡沫消防系统12)在装置区按规定配置适量手提式及推车式灭火器Pvc聚合反应釜单元火灾、爆炸指数(F&EI)表2建设单位场所项目名称工艺单元工艺设备的物料氯乙烯确定MF的物质物质系数(单元温度为140。F以上者应注明)MF241.一般工艺危险危险系数范围采用危险系数基本系数1.001.00A放热反应0.3-1.250.5B吸热反应0.2-0.40C物质的处理和输送0.25-1.05D封闭或室内工艺单元0.25-0.900.9E通道0.20-0.35F排放和泄漏控制0.25-0.50一般操作危险系数(F1)2.42.特殊操作危险性基本系数1.001.00A毒性物质0.20-0.800.4B负压(<500mmHg)0.50C易燃范围内及附近的操作√惰性化未惰性化(a)灌装可燃性液体0.50(b)过程失常或吹扫故障0.300.3(c)一直在燃烧范围内0.80D粉尘爆炸0.25-2.00E压力0.36操作压力970千帕(绝对压力)释放压力千帕(绝对压力)F低温0.20-0.30G易燃及不稳定物质的数量2.12物质重量千克物质燃烧热焦耳/千克(a)工艺中的液体及气体(b)储存中的液体和气体(c)储存中的可燃固体及工艺中的粉尘H腐蚀和磨损0.10-0.750.1I泄漏(接头和密封)0.10-1.500.4J使用明火设备K热油热交换系统0.15-1.15L转动设备0.500.5特殊工艺危险系数(F2)5.98单元工艺危险系数(F3=F1×F2)8火灾、爆炸指数(F&EI=F3×MF)192注:无危险时系数用0.00。Pvc聚合反应釜单元安全措施补偿系数表1.工艺控制安全补偿系数(C1)项目补偿系数范围采用补偿系数项目补偿系数范围采用补偿系数①应急电源0.980.98⑥操作规程/程序0.91-0.990.993②冷却0.97-0.990.97⑦化学活泼性物质检查0.91-0.980.98③抑爆装置0.84-0.981.00⑧紧急切断装置0.96-0.990.96④计算机控制0.93-0.990.93⑨其它工艺危险分析0.91-0.980.98⑤惰性气体保护0.94-0.961.00C1=0.8072.物质隔离安全补偿系数(C2)项目补偿系数范围采用补偿系数项目补偿系数范围采用补偿系数①遥控阀0.96-0.980.98③排放系统0.91-0.971.00②卸料/排空装置0.96-0.980.96④联锁装置0.980.98C2=0.9223.防火设施安全补偿系数(C3)项目补偿系数范围采用补偿系数项目补偿系数范围采用补偿系数①泄漏检测装置0.94-0.980.98⑥泡沫灭火装置0.92-0.970.97②钢结构0.95-0.980.95⑦水幕0.97-0.981.00③消防水供应系统0.94-0.970.94⑧电缆防护0.94-0.981.00④特殊灭火系统0.911.00⑨手提式灭火器/水枪0.93-0.980.93⑤洒水灭火系统0.74-0.971.00C3=0.789安全措施补偿C=C1×C2×C3=0.587注:①无安全补偿时,填入1.00。②C1、C2、C3值为该类所采用安全措施补偿系数的乘积。Pvc聚合反应釜单元危害系数表单元名称物质系数单元工艺危险系数危害系数聚氯乙烯聚合反应釜2480.89单元基本MPPD和实际MPPD汇总单元名称基本MPPD实...

1、当您付费下载文档后,您只拥有了使用权限,并不意味着购买了版权,文档只能用于自身使用,不得用于其他商业用途(如 [转卖]进行直接盈利或[编辑后售卖]进行间接盈利)。
2、本站所有内容均由合作方或网友上传,本站不对文档的完整性、权威性及其观点立场正确性做任何保证或承诺!文档内容仅供研究参考,付费前请自行鉴别。
3、如文档内容存在违规,或者侵犯商业秘密、侵犯著作权等,请点击“违规举报”。

碎片内容

聚氯乙烯生产,安全系统工程例子

您可能关注的文档

确认删除?
VIP
微信客服
  • 扫码咨询
会员Q群
  • 会员专属群点击这里加入QQ群
客服邮箱
回到顶部