电脑桌面
添加小米粒文库到电脑桌面
安装后可以在桌面快捷访问

菱形锚杆框架技术交底VIP免费

菱形锚杆框架技术交底_第1页
1/4
菱形锚杆框架技术交底_第2页
2/4
菱形锚杆框架技术交底_第3页
3/4
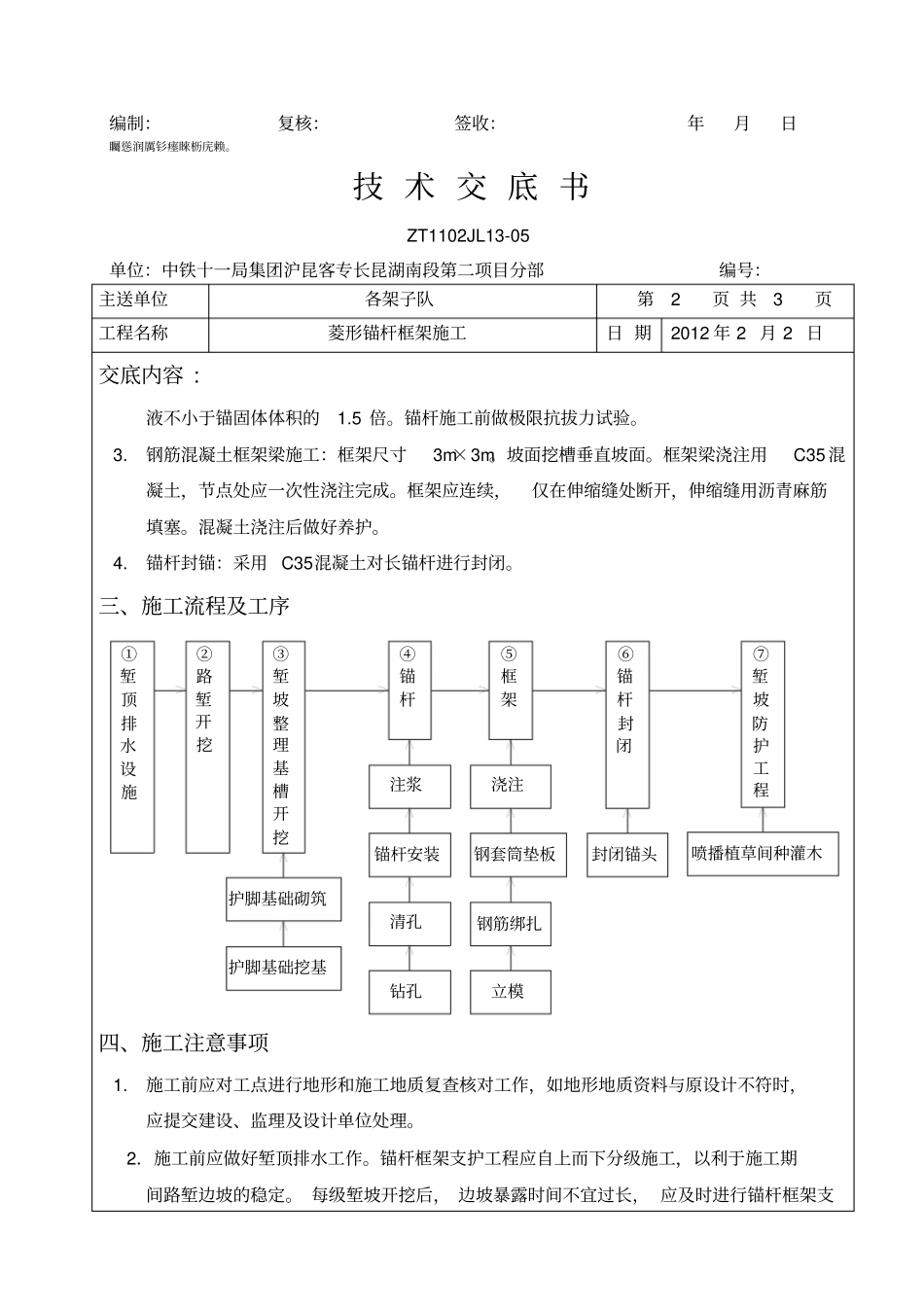
技术交底书ZT1102JL13-05单位:中铁十一局集团沪昆客专长昆湖南段第二项目分部编号:主送单位各架子队第1页共3页工程名称菱形锚杆框架施工日期2012年2月2日交底内容:一、技术要求1.框架梁节点处锚杆采用直径32mm的HRB400螺纹钢筋制作。锚杆间距3m,与水平面夹角30°下倾,锚杆长8m。锚头采用预埋钢板与锚杆穿孔塞焊。沿锚杆长每隔1.5m左右设φ8钢筋对中支架,支架与锚杆采用焊接连接。2.锚杆钻孔直径110mm,灌注M30水泥砂浆,当地下水或地层岩土对混凝土具侵蚀性时,应按《铁路混凝土结构耐久性设计暂行规定》(铁建设[2005]157号)及铁建设[2007]140号文的规定选用抗侵蚀性水泥或掺入外加剂。灌浆采用孔底注浆法,注浆压力应达到设计或试验所确定的参数,一般宜0.2-0.4MPa。3.框架梁采用C35混凝土现场立模施工,岩质边坡框架梁嵌入开挖坡面0.2m,土质边坡全部嵌入坡面,间距3m,截面尺寸采用0.4m(宽)×0.5m(厚),下侧外缘设0.1m搞,0.1m宽的截水槽。每隔10-15m适当位置处设置伸缩缝,缝宽0.02m,缝内填塞沥青麻筋。4.于路堑坡脚处设M10水泥砂浆砌片石护脚,护脚厚0.5m,与侧沟平台顺接,如框架位于顶级边坡,其顶部设1m宽,0.3m厚的M10水泥砂浆片石帽石。5.岩质边坡框架内采用填0.3m种植土,喷播植草间种紫穗槐等乡土灌木防护;土质边坡框架内喷播植草间种紫穗槐等乡土灌木防护。二、施工方法1.清理、平整坡面,清除坡面浮石、浮根,坡面清理应由利于种植土和岩石坡面的自然结合,严禁大爆破开挖坡面,有坍滑掉块,必须清除并确保边坡稳定,超挖部分以C20混凝土回填。2.锚杆施工:钻孔按设计倾角施工,深度不得小于设计深度。长锚杆做除油、除锈、防腐处理,下锚前要保证钢筋表面的清洁,并按设计要求焊上定位钢筋,以确保锚杆体在孔内居中。注浆采用M30水泥砂浆注浆液搅拌均匀,随搅随用,严禁混入杂物,浆编制:复核:签收:年月日矚慫润厲钐瘗睞枥庑赖。技术交底书ZT1102JL13-05单位:中铁十一局集团沪昆客专长昆湖南段第二项目分部编号:主送单位各架子队第2页共3页工程名称菱形锚杆框架施工日期2012年2月2日交底内容:液不小于锚固体体积的1.5倍。锚杆施工前做极限抗拔力试验。3.钢筋混凝土框架梁施工:框架尺寸3m×3m。坡面挖槽垂直坡面。框架梁浇注用C35混凝土,节点处应一次性浇注完成。框架应连续,仅在伸缩缝处断开,伸缩缝用沥青麻筋填塞。混凝土浇注后做好养护。4.锚杆封锚:采用C35混凝土对长锚杆进行封闭。三、施工流程及工序①堑顶排水设施②路堑开挖③堑坡整理基槽开挖护脚基础砌筑护脚基础挖基④锚杆⑤框架注浆锚杆安装清孔钻孔浇注钢套筒垫板钢筋绑扎立模⑥锚杆封闭⑦堑坡防护工程封闭锚头喷播植草间种灌木四、施工注意事项1.施工前应对工点进行地形和施工地质复查核对工作,如地形地质资料与原设计不符时,应提交建设、监理及设计单位处理。2.施工前应做好堑顶排水工作。锚杆框架支护工程应自上而下分级施工,以利于施工期间路堑边坡的稳定。每级堑坡开挖后,边坡暴露时间不宜过长,应及时进行锚杆框架支护工程施工。编制:复核:签收:年月日聞創沟燴鐺險爱氇谴净。技术交底书ZT1102JL13-05单位:中铁十一局集团沪昆客专长昆湖南段第二项目分部编号:主送单位各架子队第3页共3页工程名称菱形锚杆框架施工日期2012年2月2日交底内容:3.路堑开挖机防护工程过程中必须严密监视堑坡稳定情况,确保施工人员及机具的安全。4.锚杆施工前须进行现场抗拔试验,以校核工点设计图中确定的设计参数及指导下一步施工。5.锚杆定位应由测量人员严格定出孔位,钻孔时钻进人员严格控制钻进方向。钻孔应采用干钻。如遇地质条件较差造成塌孔时,应采用套管跟进组合钻具作业。各钻孔深度达到要求后,应立即进行高压风清孔(禁止使用水清孔),安装锚杆并灌浆,严格执行灌浆工艺要求。6.框架应采用钻、凿、挖施工基槽,严禁爆破成槽;嵌入坡面深度应满足设计要求,严禁在坡面上直接浇注。当框架基槽底面或侧面不平整时,底面应采用C20混凝土找平。7.锚杆的位置须严格按图布置。编制:复核:签收:年月日残骛楼諍锩瀨濟溆塹籟。

1、当您付费下载文档后,您只拥有了使用权限,并不意味着购买了版权,文档只能用于自身使用,不得用于其他商业用途(如 [转卖]进行直接盈利或[编辑后售卖]进行间接盈利)。
2、本站所有内容均由合作方或网友上传,本站不对文档的完整性、权威性及其观点立场正确性做任何保证或承诺!文档内容仅供研究参考,付费前请自行鉴别。
3、如文档内容存在违规,或者侵犯商业秘密、侵犯著作权等,请点击“违规举报”。

碎片内容

菱形锚杆框架技术交底

您可能关注的文档

确认删除?
VIP
微信客服
  • 扫码咨询
会员Q群
  • 会员专属群点击这里加入QQ群
客服邮箱
回到顶部