电脑桌面
添加小米粒文库到电脑桌面
安装后可以在桌面快捷访问

衡水初级中学学校标准化试验室检查细则VIP免费

衡水初级中学学校标准化试验室检查细则_第1页
1/9
衡水初级中学学校标准化试验室检查细则_第2页
2/9
衡水初级中学学校标准化试验室检查细则_第3页
3/9
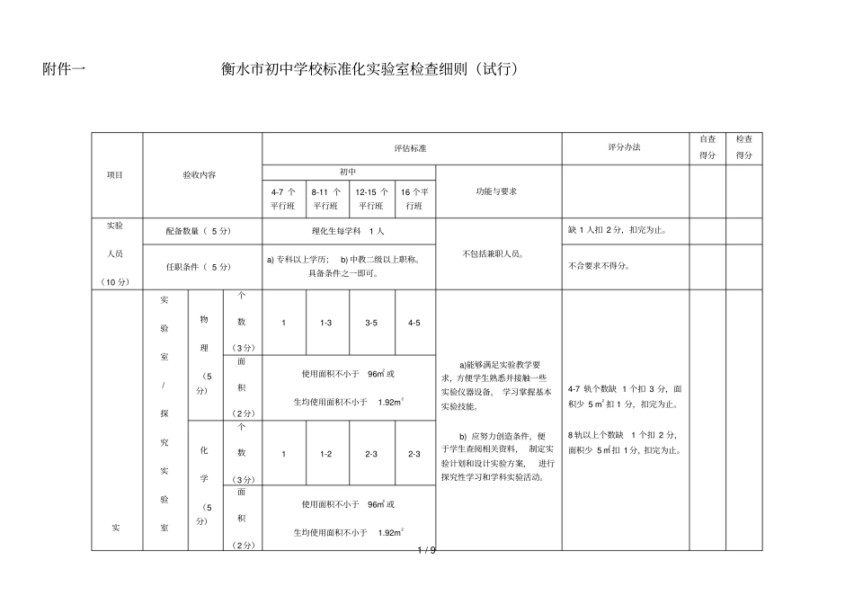
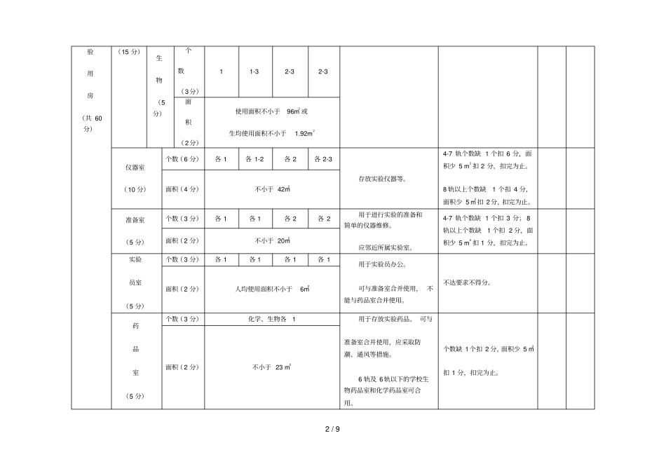
1/9附件一衡水市初中学校标准化实验室检查细则(试行)项目验收内容评估标准评分办法自查得分检查得分初中功能与要求4-7个平行班8-11个平行班12-15个平行班16个平行班实验人员(10分)配备数量(5分)理化生每学科1人不包括兼职人员。缺1人扣2分,扣完为止。任职条件(5分)a)专科以上学历;b)中教二级以上职称。具备条件之一即可。不合要求不得分。实实验室/探究实验室物理(5分)个数(3分)11-33-54-5a)能够满足实验教学要求,方便学生熟悉并接触一些实验仪器设备,学习掌握基本实验技能。b)应努力创造条件,便于学生查阅相关资料,制定实验计划和设计实验方案,进行探究性学习和学科实验活动。4-7轨个数缺1个扣3分,面积少5m2扣1分,扣完为止。8轨以上个数缺1个扣2分,面积少5m2扣1分,扣完为止。面积(2分)使用面积不小于96m2或生均使用面积不小于1.92m2化学(5分)个数(3分)11-22-32-3面积(2分)使用面积不小于96m2或生均使用面积不小于1.92m22/9验用房(共60分)(15分)生物(5分)个数(3分)11-32-32-3面积(2分)使用面积不小于96m2或生均使用面积不小于1.92m2仪器室(10分)个数(6分)各1各1-2各2各2-3存放实验仪器等。4-7轨个数缺1个扣6分,面积少5m2扣2分,扣完为止。8轨以上个数缺1个扣4分,面积少5m2扣2分,扣完为止。面积(4分)不小于42m2准备室(5分)个数(3分)各1各1各2各2用于进行实验的准备和简单的仪器维修。应邻近所属实验室。4-7轨个数缺1个扣3分;8轨以上个数缺1个扣2分,面积少5m2扣1分,扣完为止。面积(2分)不小于20m2实验员室(5分)个数(3分)各1各1各1各1用于实验员办公。可与准备室合并使用,不能与药品室合并使用。不达要求不得分。面积(2分)人均使用面积不小于6m2药品室(5分)个数(3分)化学、生物各1用于存放实验药品。可与准备室合并使用,应采取防潮、通风等措施。6轨及6轨以下的学校生物药品室和化学药品室可合用。个数缺1个扣2分,面积少5m2扣1分,扣完为止。面积(2分)不小于23m23/9实验用房(共60危险药品室(3分)个数危险品柜用于存放危险实验药品。应采取防潮、通风及必需的安全措施。危险品室(柜)双锁、双人管理。不合要求不得分培养室(生)(2分)个数1111用于进行组织培养等。朝阳方向,通风良好。没有不得分;面积小于20m2不得分。面积不小于43m2生物园地(5分)个数1111用于进行种植、饲养等。没有不得分。建筑要求(4分)地面各室与走廊的地面不宜设台阶。地面应防尘易清洁、耐磨、防滑,化学实验室的地面应耐酸碱腐蚀。化学实验室、化学准备室和生物实验室的地面应设地漏。一项不合要求扣1分,扣完为止。门窗应根据人流安全疏散的要求设置后门,门洞的宽度不应小于1200mm,门扇上宜设观察窗,门框上部设采光通风窗。实验室的窗台适宜高度900mm~1000mm,实验室的窗间墙宽度不应大于1200mm。门窗开启后不应影响室内空间的使用和走廊通行的便利与安全。综合布线系统室内有水源、电源的应设总控制阀。实验室内电源插座与照明用电应分路设计、分别控制。新建实验室应预留综合布线系统的竖向贯通井道及设备位置。采用通风到桌的化学实验室,应单独设置三相动力电源,独立控制。用电负荷实验室的配电线路和负荷容量应留有余地,以满足不断采用现代化教学手段及教学设备逐步增多的需要。4/9分)环境要求(6分)采光照明1.应保证实验室教学用房的最佳建筑朝向,避免室内直射阳光。主要采光面应位于学生座位左侧。生物准备室应至少有一个向阳的窗户,存放生物标本的仪器室宜为北向布置。2.实验台面的平均照度应符合GB50034的有关要求不低于3001x,其照度均匀度不低于0.7。3.灯具悬挂高度距实验台面不应低于1700mm,不宜用裸灯。一项不合要求扣1分,扣完为止。遮光窗户可装窗帘。做光学实验用的实验室应设遮光通风帘。温度室内设计温度应符合GB5701的有关要求宜在16℃~28℃。寒冷和炎热地区应因地制宜地设置采暖和降温设施。通风换气1.实验室、准备室的换气次数应符合GB17226的有关要求不低于4次/h,宜采取各种有组织的自然通风措施,使室内二氧化碳浓度低于1.5‰。2..必要时还应采取强制置换室内污染空气的措施:采...

1、当您付费下载文档后,您只拥有了使用权限,并不意味着购买了版权,文档只能用于自身使用,不得用于其他商业用途(如 [转卖]进行直接盈利或[编辑后售卖]进行间接盈利)。
2、本站所有内容均由合作方或网友上传,本站不对文档的完整性、权威性及其观点立场正确性做任何保证或承诺!文档内容仅供研究参考,付费前请自行鉴别。
3、如文档内容存在违规,或者侵犯商业秘密、侵犯著作权等,请点击“违规举报”。

碎片内容

衡水初级中学学校标准化试验室检查细则

文库响当当+ 关注
实名认证
内容提供者

该用户很懒,什么也没介绍

确认删除?
VIP
微信客服
  • 扫码咨询
会员Q群
  • 会员专属群点击这里加入QQ群
客服邮箱
回到顶部