电脑桌面
添加小米粒文库到电脑桌面
安装后可以在桌面快捷访问

试验室危化品安全检查表VIP免费

试验室危化品安全检查表_第1页
1/4
试验室危化品安全检查表_第2页
2/4
试验室危化品安全检查表_第3页
3/4
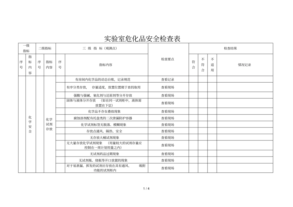
1/4实验室危化品安全检查表一级指标二级指标三级指标(观测点)检查要点检查结果序号指标内容序号指标内容序号指标内容符合不符合不适用情况记录化学安全化学试剂存放有房间内化学品的动态台账,记录规范查看记录有序分类存放,存量适度,放置位置便于查找取用查看现场强酸与强碱、氧化剂与还原剂等分开存放查看现场固体与液体分开存放(如在同一试剂柜中,液体需放置在下层)查看现场化学品不存在叠放现象查看现场腐蚀溶剂配有托盘类的二次泄漏防护容器查看现场化学试剂标签无脱落、模糊现象查看现场存放点通风、隔热、安全查看现场无存放大桶试剂现象查看现场无大量存放化学试剂现象(用量较大的试剂存量应控制在一周计划用量之内)查看现场无试剂药品过期现象查看现场无试剂瓶、烧瓶等开口放置的现象查看现场对于易泄漏、挥发的试剂应存放在具有通风、吸附功能的试剂柜内查看现场2/4剧毒品管理剧毒品购买前须经公安部门审批,并凭证向具有经营许可资质的单位购买查看相关供应商的行政许可资质证书复印件校内职能部门审批资料保留、建立清单查看资料配备专门的保险柜并固定,实行双人双锁保管,有条件的或专用库房需配备报警及监控设备查看现场对于具有高挥发性、低闪点的剧毒品应存放在具有防爆功能的冰箱内,并配备双锁,实行双人双锁保管查看现场执行双人收发、双人领用,有记录查看记录使用时有两人同时在场,且计量取用后立即放回保险柜,有记录(双人签字)查看现场和记录有规范的剧毒品处置方法,双人签字记录查看现场和记录残余、废弃的剧毒品或空瓶的处置按规定进行查看现场不得私自从外单位获取剧毒品查看现场易制毒品等特殊药品管理易制毒品购买前须经公安部门审批,并凭证向具有经营许可资质的单位购买查看现场、记录本;职能部门提供年度清单易制毒品分类存放、专人保管,做好领取、使用、处置记录。易制毒品实行“五双”管理制度查看现场、记录本;职能部门提供年度清单易制爆品购买前须经公安部门审批,或按照政府管理的规定要求采购,并向具有经营许可资质的单位购买查看现场、记录本;职能部门提供年度清单易制爆品分类存放、专人保管,做好领取、使用、处置记录。查看现场、记录本;职能部门提供年度清单麻醉药品、精神药品等购买前须向食品药品监督管理部门(或行业主管部门)申请备案,报批同意后向定点供应商或者定点生产企业采购。查看现场、记录本;职能部门提供年度清单3/4麻醉品和精神类药品储存于专门的保险柜中,有规范的领取、使用、处置台账查看现场和记录实验气体管理有气体钢瓶台账,钢瓶颜色和字体清楚,有状态标志牌查看现场、记录本可燃性气体与氧气等助燃气体不混放查看现场涉及剧毒、易燃易爆气体的场所,配有通风设施和监控报警装置等查看现场危险气体钢瓶存放点通风、远离热源查看现场无气体钢瓶放在走廊、大厅等公共场所的现象查看现场气体钢瓶已正确固定查看现场气体管路材质选择合适,无破损或老化现象查看现场气体连接管路连接正确,并时常进行检漏查看现场有气体管路标志,对于存在多条气体管路的房间张贴了详细的管路图查看现场实验结束后,气体钢瓶总阀已关闭查看现场独立的气体钢瓶室有专人管理,使用记录完整查看现场和记录无废旧气体钢瓶,无大量气体钢瓶堆放现象查看现场化学废弃物处置与有资质的处理单位(企业)签约处置化学废弃物查看合同及转运联单有统一的化学实验废弃物标签,包含废物类别、危险类别、主要成分、产生单位、送储人、日期等信息查看标签配备了化学实验废弃物分类收集容器查看现场对化学废弃物进行了分类存放、包装(应避免易产生剧烈反应的物品混放),并贴好标签,及时送学院临时贮存室集中管理,定期处置查看现场4/4无大量存放化学废弃物的现象,定期处置化学实验废弃物查看现场无实验废弃物和生活垃圾混放现象查看现场无向下水道倾倒废旧化学试剂等现象查看现场无实验室外堆放实验废弃物现象查看现场对于产生有毒和异味废气的,有气体吸收装置查看现场锐器废物已盛放在纸板箱等不易被刺穿的容器中查看现场其它化学安全有统一的试剂标签(用于配置试剂、合成品、样品等),信息包括名称、浓度、责任人、...

1、当您付费下载文档后,您只拥有了使用权限,并不意味着购买了版权,文档只能用于自身使用,不得用于其他商业用途(如 [转卖]进行直接盈利或[编辑后售卖]进行间接盈利)。
2、本站所有内容均由合作方或网友上传,本站不对文档的完整性、权威性及其观点立场正确性做任何保证或承诺!文档内容仅供研究参考,付费前请自行鉴别。
3、如文档内容存在违规,或者侵犯商业秘密、侵犯著作权等,请点击“违规举报”。

碎片内容

试验室危化品安全检查表

确认删除?
VIP
微信客服
  • 扫码咨询
会员Q群
  • 会员专属群点击这里加入QQ群
客服邮箱
回到顶部