电脑桌面
添加小米粒文库到电脑桌面
安装后可以在桌面快捷访问

试验设计及数据处理结课论文VIP免费

试验设计及数据处理结课论文_第1页
1/16
试验设计及数据处理结课论文_第2页
2/16
试验设计及数据处理结课论文_第3页
3/16
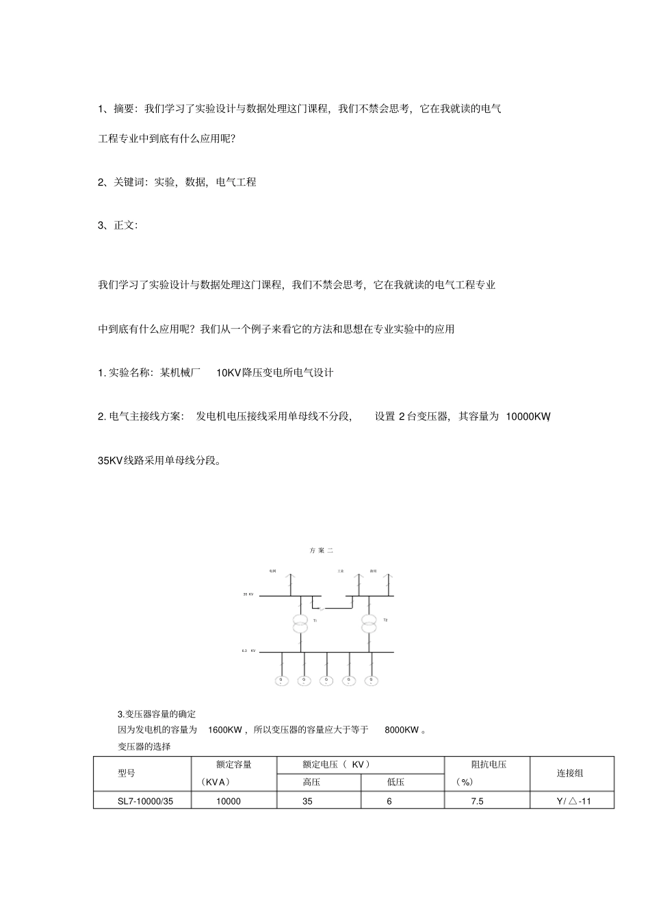
结课论文题目实验设计与数据处理在电气工程中的应用姓名赵庆营学号201230254016所在学院电气工程年级专业12级电气电气工程与自动化1、摘要:我们学习了实验设计与数据处理这门课程,我们不禁会思考,它在我就读的电气工程专业中到底有什么应用呢?2、关键词:实验,数据,电气工程3、正文:我们学习了实验设计与数据处理这门课程,我们不禁会思考,它在我就读的电气工程专业中到底有什么应用呢?我们从一个例子来看它的方法和思想在专业实验中的应用1.实验名称:某机械厂10KV降压变电所电气设计2.电气主接线方案:发电机电压接线采用单母线不分段,设置2台变压器,其容量为10000KW,35KV线路采用单母线分段。G~~GG~~GG~35KV6.3KVTIT2电网工业备用方案二3.变压器容量的确定因为发电机的容量为1600KW,所以变压器的容量应大于等于8000KW。变压器的选择型号额定容量(KVA)额定电压(KV)阻抗电压(%)连接组高压低压SL7-10000/35100003567.5Y/△-114.电气一次短路电流计算对选定的主接线方案,按电气设备选择、校验的需要进行短路电流的计算。在教师指导下,力求合理选择短路点,以避免过多的重复工作量。按单峰函数法计算短路电流。短路电流计算条件为使所选电气设备具有足够的可靠性、经济性和合理性,并在一定时期内适应电力系统发展的需要,作校验用的短路电流应按下列条件确定。(1)容量和接线按本工程设计最终容量计算,并考虑电力系统远景发展规划(一般为本工程建成后5~10年):其接线应采用可能发生最大短路电流的正常接线方式,但不考虑在切换过程中可能短时并列的接线方式。(如切换厂用变压器时的并列)。(2)短路种类一般按三相短路验算,若其他种类短路较三相短路严重时,即应按最严重的情况验算。(3)计算短路点选择通过电器的短路电流为最大的那些点为短路计算点。短路电流的计算选取基准值:AMVSj100avjUU发电机:有阻尼绕组的水轮发电机21X5.108.0160010010021cos100PSXXjd变压器:KWP800051600经查表选择SFL1-10000/35型号查得5.7%KU75.08.08000101001005.7100%3njKTSSUX电网工业备用K2K175.0675.075.1015.1025.1035.1045.105线路:35kv选择42.00X28.037100942.0220avjjUSLXX当6.3KV母线即k1点发生三相短路时:当K1发生短路时无限大容量655.0375.028.01X5267.1655.0111XX稳态短路电流:)(38.23731005267.1kAIIIj冲击短路电流:)(069.638.255.255.2kAIIim有限大容量:21.0100101.211jNCSSXXst0526.5I28.0jX35kV375.0275.02X6.3kV1.255.102Xk1)(064.53.6310526.53kAUSIIavNst1563.31I)(265.33.6310563.331kAUSIIavNst2378.32I)(096.33.6310378.332kAUSIIavNst4234.33I)(964.23.6310234.333kAUSIIavNt=0sI1′=2.38+5.064=7.444(KA)t=1sI2′=2.38+3.265=5.645(KA)t=2sI3′=2.38+3.096=5.476(KA)t=4sI4′=2.38+2.964=5.344(KA)短路冲击电流:)(605.13064.59.122kAIkiimim总的冲击电流:i=13.605+6.069=19.674(KA)当35KV母线即k2点发生三相短路时:当2K点发生短路时28.0*jXKV352KKV3.6375.0*2X1.2*1X无限大容量28.0*2X57.328.01*1*2XI稳态短路电流:)(5706.537310057.3*KAIIIj冲击短路电流:)(205.145706.555.255.2KAIIim有限大容量短路电流:2475.010010475.2**475.2375.01.2***3213jNSSXXcXXXt=0s43.4I)(691.03731043.43kAUavSIINt=1s23.31I)(504.03731023.3311kAUavSIINt=2s17.32I)(495.03731017.3322kAUavSIINt=4s12.33I)(487.03731012.3333kAUavSIINt=0sI1′=5.5706+0.691=6.2616(KA)t=1sI2′=5.5706+0.504=6.0746(KA)t=2sI3′=5.5706+0.495=6.0656(KA)t=4sI4′=5.5706+0.487=6.0576(KA)短路冲击电流:)(759.1691.08.122kAIkiimim总的冲击电流:i=14.205+1.759=15.964(KA)1k短路:当s4t时.43.43412964.2096.310064.51210Q2222222Z1tIIIzttZ85.3064.515.0Q22f1IT28.47QQzQfk12k短路:当时st4.05.1412487.0495.010691.012210Q222222Z2tItIIztz04.0691.008.0Q22f2IT09.1QQzQ21f2k2.3.3短路电流计算成果表短路点分支回路额定容量(MV·A)计算电抗T=0sT=1sT=2sT=4sT=0s冲击短路电流(kA)II1I1I2I2I3I3I6kV母线大电网0.6551.52672.381.52672.381.52...

1、当您付费下载文档后,您只拥有了使用权限,并不意味着购买了版权,文档只能用于自身使用,不得用于其他商业用途(如 [转卖]进行直接盈利或[编辑后售卖]进行间接盈利)。
2、本站所有内容均由合作方或网友上传,本站不对文档的完整性、权威性及其观点立场正确性做任何保证或承诺!文档内容仅供研究参考,付费前请自行鉴别。
3、如文档内容存在违规,或者侵犯商业秘密、侵犯著作权等,请点击“违规举报”。

碎片内容

试验设计及数据处理结课论文

您可能关注的文档

确认删除?
VIP
微信客服
  • 扫码咨询
会员Q群
  • 会员专属群点击这里加入QQ群
客服邮箱
回到顶部