电脑桌面
添加小米粒文库到电脑桌面
安装后可以在桌面快捷访问

质量控制及保证措施VIP免费

质量控制及保证措施_第1页
1/11
质量控制及保证措施_第2页
2/11
质量控制及保证措施_第3页
3/11
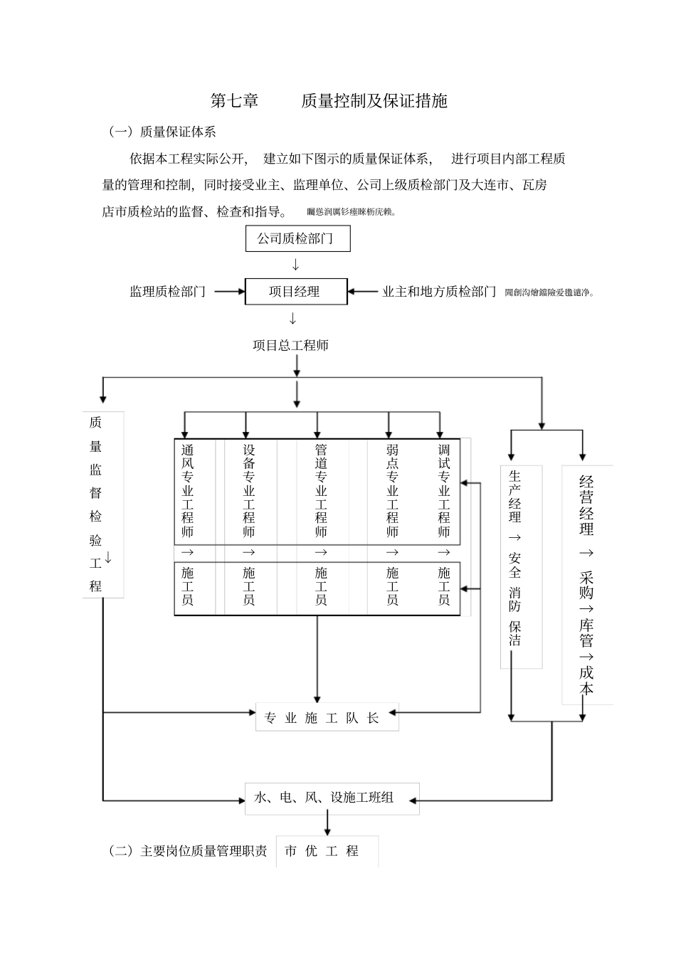
第七章质量控制及保证措施(一)质量保证体系依据本工程实际公开,建立如下图示的质量保证体系,进行项目内部工程质量的管理和控制,同时接受业主、监理单位、公司上级质检部门及大连市、瓦房店市质检站的监督、检查和指导。矚慫润厲钐瘗睞枥庑赖。↓监理质检部门业主和地方质检部门聞創沟燴鐺險爱氇谴净。↓项目总工程师↓(二)主要岗位质量管理职责公司质检部门经营经理→采购→库管→成本质量监督检验工程项目经理通风专业工程师→施工员设备专业工程师→施工员管道专业工程师→施工员弱点专业工程师→施工员调试专业工程师→施工员生产经理→安全消防保洁专业施工队长水、电、风、设施工班组市优工程1、项目经理职责:(1)项目经理是项目质量的第一责任人,对工程质量管理全面负责,保证项目质量达到创优目标(2)建立和完善项目的组织机构,明确各类人员职责,充分发挥参与项目建设人员的积极性。(3)组织编制项目质量计划,并监督实施(4)组织编制项目职工培训计划2、项目总工程师职责(1)项目总工程师是项目质量管理的主要责任人,对项目施工质量的全过程进行管理。(2)组织编制施工组织设计,审核施工方案,编制施工方法的科学性,合理性和先进性。(3)制订本工程的关键工序和特殊工序计划,审核关键工序和特殊工序作业指导书或专题施工方案。(4)指导,协调各专业技术人员的工作,保证每位施工人员都明确自己的质量职责。3、质检工程师职责(1)参与施工工程的质量管理,具体实施各项质量管理工作(2)对每道施工工序都按有关规范、标准进行检验,控制不合格品的产业;负责本项目质量控制措施的落实、整改。残骛楼諍锩瀨濟溆塹籟。(3)依据专业工程师编制的过程检验计划,编制施工关键工序标识卡。一式两份,班组、质检员各执一份。根据工序标识卡对各施工工序进行检查控制。酽锕极額閉镇桧猪訣锥。(4)严格执行“质量否决权”对检查出的问题提出整改要求,并限期整改。4、各专业质量工程师职责(1)是专业质量管理目标的责任人和落实人(2)参与施工职责设计和质量计划的编制,编置专业施工方案(3)对施工班组进行技术交底,编制检验和试验状态标识卡,负责技术复核工作。(4)解决施工中的技术难题,督促施工班组做好自检和质检员做好专检工作(5)负责工程技术资料的积累和汇总工作(三)保证工程质量的措施1、做好宣传工作,使全体施工人员牢固树立“百年大计、质量第一”的质量意识,确保工程质量创优目标。2、严格执行ISO9002《质量管理和管理保证》系列标准,严格按照图纸和国家现行施工验收规范要求进行施工,施工质量必须达到《建筑安装工程质量检验评定统一标准》规定的优良等级。彈贸摄尔霁毙攬砖卤庑。3、对项目班子实行质量“终身制”选派优秀的工程管理人员和施工人员。4、选派技术精良的专业施工班组,配备先进的施工机具和检测设备。5、建立完善的质量负责制,使每位参与本项目施工的人员都明确自己的质量目标和责任,使工作有的放矢。6、采用先进的管理手段,针对较难控制的质量问题,找出产生问题的主要原因,提出对策,并落实,整改。7、坚持质量一票否决权,定期召开工程质量分析会,在劳务作业层开展质量活动日。质量创优竞赛活动,按月进行评比,并与班组的收入挂钩。謀荞抟箧飆鐸怼类蒋薔。8、加强材料采购供应的管理,无产品合格书或质量保证书的材料设备及零部件禁止在现场使用,进货物资按规范要求进行抽样检查,经检验合格后方可使用。厦礴恳蹒骈時盡继價骚。9、严格执行各项管理制度:既设计文件审查制;岗位责任制;质量负责制;技术交底制;定期审查制;测量复测制;隐蔽工程检查制;质量活动日制;质量挂牌制;质量评比制;双班作业交接班制;班组自检互检制;对事故“四不放过”制。茕桢广鳓鯡选块网羈泪。10、加强施工工艺,质量技术数据的测量,监控力度,针对迎宾馆安装工程要求特别高的特点,配备足够的、适当精度的计量器具,对现场施工质量进行监控。鹅娅尽損鹌惨歷茏鴛賴。11、加大工厂化预制力度,成立通风管道预制场和管道加工场,配套全套加工机械,实行工厂化,预制化,标准化生产,加工后检查,合格再运往各楼层...

1、当您付费下载文档后,您只拥有了使用权限,并不意味着购买了版权,文档只能用于自身使用,不得用于其他商业用途(如 [转卖]进行直接盈利或[编辑后售卖]进行间接盈利)。
2、本站所有内容均由合作方或网友上传,本站不对文档的完整性、权威性及其观点立场正确性做任何保证或承诺!文档内容仅供研究参考,付费前请自行鉴别。
3、如文档内容存在违规,或者侵犯商业秘密、侵犯著作权等,请点击“违规举报”。

碎片内容

质量控制及保证措施

确认删除?
VIP
微信客服
  • 扫码咨询
会员Q群
  • 会员专属群点击这里加入QQ群
客服邮箱
回到顶部