电脑桌面
添加小米粒文库到电脑桌面
安装后可以在桌面快捷访问

路灯施工方案VIP免费

路灯施工方案_第1页
1/13
路灯施工方案_第2页
2/13
路灯施工方案_第3页
3/13
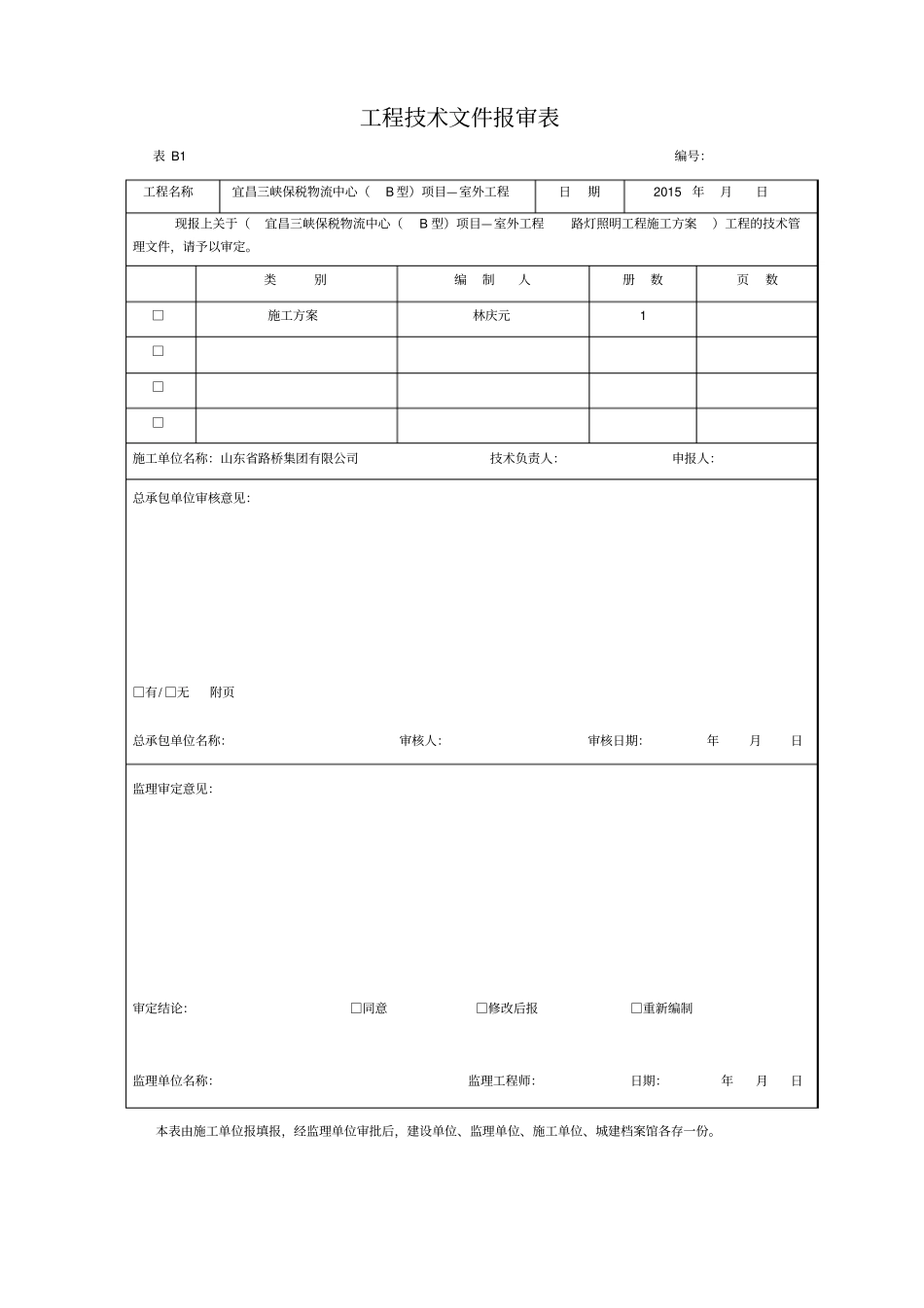
B2施工组织设计/(专项)施工方案报审表工程名称:宜昌三峡保税物流中心(B型)项目—室外工程编号:致:宜昌宏业工程项目管理有限公司(项目监理机构)我方已完成路灯照明工程施工组织设计/(专项)施工方案的编制和审批,请予以审查。附件:□施工组织设计□专项施工方案□施工方案施工项目经理部(盖章)项目经理(签字)年月日审查意见:专业监理工程师(签字)年月日审核意见:项目监理机构(盖章)总监理工程师(签字、加盖执业印章)年月日审批意见(仅对超过一定规模的危险性较大的分部分项工程专项施工方案):建设单位(盖章)建设单位代表(签字)年月日注:本表一式四份,项目监理机构、建设单位、施工单位、城建档案管理机构各一份。工程技术文件报审表表B1编号:工程名称宜昌三峡保税物流中心(B型)项目—室外工程日期2015年月日现报上关于(宜昌三峡保税物流中心(B型)项目—室外工程路灯照明工程施工方案)工程的技术管理文件,请予以审定。类别编制人册数页数□施工方案林庆元1□□□施工单位名称:山东省路桥集团有限公司技术负责人:申报人:总承包单位审核意见:□有/□无附页总承包单位名称:审核人:审核日期:年月日监理审定意见:审定结论:□同意□修改后报□重新编制监理单位名称:监理工程师:日期:年月日本表由施工单位报填报,经监理单位审批后,建设单位、监理单位、施工单位、城建档案馆各存一份。路灯照明工程施工方案审批表工程名称宜昌三峡保税物流中心(B型)项目—室外工程工程地点宜昌市猇亭区工业园建设单位宜昌三峡鑫物保税物流有限公司建筑面积(㎡)/结构类型钢筋混凝土基础及电缆桥架工程造价(万元)/设计单位长江航运规划设计院建筑物跨度/层数、高度一般路灯:灯杆长度8米,基础59个中灯杆:灯杆长度15米,基础16个开、竣工日期/设计方案主编林庆元编制日期2015.10项目负责人邢永峰项目安全负责李志部门审批意见安全部门意见签字盖章年月日技术部门意见签字盖章年月日设备部门意见签字盖章年月日计划部门意见签字盖章年月日工程师(技术负责人)意见签字盖章年月日领导批示签字盖章年月日备注宜昌三峡保税物流中心(B型)项目--室外工程路灯照明工程施工方案编制:审核:批准:山东省路桥集团有限公司2015年10月13日一、工程概况宜昌三峡报税物流中心(B型)项目整个园区路灯工程总共75盏,其中一般路灯(H=8米,型号TSDL016A,光源为NG250W高压钠灯,配节能电感镇压流,带补偿装置,要求cosφ≥0.9)59盏,中灯杆(H=15米,型号TSZG-011,光源为9*NG400W高压钠灯,配节能电感镇压流,带补偿装置,要求cosφ≥0.9)16盏。保税区环线12米主道路单边布置,在该路段,4#、5#报税物流仓库外采用中灯杆单边布置的照明方式,其余采用中灯杆360度布置的照明方式;报税区15米道路单边布置,采用中灯杆360度布置的照明方式;报税区20米道路两侧对称布置,采用中灯杆360度布置的照明方式。根据现场实际条件,灯杆基础土方采用人工配合机械施工挖槽切割,15米中灯杆基础:规格2米*2米,槽深1.7米;8米中灯杆基础:规格1.075米*1.075米,槽深1.25米。基础下层采用C15素混凝土浇筑10公分作为基础垫层,上层则用木模或钢模支模,用C30钢筋混凝土浇筑。其中15米中灯杆基础C15垫层砼量为0.4方,C30砼用量为2.5方;8米中灯杆基础C15垫层砼量为0.12方,C30砼用量为0.62方。15米中灯杆基础暗埋M27*1.2米地脚螺栓8根配用100mm拉丝;8米中灯杆基础暗埋M20*1.05米地脚螺栓4根配用80mm拉丝。浇筑灯杆砼基础与基础中间位置穿SC50钢管线。进、出各一根。15米中灯杆和8米中灯杆基础顶标高为该报税区场地高程+15CM值。二、施工计划10月份完成所有路的灯杆基础混凝土浇筑任务,并同步完成电缆沟线槽开挖。11月份完成所有电缆线槽的混凝土浇筑并按设计图纸预埋电缆线。12月份完成各类灯杆的吊装并进行试电运行。三、路灯施工方案3.1施工工艺和方法3.1.1、厂区路基开挖与物业部门联系,掌握大概分布资料,通过开挖探槽了解地下管线详细分部情况,要求有序地开挖,作好雨天临时排水沟,开挖时应有测量配合指导,切勿超挖、欠挖。3.1.2、测量定位根据监理工程...

1、当您付费下载文档后,您只拥有了使用权限,并不意味着购买了版权,文档只能用于自身使用,不得用于其他商业用途(如 [转卖]进行直接盈利或[编辑后售卖]进行间接盈利)。
2、本站所有内容均由合作方或网友上传,本站不对文档的完整性、权威性及其观点立场正确性做任何保证或承诺!文档内容仅供研究参考,付费前请自行鉴别。
3、如文档内容存在违规,或者侵犯商业秘密、侵犯著作权等,请点击“违规举报”。

碎片内容

路灯施工方案

确认删除?
VIP
微信客服
  • 扫码咨询
会员Q群
  • 会员专属群点击这里加入QQ群
客服邮箱
回到顶部